TCL L48A71液晶电视不开机的故障维修

2022-06-28 19:54:17  阅读 866 次 评论 0 条
摘要:

接修一台L48A71型液晶彩电,不开机,上电后,红色待机指示灯亮;按二次开机键后,红色待机指示灯不熄灭。测主板插座P001的10脚(POWER _ON OUT )无+3V的高电平开机信号,主芯片U400(

      接修一台L48A71型液晶彩电,不开机,上电后,红色待机指示灯亮;按二次开机键后,红色待机指示灯不熄灭。测主板插座P001的10脚(POWER _ON OUT )无+3V的高电平开机信号,主芯片U400( MSD6A818)的H5脚也未输出高电平开机信号。查U400相关端子供电情况,未发现异常。二次开机后,主芯片内的CPU将从FLASH存储器内调取Boot Loader(引导程序)并运行:初始化DDR存储器、FLASH存储器、总线。

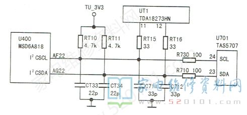
      如果上述初始化过程异常,则终止该程序运行,U400的开机端(H5不会发出高电平开机指令。开机后测量U400的时钟振荡AG1、AH2端波形正常,复位G1端(高电平复位)复位电压也正常,但I2C总线时钟端AF22的电压为0V(正常应为3.3V),U400外挂总线器件有高频头UT1 (TDA18273HN)和音频数字功放U701(TAS5707),如图1所示。

      分别断开这两个器件的总线端子测量,AF22端的电压始终为0V,看来问题出在相关线路上。检查发现,时钟线上拉电阻RT10(4.7k)引脚虚焊,将其补焊后试机,故障排除。

TCL L48A71液晶电视不开机的故障维修 第1张

版权声明:本文为转载文章,版权归原作者所有,欢迎分享本文,转载请保留出处!