TCL L43F2800A液晶电视开机三无的故障维修

2022-09-12 18:50:33  阅读 1138 次 评论 0 条
摘要:

接修一台TCL L43F2800A液晶电视,该机雷击后三无。实测电源+背光板上的保险管F1 (3.5A)已开路,滤波电容CE1~CE3 (均为56uF/450V,3只并联)两端短路。进一步检查,发现CE1~CE

      接修一台TCL L43F2800A液晶电视,该机雷击后三无。实测电源+背光板上的保险管F1 (3.5A)已开路,滤波电容CE1~CE3 (均为56uF/450V,3只并联)两端短路。进一步检查,发现CE1~CE3短路的原因是开关管QW1(JCS10N60,10A/600V)击穿。用P10NK802FP( 10A/800V )型场效应管代换QW1。

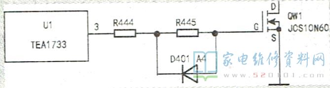
     U1(TEA1733 )③脚输出脉冲,通过贴片电阻R444、R445接到QW1的G极,如图1所示。

TCL L43F2800A液晶电视开机三无的故障维修 第1张

     实测R444已开路。更换保险管及R444后通电,电源次级电压仍为0V,看来U1已经损坏。将其换新后试机,电源次级输出的24V电压正常,装机再试,测得背光供电为73.1V。按开机键后,加到灯条上的电压为130V。插上AV信号,图像、声音均正常。
版权声明:本文为转载文章,版权归原作者所有,欢迎分享本文,转载请保留出处!