乐华32L20液晶电视二次不开机的故障维修

2022-07-19 17:32:25  阅读 1188 次 评论 0 条
摘要:

接修一台乐华32L20型LED液晶电视,上电后电源指示灯亮,二次开机没有任何反应。电源指示灯亮,说明开关电源基本正常。该机采用三合一主板,即开关电源、信号处理、背光驱动电路都在主板.上。该机无副电源,开关

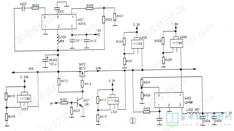
      接修一台乐华32L20型LED液晶电视,上电后电源指示灯亮,二次开机没有任何反应。电源指示灯亮,说明开关电源基本正常。该机采用三合一主板,即开关电源、信号处理、背光驱动电路都在主板.上。该机无副电源,开关电源输出12V和35V(背光供电)两种电压,且接通220V交流市电后就有输出。上电后测得12V和35V电压均正常,说明开关电源正常。二次开机,电源指示灯不闪烁(正常时指示灯应闪几下后熄灭),说明控制系统有问题。首先检查相关DC-DC转换电路,如图1所示。

乐华32L20液晶电视二次不开机的故障维修 第1张

      开关电源输出的12V电压经U401及其外围电路转换为5Vs待机电压,再由U403稳压产生3.3Vs待机电压,供给主芯片内的CPU、面板按键、遥控接收电路。5VM电压受开/待机管Q402控制。待机时,主芯片输出0V低电平,则Q401截止,P沟道场效应管Q402因栅极、源极电压均为5V而截止,无5VM电压输出。二次开机后,主芯片输出3.2V高电平,则Q401饱和导通,Q402因栅极电压低于源极电压而导通,输出5VM电压。5VM电压一路经U404产生3.3V电压,第二路经U405产生2.5V电压,第三路经U406产生1.8V电压,第四路经U402转换产生1.2V电压,这些电压均供给主芯片。

       通电测量, 待机时,5Vs.3.3Vs电压均正常,但5VM端子处有5V电压,明显异常,因为5VM电压只有在二次开机后才出现。测场效应管Q402、三极管Q401等元件均正常,最后发现此现象系主芯片一直输出3.2V的高电平给Q401所致,说明控制系统有问题。继续查供电,发现3.3V、2.5V.1.8V均正常,但1.2V输出端的电压为OV。道1.2V 为主芯片 内核供电,它不正常,系统肯定无法正常工作。1.2V电压变换电路以U402(LD4QH)为核心,如图2所示。

乐华32L20液晶电视二次不开机的故障维修 第2张

        测U402的④脚输入端电压为5.1V(正常),⑤脚反馈端电压为0V(正常时0.6V左右),③脚的直流电压为5V(正常时为1.2V)。 用示波器测量,发现U402的③脚无脉冲波形。检查U402的③脚外围电路,发现电感L402一只引脚已断。刮去漆包线的漆皮,上锡后焊好引脚,通电试机,1.2V输出电压正常,按面板上的开/待机键,电源指示灯闪了几下后屏亮,输入信号,一切正常,,故障排除。此时测得U402的③脚波形如图3所示,周期为0.8us(即频率为1.25MHz), 幅度为5.3Vp-p,正半周为4V,负半周为1.3V。内部的续流二极管对负半周1.3V电压整流,在L402的另一端(即1.2V 端子上)产生1.2V直流电压。

乐华32L20液晶电视二次不开机的故障维修 第3张

       小结:本故障原因是无1.2V内核供电,系统不能正常工作,导致二次不开机

版权声明:本文为转载文章,版权归原作者所有,欢迎分享本文,转载请保留出处!