TCL L48E5300A-3D液晶电视不定时出现黑屏故障

2022-04-25 17:43:59  阅读 906 次 评论 0 条
摘要:

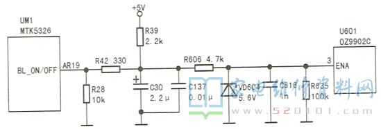
接修一台TCL L48E5300A-3D型液晶彩电(MT36机芯),故障表现为热机后不定时黑屏。故障出现时背光灯不亮。测背光驱动控制块U601(OZ9902C)的⑥脚(亮度控制端)电压为正常的3.1V,③

       接修一台TCL L48E5300A-3D型液晶彩电(MT36机芯),故障表现为热机后不定时黑屏。故障出现时背光灯不亮。测背光驱动控制块U601(OZ9902C)的⑥脚(亮度控制端)电压为正常的3.1V,③脚(背光开启/关闭端)电压不足0.8V(正常值为3.0V),主芯片UM1的AR19(BL _ON/OFF )脚有正常的3.2V背光开启高电平信号输出看来故障在背光控制信号传输电路中,如图所示。

TCL L48E5300A-3D液晶电视不定时出现黑屏故障 第1张

       经查,故障系限幅二极管VD604软击穿所致,将其用同规格稳压管更换后试机,故障排除。

版权声明:本文为转载文章,版权归原作者所有,欢迎分享本文,转载请保留出处!