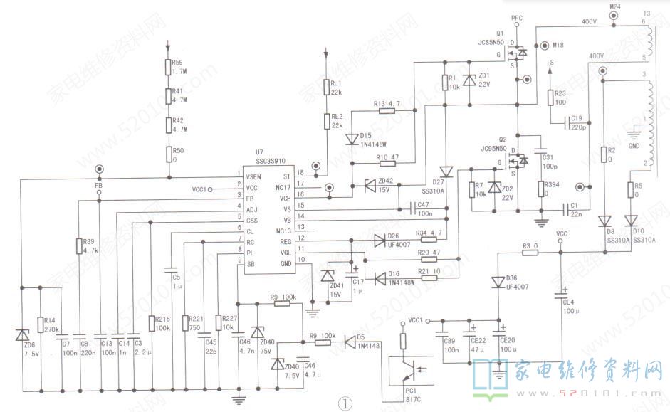
例1:一台50G2A型机,三无,在创维168P-L5K01C-00开关电源中,SSC3S910(U7)与Q1、Q2、T3、C1组成LC功率转换电路,输出12V电压,如图1所示。U7①脚为交流AC检测端,外接分压电阻R50、R59、R41、R42、R14及稳压管ZD6等元件,当此脚电压低于1.15V时,U7停止输出驱动脉冲。
正常时,①脚电压为1.3V。整流后的市电电压经RL1.RL2限流,通过18脚给IC内电流源向②脚外接电容充电,当②脚电压达到14V时,②脚内部的LDO电路输出12V电压,IC启动工作,11、16脚输出驱动脉冲,LLC电路振荡工作,开关变压器T3初级①-③、①-②绕组的感应电压分别通过D8、D10整流,CE4滤波得到vCC电压,经D36给U7以取代启动供电。LIC电路工作后,振荡电容C1两端电压经C19.R23、R221.C45平滑滤波后送入⑦脚,用于限制LLC最大工作电流。T3次级输出12V、48V电压,分别供给主板和背光电路。U7③脚( FB )外接稳压电路,在内电路作用下,调整①、⑥脚驱动输出相位和脉宽,以实现输出电压的稳定。
在创维液晶彩电中,采用本型开关电源的主要有50G2A、55F5等机型。拆机,检测电源保险管完好。上电,测电容CE1.CE2两端有300V电压,但12V、24V输出电压均为0V;测U7②脚(vCC)电压仅为10.5V,正常时应为14V左右。断电,检查⑧脚外围元件及②脚外接电容CE22、CE20,均正常。测①脚电压为1.1V ,偏低。检查①脚外接元件,发现电阻R59阻值增大,将其换新后试机,故障排除。
例2:一台50G2A型机,三无。上电,测得开关电源输出的12V、24V电压约为0V;断电,测12V、24V整流管无短路,电源保险管完好。再上电,测U7 2脚电压为13.8V,且不稳定,检查①脚、⑧脚外接元件,均正常;测12脚(REG)电压仅为7.8V,正常时应为12V,怀疑U7内LDO 调整器异常,但更换U7后故障依旧。U7②脚外接有稳压管ZD41、干扰吸收电容C17和二极管D26,代换ZD41后试机,故障排除,看来本机故障原因应是ZD41性能不良。相关电路参见图1。
例3:一台55F5 型机,三无。测得开关电源输出的12V、48V均为0V,U7②脚(vCC )电压为14.1V,12脚、14脚电压分别为9V、7.6V,明显偏低。检查12脚外接元件ZD41、C17正常,替换12脚、14脚之间的二极管D26后检测,12脚电压升至12V,14脚电压升至208.8V,开关电源输出的12V、48V正常,故障排除。
提示:D26与C47、Q1、Q2组成一个自举升压电路,当LLC电路启动后,U7 15脚浮地电压上升,在C47作用下14脚电压抬高,为⑥脚高边驱动器提供高电压。由于D26工作频率较高,所以采用恢复二极管。相关电路参见图1。
例4:一台55F5型机,上电后指示灯亮,但二次不开机。测开关电源12V输出正常,但48V输出电压为0V,且PFC电压为300V,说明PFC电路没工作。该机PFC电路由FA5696N(U11)与Q26、L1、D9组成。测U11⑧脚供电为0V,明显异常。该组供电来自主开关电源的VCC电压,如图2所示。
Q4、PC1等元件组成的开/待机控制电路,Q23、ZD8等元件组成串联稳压电路。测得Q23 的c极电压为18V,但b极电压为0V,不正常。试将PC1③、④脚短接,Q23的b极电压仍为0V,说明电阻R283开路。代换R283后,Q23的e极输出16V电压,PFC电压升至390V,主开关电源输出的12V、48V恢复正常,故障排除。
例5:一台50G2A型机,三无。测电源保险管正常。通电,测12V输出为0V,U7②脚(VCC)电压为14.1V(表明18脚启动供电通道无故障),12脚电压为12V。检查Q1、Q2、D26及Q1、Q2栅极相关元件,未发现异常;代换C1后故障不变,检查U7⑦脚外接的电流检测元件均正常。u7⑨脚(SB )外接开/待机控制光耦PC1,参见图1。
正常工作时,该脚电压约为5V,若该脚电压低于0.5V,则IC自动进入待机间歇振荡模式。待机时,PCI截止,U7⑨脚电压下降,U7进入待机状态。上电,测得U7⑨脚电压低于0.5V,检查其外围元件,发现稳压管ZD40软击穿,换新ZD40后故障排除。
例6:一台55F5型机,三无。上电,测得12V输出电压瞬间有输出但随即降为0V,怀疑故障系保护启动所致。测U7 2脚电压为13.9V,且波动;③脚(FB)电压为0.19V (正常值约为0.4V),12脚正常电压值为12V。检测U7③脚外围电路,发现该脚外接由Q22.Q7、ZD33组成的12V过压检测电路。当12V过压时,ZD33击穿,Q22、Q7迅速饱和导通,在光耦PC2作用下,U7③脚电压下降。检查上述电路,发现Q22的c、e极击穿。更换Q22后试机,故障排除。
