创维43E3500(8S62机芯)开机几分钟后自动关机的维修

2022-02-24 05:26:31  阅读 722 次 评论 0 条
摘要:

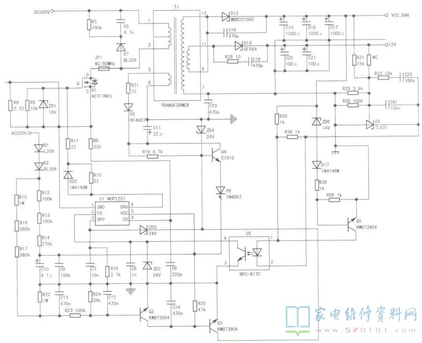
接修一台43E3500型机(8S62机芯),开机几分钟后自动关机,同时电源指示灯也熄灭。根据故障现象分析,判定故障出在开关电源12V形成电路中。该机电源组件型号为168P -L3N01A-01,其12V

         接修一台43E3500型机(8S62机芯),开机几分钟后自动关机,同时电源指示灯也熄灭。根据故障现象分析,判定故障出在开关电源12V形成电路中。该机电源组件型号为168P -L3N01A-01,其12V电压形成电路由电源芯片NCP1251与开关管Q1、变压器T1组成,如图所示。

创维43E3500(8S62机芯)开机几分钟后自动关机的维修 第1张

             U3(TL431).U2(光电耦合器)及NCP1251②脚(内部电路)组成稳压反馈回路。开机测得300V电压稳定,但NCP1251⑤脚供电不稳定。检测⑤脚启动供电元件,未发现异常。接下来检测NCP1251③脚(OPP)外接的AC交流检测电路,该电路由R15~R17.R22~R24.Q2.Q3和zD5组成。断开Q3试机,故障仍出现,由此判定故障与此电路无关。光电耦合器U2初级连接由ZD6、D17、Q5等元件组成的oVP检测电路。取下Q5试机,故障不再出现,由此判定此部分电路有问题。经查,ZD6(14V稳压管)软击穿,将其换新后故障排除。

版权声明:本文为转载文章,版权归原作者所有,欢迎分享本文,转载请保留出处!