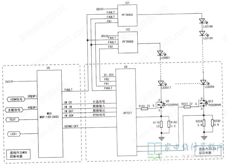
创维168P-L5K015-00型电源二合一板主要用于创维55X5、50U2.55M5型等液晶彩电中,其灯条控制电路如图1所示,主要有以下三大部分:一是LED灯供电电路,主要由升压控制芯片IC1、IC2(均为PF7900S )及其外围元件组成,36V电压经升压得到V-OUT1.V-OUT3供电电压,供给12路灯条;二是LED条灯驱动电路,由驱动控制芯片IW7027(U4 )及外围元件组成;三是MCU控制电路,由MCU芯片MSP430-2433(U5 )及其外围元件组成。
开机后U5接收主板发出的SPI信号(4线),经过内部解码后发出U4芯片能识别的指令。U5与U4通过SPI通讯协议进行数据传输。36V电压经IC1.IC2为核心的升压电路后输出80V左右的电压,供给LED灯条。通过亮度信号控制IC1、IC2的工作状态,从而控制LED灯条供电电压。同时,U4通过控制恒流控制MOS管的导通程度,调节对应LED灯条的电流。维修中常会遇到该灯条控制电路软件烧录问题,现将方法介绍如下:
1.硬件连接
先将烧录小板的USB口与电脑连接,再将杜邦线与小板连接,4针接口端连接电源板(电源板无需上电),具体连接方法如图2所示,即电源板上的3.3V、TEST、RE-SET、GND端分别与小板上的3.3V、TST、RST、GND端相连。
2.驱动安装
虽然该烧录小板无需安装单独驱动,但需安装CCS6.0编程器软件,具体安装步骤如图3~图8所示。
待CCS6软件安装成功后,连接,上烧录小板,电脑的设备管理器中就会显示对应端口,如图9所示。
3.烧录步骤
(1)选择“FETPro430Lite.exe"软件,如图10所示,双击打开,出现烧录界面,如图11所示。
(2)先点击“Opencodefile",选择对应的txt数据,然后点击芯片群组“Group" ,选择MSP430G2XX,如图12所示。
(3)将芯片型号选为“MSP430G2553" ,再将右侧“En-able Blank Check”前面的框中填上钩。
(4)点击“AUTO PROG"按钮,在跳出来的警告框中选择“否”,如图13所示,此时系统进入烧录状态,如图14所示。

当出现“Pass"字符后如图15 所示,表示软件烧录已完成。