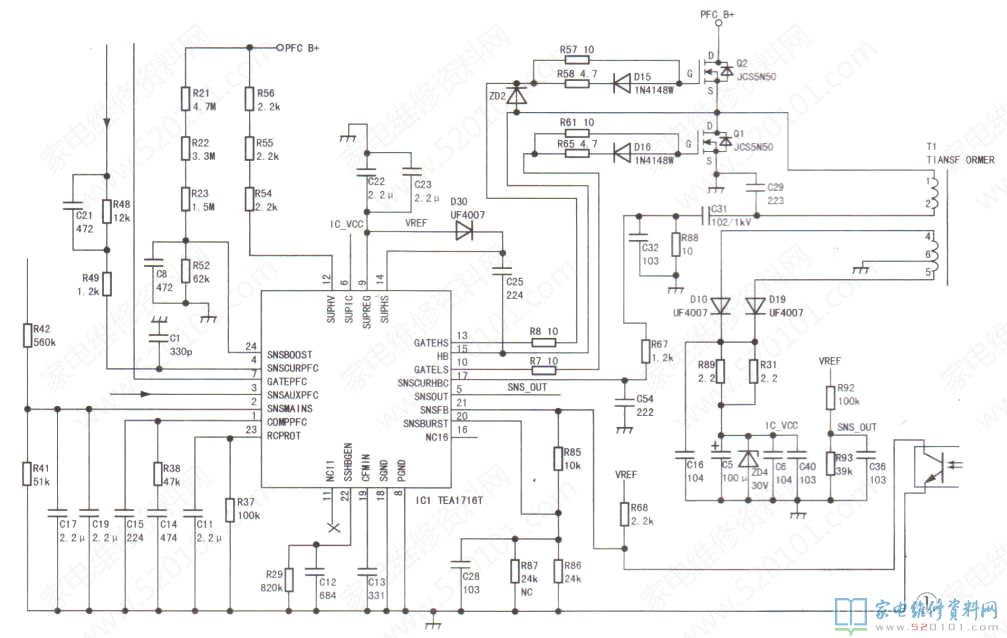
一台创维50E6200型液晶彩电,上电后指示灯不亮,按“开/待机”键无反应。拆机检查,上电测得滤波电容C7两端电压为300V,但12V、24V输出电压全为0V。此机电源板板号为168P-P5LO1B-00, 控制芯片为TEA1716T(IC1,内置PFC控制与PWM驱动电路),如图1所示。
前面测得电容C7两端电压为300V,说明IC1内部的PFC振荡电路未工作。实测IC1②脚与地已短路,且该脚外接的3只2.2k2电阻R54~R56已烧黑,开关管Q1.Q2 短路,保险管烧断,稳压管ZD2( 8V)击穿。将上述损坏元件全部更换后上电,测得C7两端电压.已升至380V,说明PFC电路已正常,但12V、24V 输出电压仍为0V。转向检查PWM电路,发现Q2的G极所接电阻R8(102)已开路。将其换新后试机,故障排除。相关实物如图2、图3所示。
版权声明:本文为转载文章,版权归原作者所有,欢迎分享本文,转载请保留出处!
