创维8000-2199A彩电视频输入黑屏故障维修

2019-09-15 18:29:41  阅读 452 次 评论 0 条
摘要:

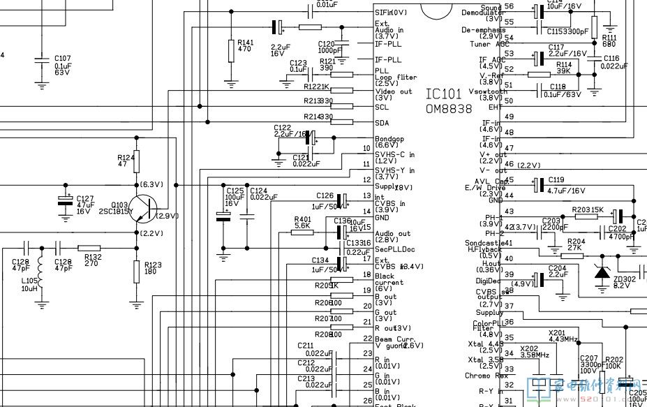
接修一台创维数码8000-2199A彩电,故障是视频输入一直是黑屏,查视频输入端(17)脚击穿。分析可以改由内视频输入代替之拆下C126,从C134正端跳线到C126正端,把视频输入改接到(13)脚内视

        接修一台创维数码8000-2199A彩电,故障是视频输入一直是黑屏,查视频输入端(17)脚击穿。分析可以改由内视频输入代替之拆下C126,从C134正端跳线到C126正端,把视频输入改接到(13)脚内视频输入端;伴音部分把C403正极焊脱,A1跳线到C403正极。开机,在TV状态  图声接好皆好,且音量控制正常。15分钟即可使OM8838起死回生。

附:创维8000-2199A彩电(3P20机芯)电路原理图下载

创维8000-2199A彩电视频输入黑屏故障维修 第1张

版权声明:本文为转载文章,版权归原作者所有,欢迎分享本文,转载请保留出处!