一、总要概述。 
1:此内置电源的型号为168P-P32TLF-10(534L-0932TL-00)
2:此电源所用到的PCB板型号为5800-PLCD26-00(此pcb如修更改则在后面升级,如5800-PLCD26-01,依此类推)
3:此32寸液晶电源板,输入电压范围为AC110~240,输出电压情况为5V/0.5A、24V/8A、12V/3A三组直流电源.具体的电源规格描述如附件一。
4:此电源主方芯片为FUJI(富士电机)的F9222,半桥谐振电路。
二、各电路的组成部份。
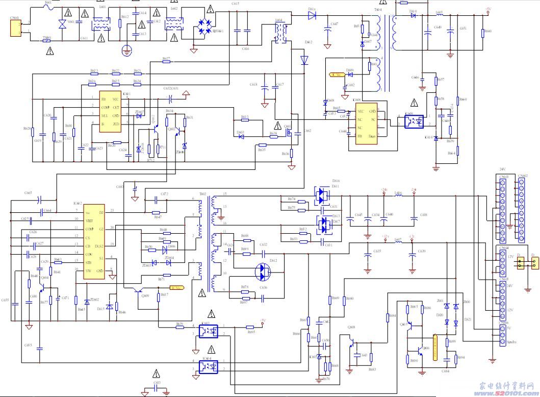
本电源板电路大致由五大部分组成.1、市电输入电路与整流滤波电路。由电感电容组成的低通滤波器组成。2、PFC(功率因素校正)校正电路,由FUJI控制芯片FA5500组成。3、控制电路。这部份电路由两部份组成。A:副电源(+5待机开关稳压电路);由安森美公司的NCP1014组成。此电路为反激式电路,NCP1014集成了开关管MOSFET,为单片集成块。B:+24V、12V主开关稳压电路)。由FUJI的厚膜芯片F9222组成此电路此电路为半桥谐振式电路。此芯片集成了半桥电路是作为桥臂的两个开关管,此芯片为厚膜块。4、各控制电路输出侧整流稳压电路。输出整流电路由二极管组成的全波整流电路。5、过流过压保护电路与待机控制电路。本产品的电路由两部份组成。主电路与辅助电路组成。具体如图1-1所示
 
 
 
 
整体线路图
 
 
 
 
 
 
 
三、各电路分述。
1.3.1EMI防护与滤波电路交流输入与EMI滤波电路。基本工作过程为,市电经由L601/602/、C601,C602/RBV601等组成的整流滤波电路后转变成脉动直流.L601/602/、C601,C602/RBV601等组成的整流滤波电路主要是防止外界的杂讯信号对电源的干扰以及电源的开关杂讯对电网产生的干扰。此部份电路的作用就是我们熟称为的EMI抑制电路。开关电源虽然具有许多优点并得到广泛的应用,但由于它具有严重的射频干扰,在线性电路中的应用一直受到很大的限制(线性电路此干扰比较小)。
而开关电源是把工频交流整流为直流后,再通过开关变为高频交流,其后再整流为稳定直流的一种电源,这样就有工频电源的整流波形畸变产生的噪声与开关波形产生的噪声。在输入侧泄露出去就表现为传导噪声和辐射噪声, 在输出侧泄露出去就表现为纹波。同时外部噪声会进到电子设备中,而供给负载的电源噪声也会泄露到外部。若电源线中有噪声电流通过,电源线就相当于天线向空中辐射噪声。而这些噪声都会影响设备的正常工作。要想使其得到更广泛的应用,满足电磁兼容性的有关指标,就需要有效地抑制开关电源的干扰。传导干扰及其抑制措施从导线传入的干扰称为传导干扰,其干扰能量通过导电体进行传播,开关电源的输入、输出引线都是传导干扰的媒介。开关电源产生的干扰会沿电源引线进入电网,污染电网,使同一电网的电子设备受到干扰。同时电源的输出线还将把干扰噪声传递给负载,使作为电源负载的电子设备直接受到干扰,当这种干扰幅度若大到一定程度,会影响线性电路和一些小信号电路的正常工作。由于传导干扰主要是通过输入输出引线进行传播,因而相对来说传导干扰的抑制要容易些,主要方法是加接输入输出滤波器。
在开关电源的输入侧要介入电容与电感构成的滤波器,用于抑制交流电源产生的EMI,而该滤波器也称为电磁兼容(EMI)滤波器。其电路如图1-4所示。
 
 
 
图1-4
 
该滤波器是一典型的低通滤波器,使开关电源产生的一些高频脉冲干扰经过它后得到极大的衰减,能较好的滤除来源于电网或者传入电网的干扰,使其符合CCC(中国3C)FCC(美国)、CE(欧共体)、VDE(德国)等标准。
图中L601、L602为共模扼流圈,它是绕在同一磁环上的两只独立的线圈,圈数相同,绕向相反,在磁环中产生的磁通相互抵消,磁芯不会饱和,主要抑制共模干扰,感值愈大对低频干扰抑制效果愈佳。这样绕制的滤波电感抑制共模干扰的性能大大提高。C614、C613为共模电容(也叫Y电容),主要抑制共模干扰,即火线和零线分别与地之间的干扰。电容值愈大对低频干扰抑制效果愈好,在这里选用2200PF/250V-270V。C611、C612为差模电容(也叫X电容),主要抑制差模干扰,即抑制火线和零线之间的干扰。电容值愈大对低频干扰抑制效果愈佳,在这里选用0.47uF/300V。
图中CN601为插座,接电网电压。F601为保险丝,电路中采用了规格为5A/250V的保险丝,它在高压时熔断,可防止设备在突发的高压时引起的破坏。TH601为负温度系数热敏电阻,开机瞬间温度低,阻抗大,防止电流对回路的浪涌冲击。常温下其规格为3A/5Ω。R612对抗干扰电容起泄放作用,可于关机后迅速消耗掉C611与C612上储存的电能,防止带电损耗元件。它们的规格都为1MΩ,一般采用金属釉材料。总之从输入端子CN601到桥堆RBV601这段电路主要起防干扰与抗干扰的作用。
1.3.2 经整流后的脉动电压分别送入后面两路独立的开关稳压电源
一路给待机电路.;
一路给主电路;其中主电路需经PFC电路.PFC电路是将整流后的脉动电压转换成380-400V的直流电压。主电路将380V-400V的直流电压变换成主板各种需求的电压.。
 
1.待机电路此待机芯片为安森美公司的NCP1014,它是一个集成块,里面集成了控制芯片与开关管。它的外形图如图1-5所示
 
 
 
图1-5
 
待机电路由待机控制芯片IC608(NCP1014)与T604以及D610等元器件组成一个反激式电路。此电路输出一个稳定的5V电压。它能够带动一个0.5A的负载。如图1-6所示
 
 
 
图1-6
交流输入的电压经过桥堆整流后再经D61X隔离,经C647储能,经变压器T604到IC608里面的开关管,从而形成一个开关回路。与输出整流电路构成一个反激式电源电路。此反激式电路输一个稳定的5V电压,此5V电压主要给LCD主机上的待机CPU供电。使整机处于待命状态中。在该电源中,IC608为一集成有开关管的脉宽调制稳压模块,R660/664IC610/609等组成了稳压误差取样电路。正常工作时候,本电源板+5V电源始终保持稳定的5V输出。此待机芯片为安森美公司的芯片,里面集成了控制电路与开关管。此芯片最大输出功率可做到14W。内部方框图如图1-7。
 
 
 
图1-7NCP1014内部方框图
每个脚的功能如下:
1)Pin1脚VCC脚,即芯片的电源供应脚。此脚为芯片提供能源脚。此脚的正常工作电压是7.1V至9.1V之间。低于7.1V芯片不工作。高于9.1V芯片作过压保护,即也不工作。在本线路中通过变压器的辅助绕组产生一个电压为此芯片提供一个工作电压。在电路是通过D608,C653,R605,C652达到实现此目的。
2)Pin2脚为空脚,此脚不用接元器件。
3)Pin3脚和Pin7脚以及Pin8脚为芯片的控制芯片接地脚。
4)Pin4脚为反馈脚,将输出的电流情况通过此脚反馈给芯片,从而去控制开关管的导通时间,来达到输出电流变化时达到输出电压恒定的作用,即不管我输出负载怎么变化,输出电压始终会保持一个恒定的电压范围。从而达到稳压作用。在线路图中通过光电耦合器传递给反馈脚。如线路图中的IC609。[Page]
5)Pin5脚为高压进入集成块里面的开关管的漏极。
 
此待机电路的简要工作过程:
R660与R664为分压电阻,此两个电阻的分压值的取值决定了输出电压的大小。因为IC610为431,R端既R660与R664的连接处为一个恒定的2.5V电压。我们输出电压的设定为Vout=2.5/R664*(R660+R664).当R660与R664的比值一定以后,则输出电压就设定好了。输出电流的变化情况则是通过取样IC610传递给光耦再反馈给控制芯片。
 
2.主电源电路:主电路由PFC电路(IC601与L602等组成PFC)与半桥谐振变换器(IC602与T602组成半桥电路)两部份构成.由PFC电路(是一个升压电路)输出后的稳压的380V-400V的直流电压送至(由IC602/T602组成的)半桥式开关稳压电源,经变压器T602后输出稳定的+24V/8A和+12/3A两组电压。1、PFC电路。此有源PFC的控制芯片为FUJI(富士电机)公司的FA5500它是峰值电流模式的控制芯片。芯片如图1-8所示
 
 
 
具体脚位功能如下
 
 
 
1》Pin1脚FB脚,即反馈脚。
2》Pin2脚comp脚。
3》Pin3脚MUL脚。为芯片内部乘法器输出脚。
4》Pin4脚IS脚。此脚用以检测功率大小。最大电压值小于1V。
5》Pin5脚ZCD脚,此处为方波电压。
6》Pin6脚接地脚
7》Pin7脚OUT脚。驱动输出脚。后面接开关管。
8》Pin8脚VCC脚,芯片的供电脚。供电电压为12V-20V。2、:主电路控制芯片为FUJI(富士电机)公司的F9222L控制芯片。此芯片为集成有大功率开关管和控制芯片在内的电源厚模块。它内部集成了上下两个开关管,它工作在半桥谐振状态。即工用在零电压与零电流的工作模式;
 
图1-9是它的外观
 
 
 
图1-9外观图
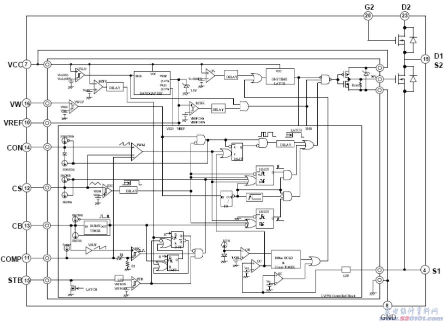
图1-10是它的内部与各PIN脚功能图
 
 
 
图1-10
 
F9222L芯片各控制功能如下。
1》Pin4脚S1脚,内部集成的开关管的下管的漏极,也是控制芯片的检测感应脚。。
2》Pin7脚VCC脚。芯片的供电脚,正常供电范围是16.5-20.5V。
3》Pin8脚GND脚。为芯片内部接地脚。
4》Pin10脚Vref脚。此脚为参考电压脚。电压范围是4.75-5.25V之间。
5》Pin11脚COMP脚,此脚为电压反馈脚,用以保持输出电压的稳定。
6》Pin12脚CS脚,芯片的软启动脚。
7》Pin13脚CB脚,工作于跳跃周期控制脚。
8》Pin14脚CON脚,芯片的时钟控制脚。
9》Pin15脚STB脚,芯片待机模式控制脚。
10》Pin16脚VW,电压检测脚。
11》Pin20脚G2脚,芯片集成的开关管中的上管栅极驱动脚。
12》Pin23脚D2脚,高压输入脚。
 
四、整体的各电路的描述以及各电路之间的相互关系
 
工作过程:
只要我们接上电源插座,待机电路将开始工作。待机电路工作的目的是给主板中的待机芯片供电,以及遥控接受器供电。同时还给电源本身的变换器的控制芯片供电。其主电路受控于待机控制信号,由主板中的待机控制芯片发出控制信号,来控制主电源控制芯片的VCC,即芯片的工作电压,用以达到控制主电路的有无。
当遥控接受到开机信号后,由主板待机CPU给输出一个开机的高电平,此高电平将使Q608导通,经IC603,使Q609导通.从而为IC601,IC602提供工作电压,使它们开始工作,IC601工作,将经过隔直二极管D602输出一个稳定的380V-400V的直流电压,此电压给半桥变换器,半桥变换器再将此电压变换成一个稳定的24V.12V输出电压。
 
待机控制过程为:
A、本电源由T604,IC608,IC609,IC610,D610等组成一个简单的反激电路,此电路将市电经整流后的电压转换成一个稳定的+5V输出电压,此+5V输出电压为CN606的第一脚,此电压只要将交流电源接上就应有输出,它主要给主板中的CPU提供一个工作电压,使它维持在工作状态,以便接受遥控开关机信号。
B、控制方式:本电源为高电平控制方式,即高电平时输出+24V与+12V,低电平时不输出电压,它主要控制IC602与IC601的VCC电压(IC的工作电压)。控制过程,当CPU接到一个开机信号时将输出一个高电平到CN606的第3脚,此电压使Q608饱和导通,从而Q609导通,从而IC602与IC601开始工作,于是将提供一个+24V(CN603的6,7,8,9,10脚以及CN605的1,2脚)与+12V(CN604的1,2脚与CN605的5脚)。当IC601工作后,IC608输入的电压是一个稳定的380-400V的电压,当待机时因IC601没有工作电压,此时IC601不工作,IC608是由市电经整流再经D602再转换成+5V输出电压。
 
五、维修记要与案例
1.修理前先目测,细观察整个不良板有无烧器件,损坏器件、元器件虚漏焊等现象.然后进行如下的几个流程开始检修。A:有无5V待机输出。B:有无待机控制电平,待机控制电平需要高于2.0V。C:有无+12V,+24V输出。
2.检修流程示意图
 
 
 
 
 
 
 
 
 
 
 
 
六、电源应用机型表电源通用于公司目前生产的32寸与背光分开的液晶电视等机芯,下图是电源搭配表
 
 
 
 
七、附件电源产品规格书
一、产品应用说明本品为AC-DC电源供应器,适应于32寸和32寸以下液晶电视内置电源。
二、产品特点A、本产品为自冷形式。B、有过压,过载保护功能。电源因过压,过载,短路时会自动进入保护状态,当故障排除后电源需重新启动才能恢复工作。1、24V输出电压超过26-32V时进入保护状态。12V输出电压超过13-16V时进入保护状态。2、当24V输出电流超过12-23A时进入保护状态。3、有短路保护功能。正负极短路,电源进入保护状态。C:电磁兼容要求。符合GB9254B级的要求。D:电源工作效率大于80%(输入电压为220V满载时)。E:满载时功率因素大于0.90。F:工作和贮藏环境1、工作环境温0℃一40℃。2、使用环境相对湿度20%一85%3、贮存环境温度-40℃一55℃4、贮存环境相对湿度10%-95%
三、输入范围:
 
 
 
 
 
 
 
备注:STANDBY为高电平触发,电压不得低于2V。在测试纹波和杂讯时需在每组输出端并联一个0.1uf的瓷片电容和10uf的电解电容。采用20MHZ的示波器和同轴探头去测量。
 
五、以下为安全器件与规格
 
 
 
 
		
		
		1:此内置电源的型号为168P-P32TLF-10(534L-0932TL-00)
2:此电源所用到的PCB板型号为5800-PLCD26-00(此pcb如修更改则在后面升级,如5800-PLCD26-01,依此类推)
3:此32寸液晶电源板,输入电压范围为AC110~240,输出电压情况为5V/0.5A、24V/8A、12V/3A三组直流电源.具体的电源规格描述如附件一。
4:此电源主方芯片为FUJI(富士电机)的F9222,半桥谐振电路。
二、各电路的组成部份。
本电源板电路大致由五大部分组成.1、市电输入电路与整流滤波电路。由电感电容组成的低通滤波器组成。2、PFC(功率因素校正)校正电路,由FUJI控制芯片FA5500组成。3、控制电路。这部份电路由两部份组成。A:副电源(+5待机开关稳压电路);由安森美公司的NCP1014组成。此电路为反激式电路,NCP1014集成了开关管MOSFET,为单片集成块。B:+24V、12V主开关稳压电路)。由FUJI的厚膜芯片F9222组成此电路此电路为半桥谐振式电路。此芯片集成了半桥电路是作为桥臂的两个开关管,此芯片为厚膜块。4、各控制电路输出侧整流稳压电路。输出整流电路由二极管组成的全波整流电路。5、过流过压保护电路与待机控制电路。本产品的电路由两部份组成。主电路与辅助电路组成。具体如图1-1所示
 
 
整体线路图
 
 
 
 
三、各电路分述。
1.3.1EMI防护与滤波电路交流输入与EMI滤波电路。基本工作过程为,市电经由L601/602/、C601,C602/RBV601等组成的整流滤波电路后转变成脉动直流.L601/602/、C601,C602/RBV601等组成的整流滤波电路主要是防止外界的杂讯信号对电源的干扰以及电源的开关杂讯对电网产生的干扰。此部份电路的作用就是我们熟称为的EMI抑制电路。开关电源虽然具有许多优点并得到广泛的应用,但由于它具有严重的射频干扰,在线性电路中的应用一直受到很大的限制(线性电路此干扰比较小)。
而开关电源是把工频交流整流为直流后,再通过开关变为高频交流,其后再整流为稳定直流的一种电源,这样就有工频电源的整流波形畸变产生的噪声与开关波形产生的噪声。在输入侧泄露出去就表现为传导噪声和辐射噪声, 在输出侧泄露出去就表现为纹波。同时外部噪声会进到电子设备中,而供给负载的电源噪声也会泄露到外部。若电源线中有噪声电流通过,电源线就相当于天线向空中辐射噪声。而这些噪声都会影响设备的正常工作。要想使其得到更广泛的应用,满足电磁兼容性的有关指标,就需要有效地抑制开关电源的干扰。传导干扰及其抑制措施从导线传入的干扰称为传导干扰,其干扰能量通过导电体进行传播,开关电源的输入、输出引线都是传导干扰的媒介。开关电源产生的干扰会沿电源引线进入电网,污染电网,使同一电网的电子设备受到干扰。同时电源的输出线还将把干扰噪声传递给负载,使作为电源负载的电子设备直接受到干扰,当这种干扰幅度若大到一定程度,会影响线性电路和一些小信号电路的正常工作。由于传导干扰主要是通过输入输出引线进行传播,因而相对来说传导干扰的抑制要容易些,主要方法是加接输入输出滤波器。
在开关电源的输入侧要介入电容与电感构成的滤波器,用于抑制交流电源产生的EMI,而该滤波器也称为电磁兼容(EMI)滤波器。其电路如图1-4所示。
 
 
图1-4
该滤波器是一典型的低通滤波器,使开关电源产生的一些高频脉冲干扰经过它后得到极大的衰减,能较好的滤除来源于电网或者传入电网的干扰,使其符合CCC(中国3C)FCC(美国)、CE(欧共体)、VDE(德国)等标准。
图中L601、L602为共模扼流圈,它是绕在同一磁环上的两只独立的线圈,圈数相同,绕向相反,在磁环中产生的磁通相互抵消,磁芯不会饱和,主要抑制共模干扰,感值愈大对低频干扰抑制效果愈佳。这样绕制的滤波电感抑制共模干扰的性能大大提高。C614、C613为共模电容(也叫Y电容),主要抑制共模干扰,即火线和零线分别与地之间的干扰。电容值愈大对低频干扰抑制效果愈好,在这里选用2200PF/250V-270V。C611、C612为差模电容(也叫X电容),主要抑制差模干扰,即抑制火线和零线之间的干扰。电容值愈大对低频干扰抑制效果愈佳,在这里选用0.47uF/300V。
图中CN601为插座,接电网电压。F601为保险丝,电路中采用了规格为5A/250V的保险丝,它在高压时熔断,可防止设备在突发的高压时引起的破坏。TH601为负温度系数热敏电阻,开机瞬间温度低,阻抗大,防止电流对回路的浪涌冲击。常温下其规格为3A/5Ω。R612对抗干扰电容起泄放作用,可于关机后迅速消耗掉C611与C612上储存的电能,防止带电损耗元件。它们的规格都为1MΩ,一般采用金属釉材料。总之从输入端子CN601到桥堆RBV601这段电路主要起防干扰与抗干扰的作用。
1.3.2 经整流后的脉动电压分别送入后面两路独立的开关稳压电源
一路给待机电路.;
一路给主电路;其中主电路需经PFC电路.PFC电路是将整流后的脉动电压转换成380-400V的直流电压。主电路将380V-400V的直流电压变换成主板各种需求的电压.。
1.待机电路此待机芯片为安森美公司的NCP1014,它是一个集成块,里面集成了控制芯片与开关管。它的外形图如图1-5所示
 
 
图1-5
待机电路由待机控制芯片IC608(NCP1014)与T604以及D610等元器件组成一个反激式电路。此电路输出一个稳定的5V电压。它能够带动一个0.5A的负载。如图1-6所示
 
 
图1-6
交流输入的电压经过桥堆整流后再经D61X隔离,经C647储能,经变压器T604到IC608里面的开关管,从而形成一个开关回路。与输出整流电路构成一个反激式电源电路。此反激式电路输一个稳定的5V电压,此5V电压主要给LCD主机上的待机CPU供电。使整机处于待命状态中。在该电源中,IC608为一集成有开关管的脉宽调制稳压模块,R660/664IC610/609等组成了稳压误差取样电路。正常工作时候,本电源板+5V电源始终保持稳定的5V输出。此待机芯片为安森美公司的芯片,里面集成了控制电路与开关管。此芯片最大输出功率可做到14W。内部方框图如图1-7。
 
 
图1-7NCP1014内部方框图
每个脚的功能如下:
1)Pin1脚VCC脚,即芯片的电源供应脚。此脚为芯片提供能源脚。此脚的正常工作电压是7.1V至9.1V之间。低于7.1V芯片不工作。高于9.1V芯片作过压保护,即也不工作。在本线路中通过变压器的辅助绕组产生一个电压为此芯片提供一个工作电压。在电路是通过D608,C653,R605,C652达到实现此目的。
2)Pin2脚为空脚,此脚不用接元器件。
3)Pin3脚和Pin7脚以及Pin8脚为芯片的控制芯片接地脚。
4)Pin4脚为反馈脚,将输出的电流情况通过此脚反馈给芯片,从而去控制开关管的导通时间,来达到输出电流变化时达到输出电压恒定的作用,即不管我输出负载怎么变化,输出电压始终会保持一个恒定的电压范围。从而达到稳压作用。在线路图中通过光电耦合器传递给反馈脚。如线路图中的IC609。[Page]
5)Pin5脚为高压进入集成块里面的开关管的漏极。
此待机电路的简要工作过程:
R660与R664为分压电阻,此两个电阻的分压值的取值决定了输出电压的大小。因为IC610为431,R端既R660与R664的连接处为一个恒定的2.5V电压。我们输出电压的设定为Vout=2.5/R664*(R660+R664).当R660与R664的比值一定以后,则输出电压就设定好了。输出电流的变化情况则是通过取样IC610传递给光耦再反馈给控制芯片。
2.主电源电路:主电路由PFC电路(IC601与L602等组成PFC)与半桥谐振变换器(IC602与T602组成半桥电路)两部份构成.由PFC电路(是一个升压电路)输出后的稳压的380V-400V的直流电压送至(由IC602/T602组成的)半桥式开关稳压电源,经变压器T602后输出稳定的+24V/8A和+12/3A两组电压。1、PFC电路。此有源PFC的控制芯片为FUJI(富士电机)公司的FA5500它是峰值电流模式的控制芯片。芯片如图1-8所示
 
 
具体脚位功能如下
 
 
1》Pin1脚FB脚,即反馈脚。
2》Pin2脚comp脚。
3》Pin3脚MUL脚。为芯片内部乘法器输出脚。
4》Pin4脚IS脚。此脚用以检测功率大小。最大电压值小于1V。
5》Pin5脚ZCD脚,此处为方波电压。
6》Pin6脚接地脚
7》Pin7脚OUT脚。驱动输出脚。后面接开关管。
8》Pin8脚VCC脚,芯片的供电脚。供电电压为12V-20V。2、:主电路控制芯片为FUJI(富士电机)公司的F9222L控制芯片。此芯片为集成有大功率开关管和控制芯片在内的电源厚模块。它内部集成了上下两个开关管,它工作在半桥谐振状态。即工用在零电压与零电流的工作模式;
图1-9是它的外观
 
 
图1-9外观图
图1-10是它的内部与各PIN脚功能图
 
 
图1-10
F9222L芯片各控制功能如下。
1》Pin4脚S1脚,内部集成的开关管的下管的漏极,也是控制芯片的检测感应脚。。
2》Pin7脚VCC脚。芯片的供电脚,正常供电范围是16.5-20.5V。
3》Pin8脚GND脚。为芯片内部接地脚。
4》Pin10脚Vref脚。此脚为参考电压脚。电压范围是4.75-5.25V之间。
5》Pin11脚COMP脚,此脚为电压反馈脚,用以保持输出电压的稳定。
6》Pin12脚CS脚,芯片的软启动脚。
7》Pin13脚CB脚,工作于跳跃周期控制脚。
8》Pin14脚CON脚,芯片的时钟控制脚。
9》Pin15脚STB脚,芯片待机模式控制脚。
10》Pin16脚VW,电压检测脚。
11》Pin20脚G2脚,芯片集成的开关管中的上管栅极驱动脚。
12》Pin23脚D2脚,高压输入脚。
四、整体的各电路的描述以及各电路之间的相互关系
工作过程:
只要我们接上电源插座,待机电路将开始工作。待机电路工作的目的是给主板中的待机芯片供电,以及遥控接受器供电。同时还给电源本身的变换器的控制芯片供电。其主电路受控于待机控制信号,由主板中的待机控制芯片发出控制信号,来控制主电源控制芯片的VCC,即芯片的工作电压,用以达到控制主电路的有无。
当遥控接受到开机信号后,由主板待机CPU给输出一个开机的高电平,此高电平将使Q608导通,经IC603,使Q609导通.从而为IC601,IC602提供工作电压,使它们开始工作,IC601工作,将经过隔直二极管D602输出一个稳定的380V-400V的直流电压,此电压给半桥变换器,半桥变换器再将此电压变换成一个稳定的24V.12V输出电压。
待机控制过程为:
A、本电源由T604,IC608,IC609,IC610,D610等组成一个简单的反激电路,此电路将市电经整流后的电压转换成一个稳定的+5V输出电压,此+5V输出电压为CN606的第一脚,此电压只要将交流电源接上就应有输出,它主要给主板中的CPU提供一个工作电压,使它维持在工作状态,以便接受遥控开关机信号。
B、控制方式:本电源为高电平控制方式,即高电平时输出+24V与+12V,低电平时不输出电压,它主要控制IC602与IC601的VCC电压(IC的工作电压)。控制过程,当CPU接到一个开机信号时将输出一个高电平到CN606的第3脚,此电压使Q608饱和导通,从而Q609导通,从而IC602与IC601开始工作,于是将提供一个+24V(CN603的6,7,8,9,10脚以及CN605的1,2脚)与+12V(CN604的1,2脚与CN605的5脚)。当IC601工作后,IC608输入的电压是一个稳定的380-400V的电压,当待机时因IC601没有工作电压,此时IC601不工作,IC608是由市电经整流再经D602再转换成+5V输出电压。
五、维修记要与案例
1.修理前先目测,细观察整个不良板有无烧器件,损坏器件、元器件虚漏焊等现象.然后进行如下的几个流程开始检修。A:有无5V待机输出。B:有无待机控制电平,待机控制电平需要高于2.0V。C:有无+12V,+24V输出。
2.检修流程示意图
 
 
 
 
 
 
 
 
六、电源应用机型表电源通用于公司目前生产的32寸与背光分开的液晶电视等机芯,下图是电源搭配表
 
 
七、附件电源产品规格书
一、产品应用说明本品为AC-DC电源供应器,适应于32寸和32寸以下液晶电视内置电源。
二、产品特点A、本产品为自冷形式。B、有过压,过载保护功能。电源因过压,过载,短路时会自动进入保护状态,当故障排除后电源需重新启动才能恢复工作。1、24V输出电压超过26-32V时进入保护状态。12V输出电压超过13-16V时进入保护状态。2、当24V输出电流超过12-23A时进入保护状态。3、有短路保护功能。正负极短路,电源进入保护状态。C:电磁兼容要求。符合GB9254B级的要求。D:电源工作效率大于80%(输入电压为220V满载时)。E:满载时功率因素大于0.90。F:工作和贮藏环境1、工作环境温0℃一40℃。2、使用环境相对湿度20%一85%3、贮存环境温度-40℃一55℃4、贮存环境相对湿度10%-95%
三、输入范围:
 
 
 
 
备注:STANDBY为高电平触发,电压不得低于2V。在测试纹波和杂讯时需在每组输出端并联一个0.1uf的瓷片电容和10uf的电解电容。采用20MHZ的示波器和同轴探头去测量。
五、以下为安全器件与规格
 
 
			版权声明:本文为转载文章,版权归原作者所有,欢迎分享本文,转载请保留出处!
			
		
		
		
		
		
		
	