本文笔者最近维修了一台海信LM40V681P( 1NZZ1 )型液晶电视电源,对其电源作了一番探究,现将心得写出与广大同行分享。
一、电路原理
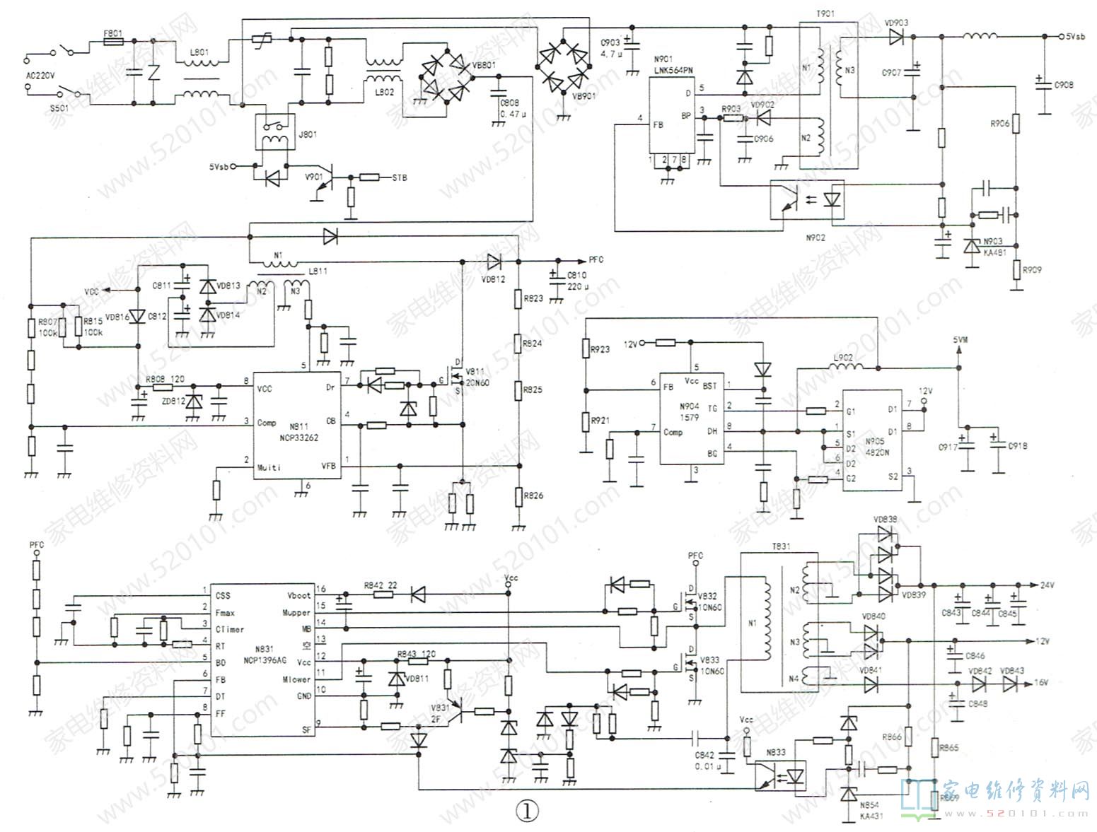
1.交流市电的输入及整流
220V交流市电经电感L801滤波后,一路直接送给副电源整流桥VB901,整流后经C903滤波产生约300V直流电压,专供副电源使用,如图1所示;另一路通过开/待机控制继电器J801后,送给PFC整流桥VB801,整流后经C808滤波产生约300V脉动电压,供PFC电路使用。
2.副电源
液晶电视的副电源通常有两个任务:第一是冷端产生5Vsb(或者3.3Vsb或......直流电压,供主板MCU(或CPU)使用;第二是热端产生10V以上直流电压VCC,在开机状态给PFC驱动芯片主电源驱动芯片供电。本机副电源的任务却只有一个:冷端产生5vsb电压。
该机副电源芯片型号为LNK564PN(N901),集驱动功率输出于一体的IC。引脚功能:①、②、⑦、⑧脚接地;③脚,供电;④脚,反馈;⑤脚,开关管漏极,内部连接启动电路;⑥脚,空。
只要接通市电,300V电压通过T901绕组N1加到N901⑤脚电源起振,绕组 N2产生的感应电压经 VD902、C906整流滤波产生约6V电压,经R903加到N901的③脚,取代启动电压。与此同时,N3绕组产生的感应电压经VD903整流、c907滤波后产生5Vsb电压。
稳压过程:当5Vsb上升时,取样电阻R906、R909连接点电压升高,N903 (KA431) 的R极电压升高,则N903输出误差电流增大,光耦N902导通程度加强,则N901的④脚电压升高,则内部功率管导通时间缩短,T901次级电压下降,这样5Vsb就保持不变。当5Vsb下降时,稳压过程与上述相反。
3.PFC电路
海信LM40V68P型液晶电视PFC电路的任务:-是把300V电压提升到380V,二是产生18V左右的直流电压vCC,给主电源驱动芯片NCP1396AG供电。PFC驱动IC型号为NCP33262(N811),其引脚功能:①脚稳压反馈输入;②脚,误差放大器输出载;③脚,脉动直流电压波形取样输入;④脚,过渡检测输入;⑤脚,过零点检测取样信号输入;⑥脚,接地;⑦脚,激励输出;⑧脚,供电。
二次开机后, 主板送给电源板的STB为高电平,开/待机控制管V901导通,继电器T801吸合,则AC220V电压经VB801、C808整流滤波后产生约300V直流脉动电压,通过R815、R807、R828限流由VZ812稳压,在N811的⑧脚上形成18V左右启动电压,PFC电路起振。电感L811绕组N1产生的交流电压,经续流管VD812整流后与300V电压叠加,经C810滤波在PFC端上形成约400V直流电压供主电源使用。与此同时,电感I811绕组N2产生的交流电压,由以VD813、VD814、C811、C812组成的全波二倍压整流电路整流后,产生23V直流电压vcC,第一路通816取代启动电压,使N811的⑧脚电压维持在18V;第二路给主电源驱动芯片NCP1396AG供电。稳压过程:R823.R824.R825.R826组成PFC输出端取样电路。R826上的电压降送到N811的①脚,然后与基准电压2.5V作比较,比较后产生误差电压,再经放大后去调整V811的导通时间,实现PFC稳压目的。
4.主电源
主电源驱动IC型号为NCP1396AG(N831),其引脚功能①脚,软启动控制;②脚,最高频率设定;③脚,振荡定时电容;④脚,振荡定时电阻;⑤脚,PFC欠压保护检测信号输入;⑥脚,稳压反馈信号输入;⑦脚,死区时间设定;⑧脚,快速保护检测信号输入;⑨脚,延迟保护检测信号输入10脚,地;11脚,下边功率管激励输出;12脚,供电;13脚,空;14脚,上管地;15脚,上功率管激励输出;16脚,上管激励电路自举供电。
当PFC电路工作后,N831的12脚得到18V电压,主电源起振,从N831的11脚、15脚输出相位相反的激励信号,控制V832、V833轮流导通和截止。变压器T831的N2绕组(中间带抽头)产生的感应电压,由二极管VD838、VD839进行全波整流,经C843.C844、C845滤波形成24V直流电压。T831 的N3绕组(中间带抽头)产生的感应电压,由VD840进行全波整流,经C846滤波形成12V直流电压。T831的绕组N4产生的感应电压,由二极管VD841进行半波整流,经C848滤波形成18V直流电压,再经VD842、VD843降压形成16V直流电压。
稳压过程:当24V、12V升高时,R869电压降升高,N834(KA431)的R极电压升高,则N834导通程度加强,光耦N833的导通程度随之加强,则N831的⑥脚电压升高,11脚、16脚输出的激励信号的占空比下V832.V833在-个周期内的导通时间缩短,则输出电压下降;当24V、12V下降时,稳压过程与上述相反。
5VM电压的形成:把主电源输出的12V电压转化为5V电压。N904( 1579 )是驱动IC。N905( 4820N )是功率输出块,其内部只有两只N沟道场效应管,损坏后可以用两只N沟道场效应管来代替。
当N904的⑤脚得到12V供电时,其②脚输出激励信,N905内上管导通;④脚输出的激励信号,N905内C917、C918充电,同时对负载供电,此时电感L902感应电压方向为左正、右负,电感L902储能。当C917、C918充电达5V时,N904的⑥脚取样信号(R923、R921对5V分压所得)达到最高值,则N904输出的激励信号让N905内上管截止、下管导通。此时的电感L902感应方向是左负、右正,则电感释放能量,释放途径:L902右端->负载->地(即S2)->D2->L902左端。当C917、C918电压低于5V时,N904通过⑥脚得到信息,便发出让N905上管导通,下管截止的激励信号,如此反复地循环,使C917、C918两端电压保持5V不变。
二、检修实例
1、故障现象:一台海信LM40V681P 1NZZ1型液晶电视,雷击后电源发出“吱吱”叫声,屏上有很暗的“畅享美好生活”字符在闪动。分析检修:首先测得电源板上相关点电压如下:PFC端为410V,24V端为19V,12V端为7V,18V端为13V,5Vsb端为5.2V。主电源输出都偏低,造成光暗。由于主电源输出的电压偏低,于是重点检查其稳压环路。代换光耦N833后故障仍旧,代换N834(KA431)后通电,“畅享美好生活”字符十分鲜艳,电源叫声消失;接入信号试机,故障排除。
