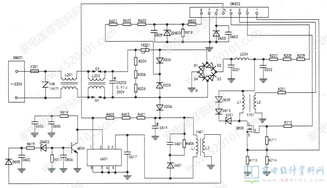
接修一台海信TLM2633D型液晶电视,用户称:接通电源开关后,机内发出“叭叭”声,三无,电源指示灯也不亮。根据故障现象分析,判断开关电源有问题。拆机检查,实绘出开关电源部分电路如图1所示。
  
 
AC 220V电压经高频滤波后分为三路:第一路经D1~D4桥式整流、C201、L004和C202组成的丌型滤波,输出300V直流电供主电源;第二路经D204、D205和D1、D4桥式整流,R627、R623、R620及C809、ZD603、R820滤波稳压,通过插座CN202的⑧脚给小板供电;第三路经D206和D1半波整流、C614滤波,为副电源供电。主电源由开关变压器T701和场效应管Q808等元件组成,副电源由U601(TNY276PN)、T601等元件组成。
  
 
出现白光栅,说明背光电路正常;无图像,说明主板或逻辑板有问题。测得主板LVDS信号端电压均在1.2V 左右,这基本说明主板已输出了LVDS信号,于是转向检查与屏相连的逻辑板。拆开电视前框,发现5V供电保险熔断。接上2A保险试机,图像正常,但几分钟后图像上出现约1cm宽的多条干扰横条。怀疑主板上某组电压纹波过大,用示波器测量相关电压,发现5V电压纹波很大,但拔下屏线后,5V电压纹波很小,这说明干扰来自逻辑板。查看逻辑板上的5V供电走向,发现5V电压与一只场效应管的一脚相连。该场效应管另一脚接有磁芯变压器和整流二极管等元件。测量整流二极管输出电压为13.5V。用两只470uF/35V电容并联在该二极管的输出端,图像上的干扰横带消失,故障排除。
			版权声明:本文为转载文章,版权归原作者所有,欢迎分享本文,转载请保留出处!
			
		
		
		
		
		
		
	