接修一台海信TLM40V68PK液晶电视,该机通电后三无(指示灯亮),二次开机时,能听到机内继电器的吸合声,但不开机。、该机电源板型号为RSAG7.820.1673/ROH.VER.F。将连接至主板的连线插头拔下,在12V和24V端分别接上假负载灯泡,通电测C810 (220uF/450V) 两端电压为373V ,5VS端电压为4.85V,这说明PFC电路和副电源电路工作基本正常。
接下来在5VS和STB端跨接2k电阻强制开机,12V和24V负载灯泡亮,测12V端为11.8V,24V端为23.9V。至此,认为开关电源工作正常。

该机继电器能吸合,说明主板已输出开机指令;机器不能正常开机,可能主板上有问题,故障范围涉及CPU、存储器、直流变换等电路。先检测DC-DC变换电路,低压供电正常。长时间通电后,手摸主芯片及其他芯片无发热现象。会不会是电源带负载能力差所致呢?接上主板,并在12V端接上假负载灯泡试机。按待机键,机器开机,出现蓝屏,反复开/关机依然正常。断电后取下12V端的灯泡,在24V端接上灯泡开机,依然正常。由此看来,故障还是在电源部分。
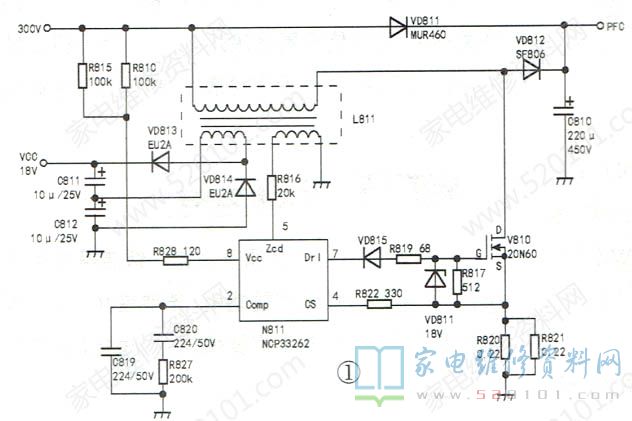
该机主电源芯片为NCP1396AG (N831),其12脚为vcC供电端,电压来自PFC电路。二次开机后,CPU发出的STB信号控制继电器吸合,300V电压经电阻R810、R815、R828加到PFC芯片NCP33262(N811 )的第⑧脚(VCC)端,经过IC内部电路对②脚(Comp,软启动)外接启动电容C819充电,当②脚电压达到设定值时,N811启动,从⑦脚(Dri)输出驱动脉冲,MOS管工作,L811次级绕组产生感应电压,经VD813.VD814、C811.C812整流滤波后,为N831(1396AG)提供工作电源。
上电测得VD813负极电压在8V~8.4V间波动,而正常值应在18V左右。在路检测VD813、VD814无异常,判断C811或C812容量减小。考虑到该机使用时间较长,于是将C811.C812均换为10pF/50V的优质电解电容,通电试机,故障排除。此时测VD813负极电压为17.7V。
提示:此故障为该型电源板的通病。电视机使用时间长后,C811或C812容量减小,则由这两只电容滤波输出的vcC电压下降,从而出现不开机或开机困难故障。此时若在12V或24V端接上假负载,则流过L811的电流增加,L811次级绕组的感应电压也会增加,即VCC电压升高,进而正常开机。