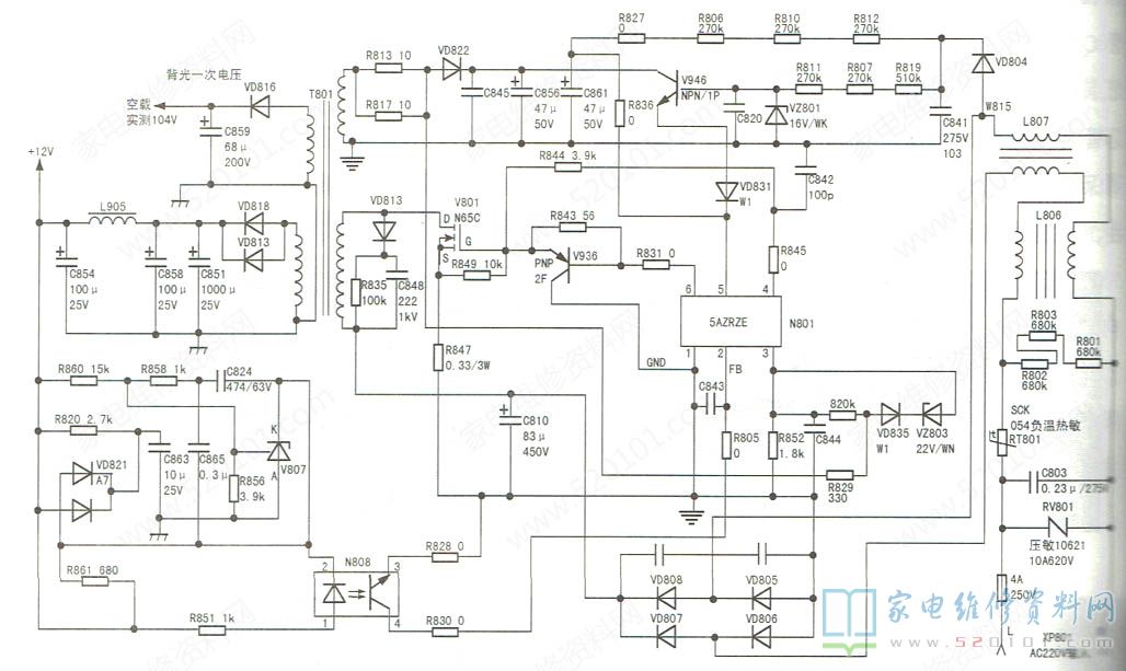
一台海信LED32K300型液晶彩电,雷击后三无。拆机检查,发现芯片N801炸裂,贴片电阻R847开路,贴片三极管V936炸裂。V936c极接地,判断是PNP型。为方便维修,实绘出电源电路,如图1所示。
V801换用P10NK802FP型场效应管,其S极电阻R847换用0.33Ω/3W电阻。N801为贴片6 脚IC,决定换用5A2RZE型IC。V936 换用2F型贴片三极管(PNP,0.8A/60V)。 另外,R844(3.9k)、R843(56Ω)已烧黑,一并换新。通电试机,发现12V输出电压波动明显。转检查稳压电路,发现光耦N808、精密稳压块NS(431),及双二极管VD821(A7 )均已开路,贴片E容C863( 10uF )短路,将上述损坏件全部换新后机,故障排除。
版权声明:本文为转载文章,版权归原作者所有,欢迎分享本文,转载请保留出处!
