康佳LED24HS95液晶电视热机白屏的故障维修

2022-08-29 18:14:57  阅读 924 次 评论 0 条
摘要:

接修一台康佳LED24HS95型液晶彩电,冷机开机正常,一会儿后白,屏,关机后再开仍白屏。开机检查,测得电源板(板号:KPS+L036C1-01,编号34006834)上给主板供电的插座XS951各脚(功

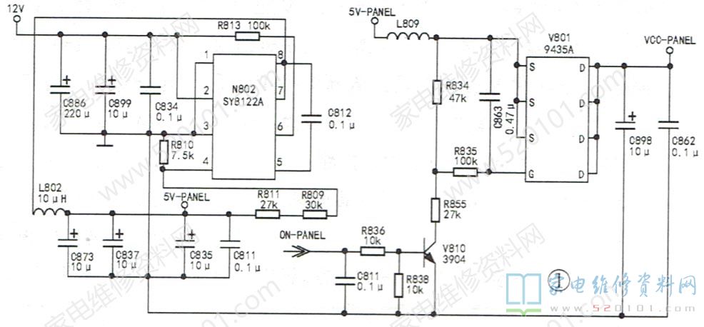
      接修一台康佳LED24HS95型液晶彩电,冷机开机正常,一会儿后白,屏,关机后再开仍白屏。开机检查,测得电源板(板号:KPS+L036C1-01,编号34006834)上给主板供电的插座XS951各脚(功能如下:①、②脚为12V,③脚为EN,④脚为DIM,⑤、⑥脚为GND ,⑦脚为PSON)电压正常,分别是12V、12V、3.2V、3.4V、0V、0V、3.2V,但屏供电5V-PANEL电压不到1V。该机上屏电压控制电路如图1所示。

康佳LED24HS95液晶电视热机白屏的故障维修 第1张

       拆下L802、C873、C837、C835、C811及R809~R811检测,均正常。拆下L802,用手机USB充电器给屏供电,电视机工作正常,判断N802(SY8122A)有问题。该机的+3.3V电压也采用SY8122A(N803)变换,SY8122A的引脚功能见表1。

康佳LED24HS95液晶电视热机白屏的故障维修 第2张

       将该机的N803与N802交换后试机,电视机无反应,测3.3V电压很低,这进一步说明原N802异常。更换N803后,3.3V电压正常且稳定,故障排除。
版权声明:本文为转载文章,版权归原作者所有,欢迎分享本文,转载请保留出处!