长虹LED55C2000i(LM2F)液晶电视不能开机的维修

2022-03-07 18:39:45  阅读 946 次 评论 0 条
摘要:

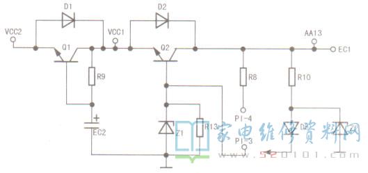
接修一台长虹LED55C2000i(LM2F)型机,故障表现为不能开机。此机采用MPL35D-2MI 400型电源组件。测量主板上12V供电仅为5.5V,断开主板与电源板连接线,电源板输出的12V电压略有

      接修一台长虹LED55C2000i(LM2F)型机,故障表现为不能开机。此机采用MPL35D-2MI 400型电源组件。测量主板上12V供电仅为5.5V,断开主板与电源板连接线,电源板输出的12V电压略有上升,说明故障在电源板上。检查12V稳压电路,如图所示。

长虹LED55C2000i(LM2F)液晶电视不能开机的维修 第1张

     发现Z2在路阻值异常。Z2采用SOT-23封装,其①、②脚接在一起,取下测量其①、③脚的正反向阻值均为2702,②脚对①、③脚阻值都为∞。在Z2旁边有个Z1,封装形式相同,但Z1①、③脚的阻值约为700Ω,判定Z1损坏。Z1 上标示为Y8,查询资料得知其型号为BZX84C22,实为3脚封装的22V稳压二极管。由于手头没有该元件,换上一只2CZ系列的22V稳压二极管后试机,故障排除。

版权声明:本文为转载文章,版权归原作者所有,欢迎分享本文,转载请保留出处!