长虹3D47B4500液晶电视(ZLM41HiS机芯)通电后指示灯亮但二次不开机

2022-01-12 23:17:57  阅读 546 次 评论 0 条
摘要:

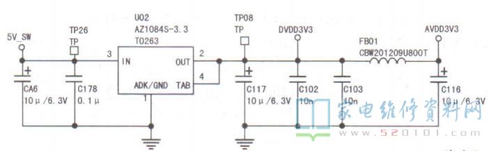
接修一台长虹3D47B4500i型机(机芯:ZLM41HiS),通电后指示灯亮,二次不开机。上电,测得电源板输出的12V电压正常,转向测量主板上的各组供电,发现DVDD3V3电压为0V,明显异常。该组供电

       接修一台长虹3D47B4500i型机(机芯:ZLM41HiS),通电后指示灯亮,二次不开机。上电,测得电源板输出的12V电压正常,转向测量主板上的各组供电,发现DVDD3V3电压为0V,明显异常。该组供电由U02( AZ1084S-3.3)稳压得到,如图1所示。上电,测得U02③脚输入的5V电压正常,但②脚输出电压却为0V。断电后测量U02②脚在路电阻,接近02,逐一检查该脚外接元件,发现电容C103已短路,换新后故障排除。

长虹3D47B4500液晶电视(ZLM41HiS机芯)通电后指示灯亮但二次不开机 第1张

版权声明:本文为转载文章,版权归原作者所有,欢迎分享本文,转载请保留出处!