
(着重对此电路分析,对后续厚膜电路只作关键电路分析)
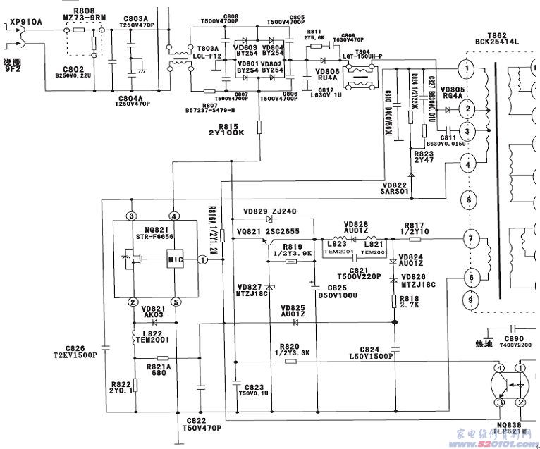
1、交流进级网络产生干扰处理,见图1。
2、厚膜块供电特点:供电脚如 4脚电压反复跳变时,一查二次供电支路,二查VQ821是否击穿或组成的电路有故障。三查稳压电路。
3、2脚过流检测、5脚反馈稳压电路、误差检测NQ823。NQ823使用SE140时,+B输出145V。使用SE125时,+B输出125V,SE115输出+B115V。
电源检修有的人爱用假负载。其实现在的电源不用带载也能维修。较好看负载就是电源本身匹配的电路。某些条件下可用100W灯泡作假负载,以判定电源带载的能力。
电源次级端工作特点
版权声明:本文为转载文章,版权归原作者所有,欢迎分享本文,转载请保留出处!