飞利浦32PFL3403液晶电视副电源电路特点与技改

2022-10-18 19:07:38  阅读 982 次 评论 0 条
摘要:

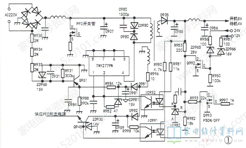
接修一台飞利浦32PFL3403型液晶彩电,电源板上一块芯片已爆裂,碎片,上标有

      接修一台飞利浦32PFL3403型液晶彩电,电源板上一块芯片已爆裂,碎片,上标有"277”字样,实绘出其相关电路如图1所示。查询资料,这块电源芯片应是TNY277PN,该电路应是副开关电源。检测发现,电源芯片外围元件完好,但开关变压器的初级绕组和辅助绕组均已开路。分析认为,此机可能是开关变压器内部打火引起线圈开路,并烧坏芯片。

飞利浦32PFL3403液晶电视副电源电路特点与技改 第1张

      由于笔者手头没有这个芯片,该型开关变压器也买不到,于是决定用DVD电源板上的变压器和VIPer22A代换。分析原机线路,发现两个特殊的地方: 一是INY277②脚的外围元件和一般芯片有区别,R984阻值为12kQ,ZD981的稳压值为15V;二是主电源12V/24V过压保护由ZD966和ZD965取样,当上述电压过压时,ZD966或zD965击穿,Q992导通,这使得IC982处于截止状态。

      先不考虑原电路的特殊点,按VIPer22A的外围电路予以改装。在拆DVD电源板上的变压器时,要记下变压器的引脚功能,以便和原变压器引脚对应,否则不能工作。VIPer22A的①、②脚接原芯片的⑥、⑥脚,⑧脚接原芯片④脚,短路R984,拆除Q951。将Q992的D极由原来接IC982的R极改为接K极,如图2所示,当主电源发生过压时,Q992导通,光耦导通,副电源停止工作。

飞利浦32PFL3403液晶电视副电源电路特点与技改 第2张

      按上述改接后,先单板通电,测输出电压在1V~4V之间波动,VIPer22A的④脚电压在8V~10V间波动。因空载时负载很轻,如变压器辅助绕组输出电压太低,会引起电源不能正常工作,于是用漆包线在变压器线圈空隙中穿绕1圈,串联在辅助绕组任一端, 如果辅助绕组输出电压反而降低了,则把加绕的一圈线头对调即可。按此方法处理后上电,输出电压稳定在4V。该电源待机时,由于Q993截止,输出电压下取样电阻只有R982,输出电压只有4V;当PS端为高电平时,Q993导通,R993并联在R982两端,输出电压升高到5V。同时,PFC和主电源正常启动,接上主板上电开机,正常工作。实测VIPer22A的④脚电压待机时为11V,开机后为17V。

      后来查阅TNY277PN的资料,发现其②脚并非vcc供电脚,而是控制芯片工作与否以及工作模式的多功能引脚,在内部和地接有一只6.4V的稳压管,当该脚电压达到5.85V时,芯片开始工作;若小于4.9V,芯片停止工作并自锁;若电压达到6.4V,IC内部稳压管导通,芯片停止工作。另外,TNY277PN内部自带启动电路,并且正常工作后,仍然由内部电路提供工作电压,这有别于其他电源芯片。

      当辅助绕组输出电压高于21.4V时,ZD981 击穿,②脚电压升高,芯片进入保护状态。TNY277PN的①脚为开路保护端,当外接线路开路或光耦截止时(Q992因主电源过压而导通),芯片马上进入保护状态。Q951是AC电压过低保护管,R933~R935是AC电压取样电阻。当AC电压过低时,Q951的b极电压下降,Q951导通,TNY277PN的②脚电压大幅下降芯片停止工作。

版权声明:本文为转载文章,版权归原作者所有,欢迎分享本文,转载请保留出处!