夏普LCD-32L100AS液晶电视不开机的故障维修

2022-08-20 23:36:11  阅读 1220 次 评论 0 条
摘要:

接修一台夏普LCD-32L100AS型机,故障表现为上电电源指示灯不亮,也无法开机。检测机器,发现待机电压为8V。断开主板,在电源板PS-ON端与待机电压输出端连接一只20k电阻强制开机,电源板输出12V电

     接修一台夏普LCD-32L100AS型机,故障表现为上电电源指示灯不亮,也无法开机。检测机器,发现待机电压为8V。断开主板,在电源板PS-ON端与待机电压输出端连接一只20k电阻强制开机,电源板输出12V电压正常,确认电源板正常。再次检测主板,发现PS-ON信号始终不能输出高电平,确认主板有故障。

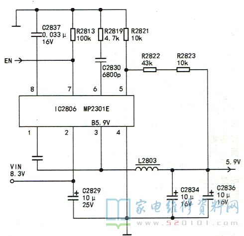
      本着先易后难的原则,首先检查主板的供电情况,发现L2803的输出端无5.9V电压输出。IC2806和L2803组成DC-DC电路,如图1所示,输出5.9V电压供主板工作。当IC2806的⑦脚为高电平时,其③脚输出开关脉冲,经L2803储能及C2834、C2836滤波后形成B5.9V电压。R2821~R2823组成取样电路,对输出的5.9V电压取样后加给IC的⑤脚,控制③脚的脉冲宽度,以达到稳压的目的。检测该IC的各脚电压,②脚为8.3V、③脚为0V⑦脚为3.6V ;测量③脚对地无明显短路现象,判断IC2806不良。更换IC2806后通电,测得5.9V电压正常,故障排除。

夏普LCD-32L100AS液晶电视不开机的故障维修 第1张

版权声明:本文为转载文章,版权归原作者所有,欢迎分享本文,转载请保留出处!