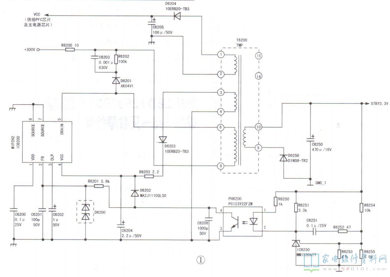
一台索尼KLV-46J400A型液晶电视,关机后再次开机,指示灯不亮,整机无反应。拆机,上 电测量电源板上STBY3.3V电压为0V;拔下电源板通往主板的连接线再测,电压仍为0V,由此判断故障在电源板上。该机电源板号为1-876-467-21, 且未设总电源开关,即上电后待机电源就输出3.3V (STBY3.3V), 并且AC-OFF-DET端也输出3.3V;二次开机后,主电源工作输出12V( REG12 )和15V( UNREG15V)。检查电源板上保险管F6001未断,其他元件也未见异常。该机待机电源芯片采用MIP2H2(IC6200),如图1所示。
MIP2H2是一款小功率开关电源芯片,内含PWM控制器、700V大功率MOSFET开关管等电路,其引脚功能与实测电压见表1。
  
 
上电,300V电压经开关变压器T6200的⑥-⑧绕组送到IC6200⑤脚(DRAIN端),经IC内部的高压电流源向①脚(VDD端)外接电容C6200充电,当C6200两端电压达到设定阈值5.7V时,IC6200启动工作,驱动内部MOSFET管工作于开关状态,T6200的其他绕组产生感应电压。T6200③-④绕组产生的感应电压经D6203整流及R6203.C6204限流整流后,得到约11V电压供给IC6200④脚。现测得④脚电压仅为1.53V,且③脚电压波动,怀疑二次供电电路有问题,但检查D6203、R6203、D6202、C6204及C6200均正常,判断IC6200损坏。更换IC6200后试机,故障依旧。
再次检查,发现VCC电压整流二极管D6204短路。D6204实物标示的型号为"R2G",图纸上标示的型号为“10ERB20"。 查询资料得知,D6204是一只1A/200V/60ns的肖特基二极管。因笔者手头无同型号二极管,于是换用参数相近的HER104 ( 1A/300V/50ns)的二极管。上电试机,故障排除。
 
								