飞利浦201B彩显无显示,电源绿指示灯一亮一灭,同时机内发出“嗒吧,嗒吧”的声音

2017-05-16 19:26:44  阅读 678 次 评论 0 条
摘要:

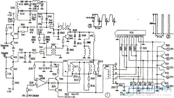
根据故障现象分析,机内有过流现象,电源部分再现了保护。电路如图1所示。 测量行管7502(无阻尼,型号C5445,Vcbo1500V,ICm 19A)c极对地阻值为零,已损坏;顺着行管供电回路往前

       根据故障现象分析,机内有过流现象,电源部分再现了保护。电路如图1所示。

       测量行管7502(无阻尼,型号C5445,Vcbo1500V,ICm 19A)c极对地阻值为零,已损坏;顺着行管供电回路往前查,发现行扫描供电二次电源调整管7541源极对地阻值为零(7541的型号为J448,为P沟道场效应管,Vds  400V,Id 1.5A),分析J448损坏的原因是C5445损坏引起的。先拆除损坏的C5445和J448,在电容2131处接60W的灯泡做假负载,开机测量200V电压正常,再仔细测量行扫描部分电路,该机高压产生电路与偏转电路是完全分开的,能引起行管损坏有三种可能:一是过压击穿;二是过流击穿;三是行管本身质量问题。分别检测行逆程电容2508,S校正电容2553、2555、2622、2623、2624、2625、2626,行幅控制三极管7504、7503等均无异常,目测行偏转线圈、S校正线圈5504、5503外观无烧焦现象。先接上J448,再在图1中打×处对地接60W灯泡,开机灯泡发出暗红色的光,用万用表测电压为115V(VGA 640×480模式)正常,波形如附图2所示。于是接上行管C3997(与C5445参数相近),连机工作正常。运行一上午,又出现了“嗒吧,嗒吧”的声音,一查又是C3997和J448损坏,能工作一段时间损坏,肯定不是过电压损坏,只能是过流或是所换的行管质量不好。

飞利浦201B彩显无显示,电源绿指示灯一亮一灭,同时机内发出“嗒吧,嗒吧”的声音 第1张

            过流损坏除了S校正电容、S校正电感、行偏转线线圈短路之外,行管过激励或欠激励也是常见的原因。能引起欠激励的原因有行激励变压器短路行管基极限流电阻3506阻值变大。分别查上述元件均无异常。于是在图1打×处串入一个电流表,再次接上上管和行管,试机光栅出现,但电流表指示800mA,手摸行管散热片能感觉到温升,由于没有测过21英寸彩显的行扫描电流,对于800mA是否偏大,心里没底,但行管温度上升这么快,应该是电流偏大。关机,将行激励限流电阻3501、3505换成400Ω电阻,再试电流变为750mA,再换为440Ω电阻,电流变为740mA,再换为600Ω电流反而增大。于是将行激励电阻确定为440Ω。第二天连续工作了一天,又有“嗒吧”声。连续损坏行管,莫非是行管质量不好?再将C3997换为C5446,测电流为780mA,还是过流损坏,不是行行管质量问题。以前修15英寸彩显测行管基极波形一般如附图3所示,VPP值在1.8V~2.2V之间。再测该机基极波形为2.7VPP,幅值明显偏大,试在7502的基极和发射极之间并一27Ω电阻后,VPP值变为2.3V,测电流为680 mA,再换为20Ω电阻,这下VPP值变为2.2V,再测电流变为650mA,长时间试机行管温升正常,整机工作也正常了。
        彩显行管过流损坏是经常遇到的问题总结了以下几点:行激励供电限流电阻、行管基射极电阻、行管放大倍数这三者是一个闭环的关系,有的资料上介绍不同的行管对应着不同的电流就是由行管本身的放大倍数决定的,换用行管的放大倍数必须与损坏的行管相同,否则行管工作电流要发生变化,因行管损坏已经无法测其放大倍数(无阻尼),更换行管后,最好在行供电回路串电流表,测其工作电流,可试着调试行激励级限流电阻和行管基射极电阻,使其工作电流最小,有条件的话最好用示波器测试行管基射极波形让其VPP值为1.8V~2.2V,该值过小为欠激励,过大为过激励,否则行管则会因电流过大,损耗增加而再次损坏。
版权声明:本文为转载文章,版权归原作者所有,欢迎分享本文,转载请保留出处!