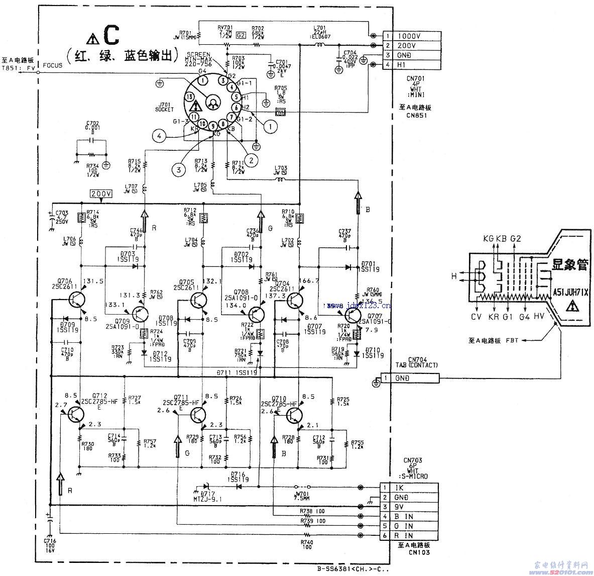
索尼KV-J21TF8电视场回扫线故障检修(图) 2013-07-19 23:01:10 阅读 402 次 评论 0 条 摘要: 接修一台索尼KV-J21TF8电视,屏幕全部是场回扫线,查电压全部正常,换了TDA8375A的IC还是一样。后查出是视放板D717,一个9.1V稳压二极管坏了。 附上原理图: 接修一台索尼KV-J21TF8电视,屏幕全部是场回扫线,查电压全部正常,换了TDA8375A的IC还是一样。 后查出是视放板D717,一个9.1V稳压二极管坏了。 附上原理图: 版权声明:本文为转载文章,版权归原作者所有,欢迎分享本文,转载请保留出处! 点赞 分享: PREVIOUS:TCL L43F3390A-3D液晶电视(MS801机芯)热机无图,像闪像暗 NEXT:TCL 2026A液晶电视原理和维修 文章导航