【例1】一台北京牌5429S彩电,开机无图像、无伴音,但在屏幕中央有一条宽约10cm且较亮的垂直白光栅,在白光栅左右两边有约10cm左右宽的暗淡光栅,其余左右两边则为暗区,如图1所示。
根据故障现象分析,其故障部位在开关电源电路或行扫描电路中,测IC802(KA7630)⑧、⑨脚输出电压,分别为+8V、+5V正常,这表明开关电源电路工作正常。进一步测量IC201 12、36、40脚电压,分别为8V、8V、1.2V也无异常。在确认供电电路无异常的情况下,检查行输出电路,测行输出变压器T444输出的二次供电电压180V、165V、46V,发现均较正常值偏低,测T444⑩脚电压125V正常,手摸行输出管温升也无明显异常,排除行负载漏电或短路。进一步测行推动管Q402各极电压,发现其c极电压仅4.0V左右。结合其相关电路图(见图2)分析,Q402的供电由D803整流输出约13.0V的电压经R406、D401、R405为Q402提供预推动工作电压,Q402、Q401正常上作后再由T444①脚输出脉冲电压经D404整流、C404滤波后获得约16.5V的直流电压,经D402、R405、C408整流滤波后作为Q402正常工作电压。通过以上分析不难发现,有异常光栅,说明行推动级未处于正常的工作状态,而影响行推动供电异常的只有行输出级的二次供电电压,重点查T444①脚外围至行推动管Q402之间的RF、D404、D402、R405、C408、Q402和行推动变压器。逐一检查发现D402开路,将其更换后试机呈蓝屏,接入信号自动搜台,故障排除。
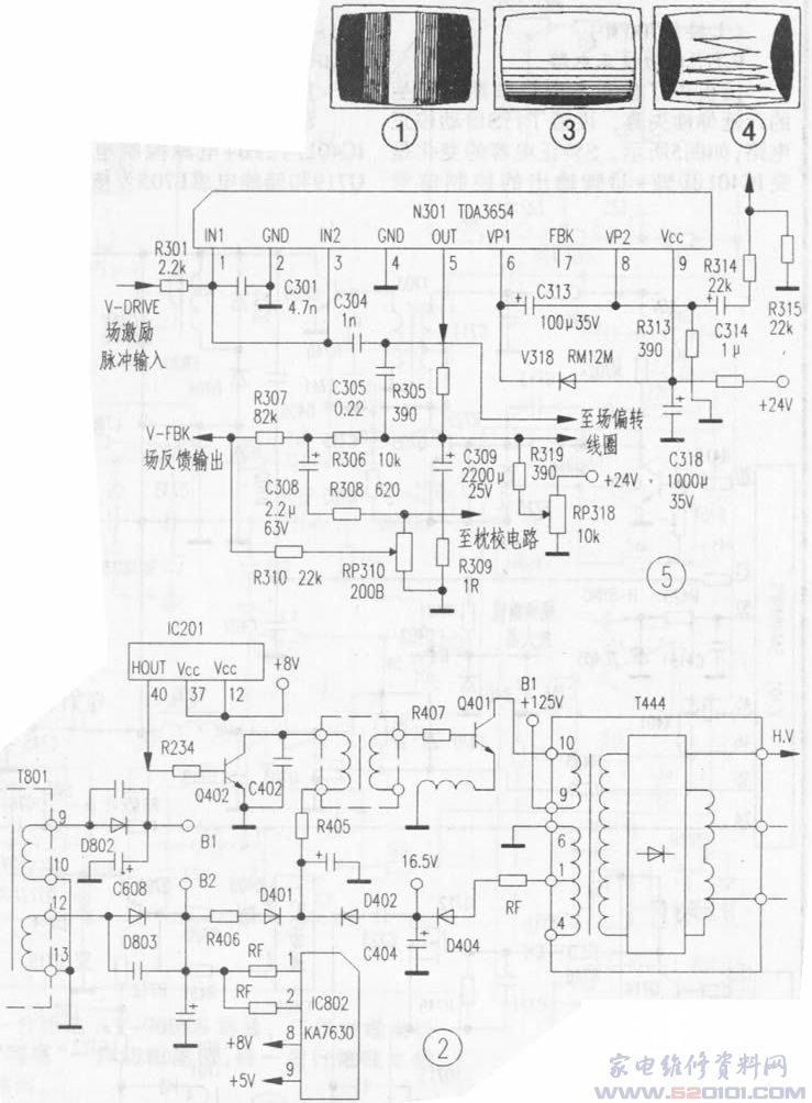
【例2】一台长虹D2965A型彩电,初开机图像、伴音均正常,但收看约一小时后光栅异常,先是场幅向上收缩,并有几条扫描线跳闪(见图3),之后交替出现枕形失真与不失真闪烁现象(见图4)。关机待机器冷却后再开机,以上故障重复出现。
根据故障现象和在热机状态下才出现的特征,初步判断故障部位在扫描或枕校电路,是某元件热稳定性不良,或存在脱焊故障。其中,前者的可能性更大。在故障出现时,测电源供电115V、32V和场输出电路N301(TDA3654)各脚电压均未见明显异常。关机后检查枕校电路部分,发现大功率三极管VD26(2SB688)各引脚焊点焦黄且略有裂迹,重焊后试机,收看一小时左右一切正常,但交用户使用不久此故障重现。在待机状态试机,故障不出现,考虑到故障总是在热机状态下出现,是不是TDA3654热稳定性变差呢?开机长时间收看,终于故障出现了,赶紧用蘸有无水乙醇的棉球给TDA3654降温,但无收效。在故障出现时再仔细检测场输出块各脚电压值,与正常状态下的测得的电压值一一对比(见附表),除①、③脚电压值较正常状态下低了0.5V外,其他脚电压值相同,分析这其中必有原由。见图5,N301①、③脚经R301连接到N240(TDA8362)场激励输出端43脚,测量N240 43脚电压为3.4V正常,查R301、C301无异常,查线路走线及N301③脚外围元件也无异常,至此怀疑TDA3654不良。在拆卸TDA3654时,惊奇发现N301①脚上竟然没有焊锡,根据更换集成块的经验,即使焊接技术很熟练的人,拆卸集成块也很费事,更不用说焊锡熔化后会干干净净地与引脚分离。至此,基本确定此故障是由于TDA3654①脚虚焊引起的。将N301①脚刮净焊牢,连续长时间试机故障排除。