TCL L46P11FBDE液晶电视冷机开机时间过长的故障维修

2022-08-13 20:01:43  阅读 1174 次 评论 0 条
摘要:

接修一台TCL L46P11FBDE型彩电,故障表现为冷机开机时间长,约5min~6min,但热机开机正常。故障现象分析,怀疑某元件热稳定性差。开机,用吹风机的热风挡对数字板上的相关电容、晶体管、集成块、D

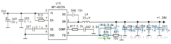
     接修一台TCL L46P11FBDE型彩电,故障表现为冷机开机时间长,约5min~6min,但热机开机正常。故障现象分析,怀疑某元件热稳定性差。开机,用吹风机的热风挡对数字板上的相关电容、晶体管、集成块、DC/DC转换块进行加热试验。当加热到DC/DC转换块U10( MP1482DN)时,电视机迅速启动。再用小号油画笔蘸上酒精涂在U10上使其降温,结果不到2min,彩电自动关机,由此判定U10有问题,更换U10后故障排除。U10将5V电压降为128V,如图1所示,为主控芯片U701( MSD206GQ )提供内核电压同时为DDR存储器U801(K4T1G164CT )供电。

     当U10热稳定性能变差后,在低温时就没有正常输出,从而出现故障。

TCL L46P11FBDE液晶电视冷机开机时间过长的故障维修 第1张

版权声明:本文为转载文章,版权归原作者所有,欢迎分享本文,转载请保留出处!