创维32L05HR液晶电视开机三无的故障维修

2022-03-29 23:09:50  阅读 742 次 评论 0 条
摘要:

接修一台创维32L05HR液晶电视,故障表现为三无。上电,测量电源板上的主电源滤波电容C52两端电压为300V,正常;但电源板上插座CN2中的5V待机供电端电压在1.5V~2V 之间波动。拔下CN2中的排

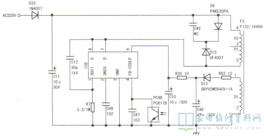
      接修一台创维32L05HR液晶电视,故障表现为三无。上电,测量电源板上的主电源滤波电容C52两端电压为300V,正常;但电源板上插座CN2中的5V待机供电端电压在1.5V~2V 之间波动。拔下CN2中的排线(电源板与主板的连线)再测,5V电压稳定。关机后,发现C52两端电压下降很慢。用一只100W/220V灯泡对C52两端放电后,用数字表的二极管挡测量5V对地端压降,正向为0.580V,反向为0.166V,没有短路现象,怀疑故障部位在电源板上。

      该机电源板型号为5800-P32TLK-0030,首先检测5V待机电压的整流滤波电路,未发现异常;再检查待机开关电源的初级电路,如图1所示,发现R7的阻值已由3.3Ω增至7Ω,R7为IC6(A6259H)内置开关管的S极电阻,其阻值增大后,导致该开关电源的带载能力变差。更换R7后试机,故障排除。

创维32L05HR液晶电视开机三无的故障维修 第1张

版权声明:本文为转载文章,版权归原作者所有,欢迎分享本文,转载请保留出处!