海尔LB26R3液晶电视开机三无的故障维修

2022-04-16 20:06:36  阅读 732 次 评论 0 条
摘要:

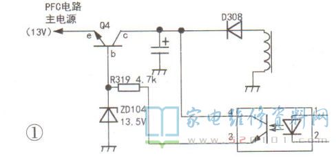
接修一台海尔LB26R3液晶电视,上电后面板指示灯不亮,不开机。开盖查副电源输出的5V电压正常,主板也已经发出高电平POW-ON信号,但PFC电路和主电源都没有工作。上述电路正常工作的首要条件是有关芯片得

      接修一台海尔LB26R3液晶电视,上电后面板指示灯不亮,不开机。开盖查副电源输出的5V电压正常,主板也已经发出高电平POW-ON信号,但PFC电路和主电源都没有工作。上述电路正常工作的首要条件是有关芯片得到VCC电压,该电压由副电源供应,同时还受开/关机信号控制,如图1所示。

海尔LB26R3液晶电视开机三无的故障维修 第1张

       电源板收到开机信号后,光耦导通,Q4因b极得到偏置电压而导通,输出13V电压(vCC电压)供给PFC电路和主电源芯片。

      上电时监测VCC电压,发现瞬间上升到10v,随后迅速降到0V。再监测PFC电压,发现上电瞬间升到380V,随后快速降到300V。监测主电源,输出电压一直为0V。上述检测说明PFC电路能启动工作,由于VCC电压消失又停止工作。监测Q4的c极电压,上电后一直保持为16V(脱机空载,若联机带载,此电压上升到22.5V),但光耦一直处于截止状态。 将指针式万用表置于RX10挡,红表笔接光耦②脚、黑表笔接光耦①脚(或者直接短路光耦③、④脚),强制使光耦导通,VCC瞬间有输出,然后又降为0v,怀疑Q4有问题。测量Q4的b、e极和b、c极的正向电阻值,均偏大,并且Q4周围的线路板有变色现象。拆下Q4,换上一只贴片NPN三极管,上电开机,一切正常,但约5分钟后又停机了。

       检查新换上的三极管,已开路。结合线路板有变色的现象,怀疑换上的贴片三极管功耗不够。换上8050型三极管,开机正常,工作5分钟后,手摸8050发烫。测得Q4的c极电压为24V,即Q4的c、e极的压降达11V。在D308负端串上一只75Ω电阻,再测Q4的c极电压,待机时电压为20V,开机后降为165V,仅微温,连续工作2小时,一切正常。在正常工作时, 测得7502电阻的压降为3V,即流过Q4的c极电流是40mA。

       按此估算,若不串752电阻,Q4的功耗会大于440mW (11V x 40mA)。原装贴片三极管功耗较大,但长时间工作于高温下易变质。新换的贴片三极管可能功耗较小,装上一会儿就坏了。8050型三极管的最大功耗为1W,但在功耗为0.44W的状态下表现为烫手,若不串入75Ω电阻,长时间工作也易损坏。

      在该机最初的检测中,上电瞬间PFC电路能启动工作,而主电源不工作,其原因可能是PFC芯片的VCC启动电压比较低(低于10V),而主电源芯片的启动电压比较高。另外,主电源电路有检测PFC电压功能,若PFC电压不正常,主电源不会工作。由于Q4变质,在开机瞬间其e极输出的vcc电压均为10V但PFC芯片工作后电流增加,vcc电压迅速下降。开机瞬间光耦导通一下后又截止,应该是主板在发出开机信号后,如果主电源不工作,机器将重新回到待机状态。

版权声明:本文为转载文章,版权归原作者所有,欢迎分享本文,转载请保留出处!