【例1】故障现象:三无
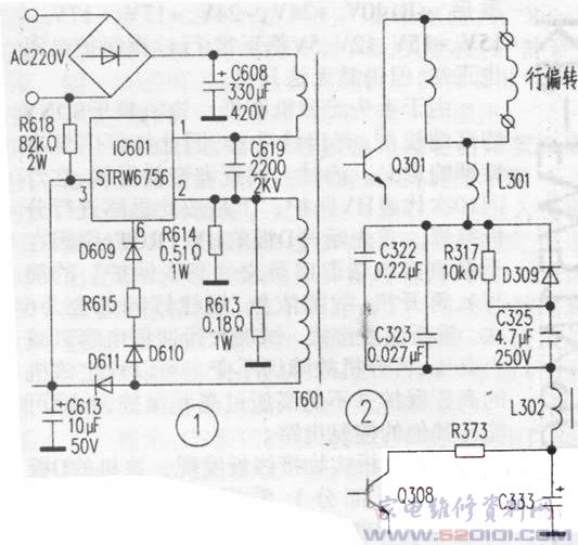
分析与检修:检查发现保险管F601已经熔断,其主要原因有:消磁电阻不良、桥堆BR601及外接的浪涌电容不良、主滤波电容C608不良、电源块IC601(STR W6756)不良等。
在路逐一测量上述元件没有明显的短路现象,但测量R613、R614发现已经开路,正常时二者的等效电阻为0.15Ω左右,测量C619发现电阻接近于0,正常时应为∞。焊下发现电容表面上有一个小黑洞,测量发现已经击穿。根据图1分析可知,如果C619本身质量有问题,近300V的电压通过T601的初级绕组加到C619一端,当C619击穿后,电压又加到R613、R614、R611一端,便会使这些元件都损坏。
更换上述元件后,在路测量IC601各引脚的电阻,并与表1中的数据进行比较,基本相符,通电试机,工作正常。表2为IC 601的引脚功能。
【例2】故障现象:雷击后三无。
分析与检修:观察电源电路部分发现IC601已经裂开,保险管F601熔断变黑,电阻R613、R614已经开路。进一步检查其他元件。没有发现异常,更换上述元件后,测量在路电阻值并与表1数据比较,基本相符。焊开R301行限流电阻,接100W的灯泡作假负载,通电试机并测量电源输出的主电压140V,正常。恢复R301,通电试机,工作正常。
【例3】故障现象:电视机启动困难,特别是傍晚时启动更困难。
分析与检修:由于本地傍晚时市电一般只有180V左右,因此重点检查电源的启动电路。开机在路测量IC601③脚电源端(启动兼电源供电)的电压为8.5V左右,正常电压为18V以上。当时的市电为200V左右,300V直流电压实际为265V左右。代换启动充电电容C613(如图1),故障依旧。检查启动电阻R618电阻值为120k左右,更换成82k/2W电阻后开机,正常启动工作。
【例4】故障现象:电视机内异常响声后,三无。
分析与检修:检查发现电解电容C325(4.7uF250V)已经爆裂开,进一步检查分析发现,C325位置是在行扫描的S校正回路上,作用是消除振铃声。更换后通电试机.发现光栅异常,一会儿C325烫得厉害,于是不能再开机了。进一步检查发现S校正电容C322的容量严重下降,见图2。更换C322后通电试机,光栅正常,图像正常。
创维29T83HT(6T18机芯)数字高清彩电电源与行扫描电路检修4例
2014-09-22 18:25:57
阅读 368 次
评论 0 条
版权声明:本文为转载文章,版权归原作者所有,欢迎分享本文,转载请保留出处!

