接修一台海信TLM32E58型液晶彩电,通过后电源指示灯由红转蓝,屏显开机画面,约2s后黑屏,背灯不亮。根据故障现象分析,故障原因应是背光灯管老化或损坏,或者背光驱动电路工作异常。该机开关电源、背光驱动采用二合板,板号为RSAG7.820.1459/ROH.VER.C(2008.03.28)。
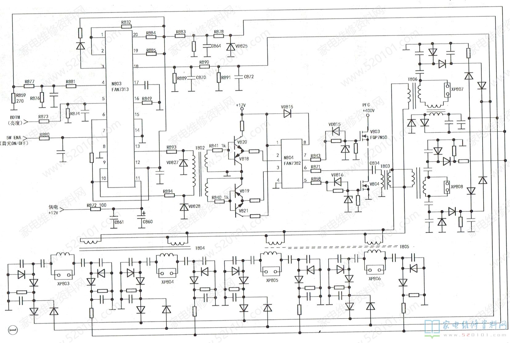
通电后,实测开关电源次级两组输出电压(+5V、+12V)完全正常。本机为早期产品,背光源采用冷阴极灯管,电路板标示点亮电压(即高压输出)为AC1280V/9.5mA。由于一时无法准确判断灯管性能的好坏,于是决定先对背光驱动电路进行检查。该机背光电路如图1所示,N804 (FAN7382)、V803.V804和变压器T803组成背光驱动电路,高压变压器T804~T806升压输出高压点亮灯管。N803( FAN7313 )及外围阻容元件组成背光控制电路,调节背光亮度,并对灯管的电压、电流进行实时监测,在灯管过流和过压时进行有效保护。
焊下T804~T806(型号均TEEL22-H 08115)检测,发现变压器初级绕组阻值均为4.5Ω,而高压绕组共同6组,阻值约为1kΩ、700Ω、900Ω不等。查资料得知,该型高压变压器高压绕组阻值应约1kA。由此判断,两只高压变压器高压绕组局部短路,单独求购高压变压器未果,于是在网上购买了一块同型号二合一板。
几天后收到新板,但板号为RSAG7.820.1459/ROH.VEF.F。与原板对比,发现新板背光驱动电路有改进,没有安装FAN7382,高压输出电路也略有不同,开关电源部分基本相同。换板试机,故障排除。同时也说明该二合一板的后缀号不同,但可互换。
			版权声明:本文为转载文章,版权归原作者所有,欢迎分享本文,转载请保留出处!
			
		
		
		
		
		
		
	 
								