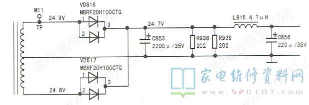
接修一台海信TLM42V68PR型液晶彩电,开机后有图像,但光栅闪烁,同时无伴音。拆机检查,此机电源板板号为RSAG7.820.1185/ROH。上电测量电源板与主板连接插座的各脚电压如下:24V电压端为21V, PWM端为5V,SW端为0.7V,BRI端电压为0V。显然,BRI端电压异常。N试将BRI线拔出,接在PWM端插线上,此时PWM端电压降为0V,背光熄灭,但伴音恢复正常。+24V电压为21V,明显偏低,是不是24V带负载能力差?用100W/24V灯泡做假负载,发光正常,也有伴音;测量PFC电压为392V,正常。在测量电源板的12V输出电压时,电视机竟然恢复正常了,此时测量24V电压为23.9V。尝试按压电源板,故障再次出现,看来电源板上有接触不良之处。仔细察看板上焊点,发现24V整流管VD816中间引脚(即③脚)虚焊。将其补焊后试机,故障排除。
提示:VD816与VD817 组成全波整流电路,如图1所示。VD816的③脚脱焊后变成了半波整流,电压下降,出现光栅闪烁现象。在稳压反馈电路的作用下,其他组输出电压上升,电路过压保护,所以无伴音。
  
 
			版权声明:本文为转载文章,版权归原作者所有,欢迎分享本文,转载请保留出处!
			
		
		
		
		
		
		
	