康佳LED55R6680AU液晶电视开机三无的故障维修

2022-12-26 20:29:54  阅读 832 次 评论 0 条
摘要:

接修一台康佳LED55R6680AU 1BOM'型机(板号为35019013),三无。首先测得主板上的各组供电正常。用瑞昱厂家DDR检测工具测四只DDR正常。用升级小板烧录EMMC( N510 )能成功,

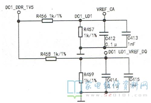
      接修一台康佳LED55R6680AU 1BOM'型机(板号为35019013),三无。首先测得主板上的各组供电正常。用瑞昱厂家DDR检测工具测四只DDR正常。用升级小板烧录EMMC( N510 )能成功,但用U盘升级主程序却不成功。开机瞬间,N502、N503和N501先进行数据交换(若此故障异常则不开机),完成启动后,N504、N505和N501再进行数据交换( 若此故障异常则自动重启)。查看开机打印信息,仅显示两行就不走了。重点检查N502、N503和N501之间通讯电路,测各排阻对地阻值均正常,但N502正面半压电容C415两端电压只有0.2V。检查该电压形成电路,如图1所示,测得电阻R458与R459相连处的电压为正常值0.75V,显然故障原因是,此段线路过孔断路。

康佳LED55R6680AU液晶电视开机三无的故障维修 第1张

      用一段导线连接R459和C415的非接地端,如图2所示,上电试机故障排除。

康佳LED55R6680AU液晶电视开机三无的故障维修 第2张

版权声明:本文为转载文章,版权归原作者所有,欢迎分享本文,转载请保留出处!