康佳LED32HS11液晶电视背光亮一下就熄的故障维修

2022-11-08 18:40:46  阅读 1326 次 评论 0 条
摘要:

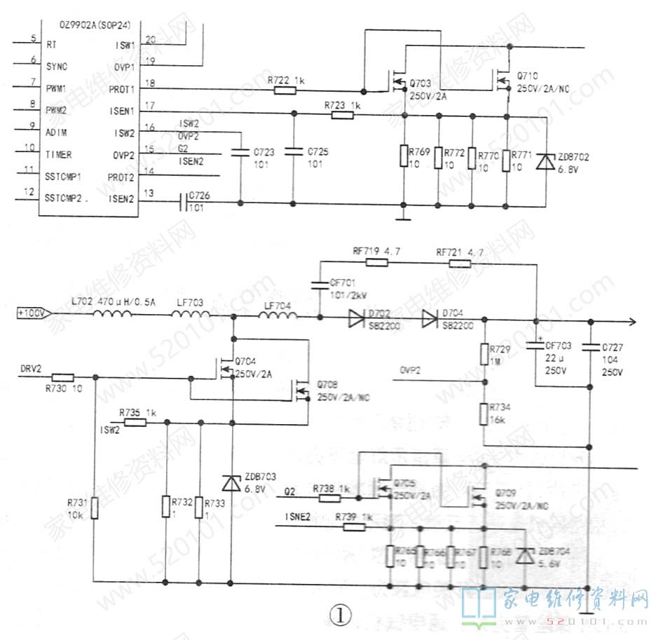
接修一台康佳LED32HS11型液晶彩电(板号:34007905 ),开机后屏一亮即灭。拆机先直观检查电源板,没有发现电容冒顶、电阻变色现象。上电测得C901两端电压为300V,CB953两端电压为12V

      接修一台康佳LED32HS11型液晶彩电(板号:34007905 ),开机后屏一亮即灭。拆机先直观检查电源板,没有发现电容冒顶、电阻变色现象。上电测得C901两端电压为300V,CB953两端电压为12V,正常。测得背光驱动电压,在开机瞬间背光亮时为115V,背光灭时在55V~68V之间波动。显然,此故障应属过流保护。为了判定故障是由背光灯条还是背光板引起,用一根32英寸的LED维修灯条接入XS701插座中,上电开机维修灯条一亮即灭,说明故障在背光板。关机断电,用万用表电阻挡测量D701~D704的正、反向电阻,正常;测量ZDB905~ZDB908的正、反向电阻短路,把ZDB905~ZDB908的一脚脱开测量阻值正常。顺着电路测量,发现Q709短路如图1所示,换新Q709后试机,故障排除。

康佳LED32HS11液晶电视背光亮一下就熄的故障维修 第1张

版权声明:本文为转载文章,版权归原作者所有,欢迎分享本文,转载请保留出处!