由高频头损坏引起的康佳LC32HS62B液晶电视无声音故障

2022-11-07 17:59:22  阅读 1460 次 评论 0 条
摘要:

接修一台康佳LC32HS62B型液晶电视(电源逆变器板:KIP+L150I12C2-01(34006601),主板编号:MST72135014125 REV-02), 开机时有伴音,只要不关机就一直都有伴音;如

      接修一台康佳LC32HS62B型液晶电视(电源逆变器板:KIP+L150I12C2-01(34006601),主板编号:MST72135014125 REV-02), 开机时有伴音,只要不关机就一直都有伴音;如果开机时无伴音,就一直无伴音。有伴音时又分两种情况:一是伴音及音量调节完全正常,二是有伴音,但音量大小不受控制,“1”和“100”都一样,但减为“0”能够将声音关断。

      当出现无伴音故障时,用镊子触碰伴音功放块TDA42205信号输入脚③、⑤脚,喇叭中有“嚓嚓”声,证明功放块及喇叭是正常的。功放块的前级是音效处理块CT7313,如图1所示,这是一个集双路三选-模拟信号选择开关,同时内部集成了音量调节,音效控制功能受总线控制的音效处理块。

由高频头损坏引起的康佳LC32HS62B液晶电视无声音故障 第1张

      本机的AV音频信号从CT7313的⑨脚、13脚输入。为了判断故障部位,分别用一只4.7uF电容跨接在CT7313的⑨脚、22脚及13脚、23脚间, 即将输入的音频信直接输给功放块,这时有伴音,说明故障是CT7313或外围电路引起的。

      因音效块的功能比较简单,同时左右声道都无声,所以只需检查以下几个关键引脚:①脚,REF基准电压,4.23V;②脚,VDD供电,8.50V,27脚,15.32V;28脚,15.90V。从测量结果可以看出,27脚、28脚总线电压明显异常。因为本集成块供电才8.5V,而这两脚电压居然高出了供电电压。从电路图上标注看,27脚为DATA,接5V_ SDA信号,28脚为CLK,接5V_SCL信号,这两脚电压不应超过5V。

由高频头损坏引起的康佳LC32HS62B液晶电视无声音故障 第2张

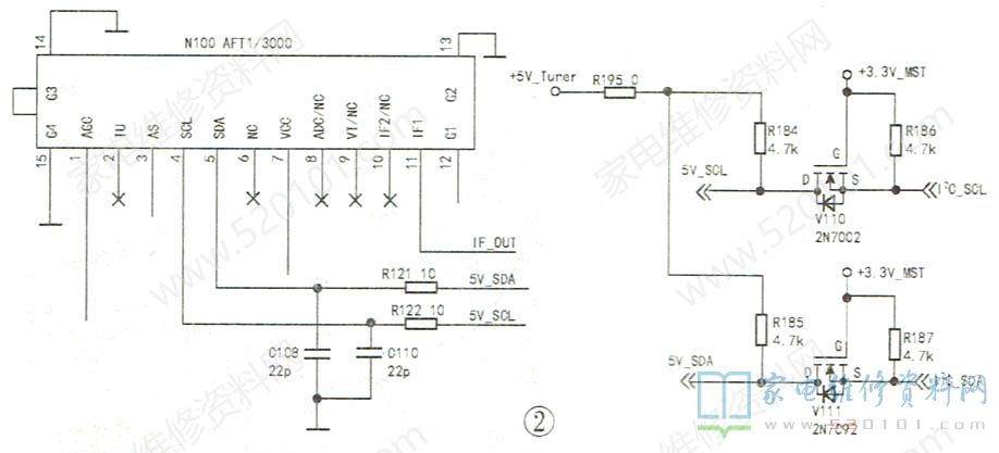
      CT7313与高频头的DATA、CLK两脚各通过一只10Ω的电阻相连,同时DATA、CLK各通过一只4.7kΩ上拉电阻接到5V高频头供电端5V_Tuner,如图2所示,通过一只场效应管2N7002(丝印 12W)完成电平变换,将主芯片MST721发出的3.3V电平的I2C_SDA、I2C_sCL变换成电平为5V的5V_SDA、5V_SCL总线信号。检查5V_Tuner、FC_ SDA、PC SCL电压均正常,而CT7313自身供电才8.5V ,也不可能使其他引脚电压升高到接近16V。这路总线上面挂载的还有一个是高频头,测高频头各脚电压见表1。

由高频头损坏引起的康佳LC32HS62B液晶电视无声音故障 第3张

      从表1可以看出,高频头内部是带升压电路的,将5V供电升压到调谐所需的电压。既然这样,总线电压异常升高,就有可能是高频头引起的。将CT7313与高频头总线电路之间连接的电阻R121、R122 断开,CT7313的27脚电压降为4.93V,28脚电压降为4.96V,回到正常值,由此判断高频头内部漏电。询问用户,家中使用机顶盒,这样就不用换高频头了,拆下的R121、R122不装。反复开/关机几次,伴音都正常。但在随后的测量中发现,CT7313的CLK、DATA脚电压不稳定,在4.85V~7.60V之间波动,怀疑之前的高电压已经造成该IC内部受损。为稳妥起见,更换CT7313,再量这两脚总线电压,无明显波动现象,多次开/关机,伴音一直正常。
版权声明:本文为转载文章,版权归原作者所有,欢迎分享本文,转载请保留出处!