康佳LED液晶彩电采用的KPS+L120C3-01型电源内部编号为34007988 ,版本号为35016308。集成电路采用FAN7930C+FAN6755WW+FSFR1700L组合方案,输出+53Vsb、+24V、+12.2V电压,为主板和背光灯板供电。应用于康佳LED46X500OD、LED42MS11PD、LED4715988PDE、LED42R7000PDE等LED液晶彩电。
一、电源板电路原理
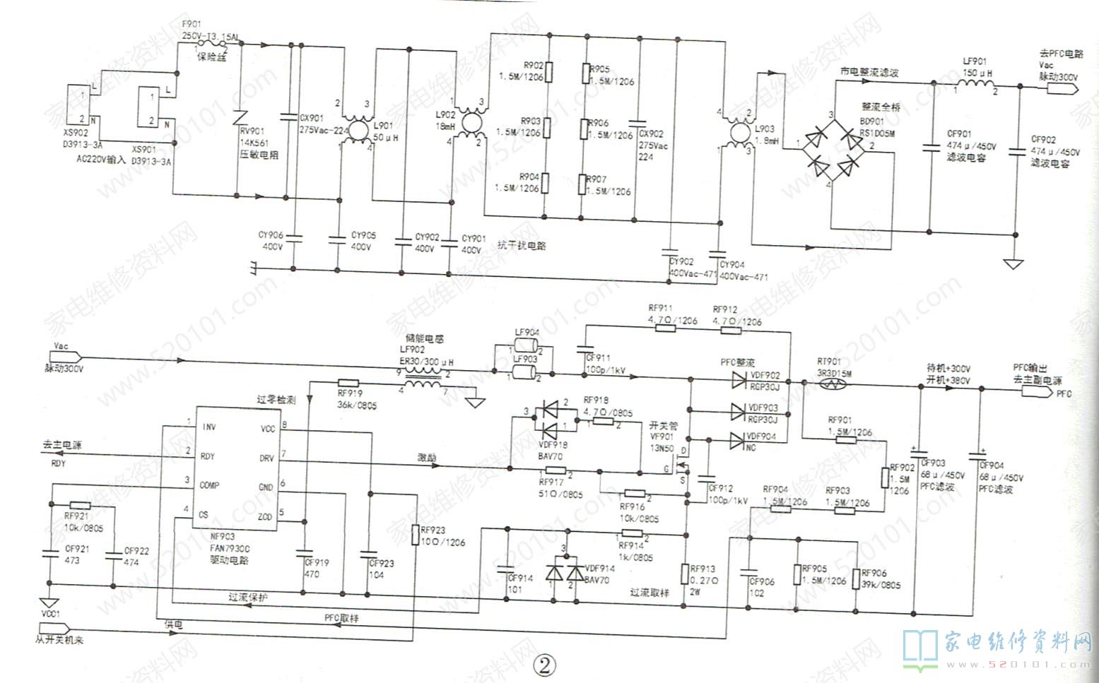
电源板实物图解见图1所示,该电源板由三部分组成:一是以集成电路FAN7930C(NF903 )为核心组成的PFC(功率因数校正)电路,将整流滤波后的市电校正后提升到+380V,为主、副开关电源供电:二是以集成电路FAN6755W( NB905 )为核心组成的副开关电源,产生+5.3Vsb 电压,为主板控制系统供电;三是以集成电路FSFR1700L(NW920)为核心组成的主开关电源,产生+24V、+12.2V电压,为主板和背光灯板供电。
1、抗干扰和整流滤波电路
(1)抗干扰电路
康佳KPS+L120C3-01电源板市电输入和抗干扰电路、整流滤波电路如图2所示,RV901为压敏电阻,市电过压达到规定电压时迅速导通,将保险丝F901烧断,断电保护电源板。CX901、CX902、CY901~CY906和L901~L903组成共模和差模电路,一是滤除市电的干扰脉冲,二是减少开关电源对电网的传导干扰,以满足EMC标准的要求。R902~R907为泄放电阻,在交流输入关断时,对CX901.CX902电容放电,以满足安全电压要求。
(2)市电整流滤波电路
滤除干扰脉冲的AC220V交流电压,通过桥堆BD901和CF901、CF902整流滤波,产生约100Hz的脉动直流电压Vac,由于滤波电路电容CF901、CF902容量较小,该电压负载较轻时为300V左右;在负载较重时为230V左右。100Hz 的300V脉动直流电压Vac经储能电感LF902送到PFC开关管VF901的D极。
2、PFC电路
(1)启动校正过程
300V脉动电压Vac经储能电感LF902送到PFC电路VF901的D极;二次开机后,开关机控制电路送来的VCC1电压,经RF923加到NF903的⑧脚,为其提供工作电压,NF903启动工作,产生锯齿波脉冲电压,经内部电路处理后,从⑦脚输出激励脉冲,开关管VF901工作于开关状态。
当VF901饱和导通时,市电整流滤波后的300V脉动电压Vac经电感LF902、VF901的D-S极到地,形成回路,在电感LF902两端产生左正、右负的感应电压;当VF901截止时,300V脉动电压Vac经电感LF902、VDF902//VDF903、CF903、CF904到地,对CF903、CF904充电,同时,流过LF902的电流呈减小趋势,电感两端必然产生左负右正的感应电压。这一感应电压与300V脉动电压的直流分量叠加,在滤波电容CF903、CF904正端形成380V左右的PFC电压。
(2)稳压过程
PFC电压经RF901~RF904与RF905//RF906分压后,作为取样电压从NF903的①脚输入;储能电感LF902的次级感应电压作为过零检测信号,经RF919送到NF903的⑤脚。上述取样和检测电压经内部比较放大后,进行对比与运算,确定输出端⑦脚的脉冲占空比,维持输出电压的稳定。(3)过流保护电路
FAN7930C的④脚为电流检测输入端,通过RF914对MOSFET开关管VF901的S极电阻RF913两端电压进行检测。RF913 两端的电压降反映了PFC电路电流的大小,若流过VF901的电流过大,则RF913两端的电压降随之增大,当NF903的④脚电压超过0.8V时,PFC就会停止输出。
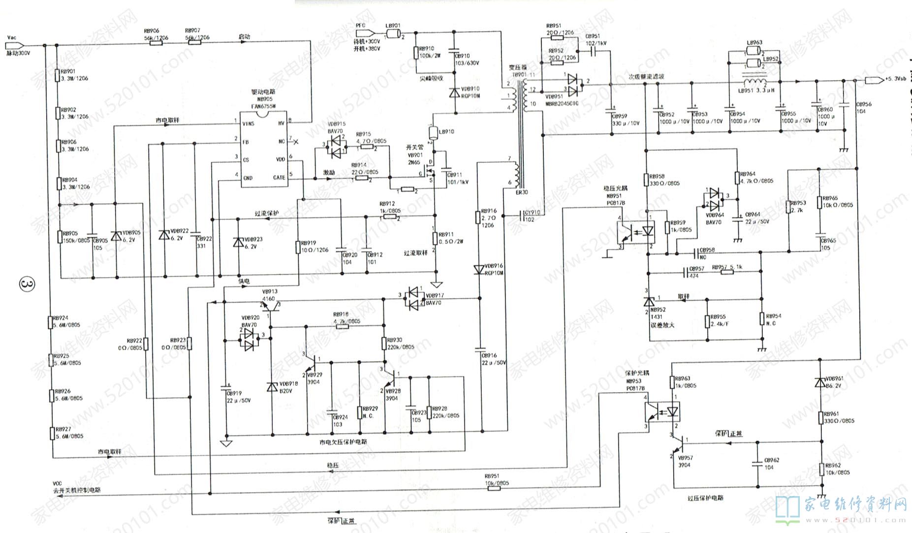
3.副电源电路
康佳KPS+L120C3-01电源板副电源电路如图3所示,主要由NB905、大功率MOSFET开关管VB901、变压器TB901、稳压电路误差放大器NB952 (TL431)、 光耦NW950( PC817B )为核心组成。
(1)启动工作过程
PFC电路启动和待机状态输出的+300V电压PFC,通过TB901的②-④初级绕组为VB901供电;市电整流滤波后产生的Vac脉动电压经RB906、RB907向NB905的⑧脚提供启动电压,通过内部恒流源向⑥脚外接电容器CB919充电,当⑥脚电压达到16V时,开关电源启动工作,NB905从⑤脚输出激励脉冲,推动VB901工作于开关状态,其脉冲电流在输出变压器TB901中产生感应电压,其中⑥-⑦绕组上产生的感应电压,经RB916限流、VDB916整流.CB916滤波后产生vCC直流电压,再经VDB917、VB918、VDB918组成的稳压电路稳压后,一是经RB919产生VDD电压,送到NB905的⑥脚,取代NB905的⑧脚内HV启动电压为控制电路NB905供电,此时内部恒流源启动电路关闭;二是送到开/关机控制电路,控制后为PFC和主电源驱动电路供电。
(2)次级整流滤波电路
TB901的次级10~11~12绕组产生的感应电压经双二极管VDB951整流,CB969、CB952、LB951、CB955组成的π式滤波后,输出+5.3Vsb电压,为主板控制系统供电。
(3)稳压控制电路
当副电源输出的+5.3Vsb电压升高时,经过取样电路分压,使NB952的采样输入端电压升高,比较放大后NB952的电流增加,经过光电耦合器NB951使NB905的②脚电压降低,NB905输出的脉冲变窄,开关管VB901的导通时间变短,开关电源输出电压降到正常值。当开关电源输出电压降低时,稳压过程与上述相反。
(4)开关管过流保护电路
NB905的③脚为电感电流检测输入端,通过RB912对大功率开关管VB901的S极电压进行检测,当VB901的电流过大时,芯片进入OCP保护状态,停止输出激励脉冲。③脚的保护阈值与①脚电压有关,①脚电压为1V时,③脚过流保护阈值为0.85V;当①脚电压为3V时,③脚过流保护阈值为0.7V。这个特性为恒功率输出控制,自动适应.市电AC100V~250V的供电需要。
(5)尖峰吸收保护电路
大功率开关管VB901的D极与VDB910、CB910、RB910组成的尖峰脉冲吸收电路相连接。当开关管VB901截止时,在TB901的②-④初级绕组产生较高的反峰压,该反峰压经尖峰吸收电路吸收释放,避免开关管截止期间将开关管VB901击穿。
(6)市电过压、欠压保护电路
NB905的①脚内设电压检测和保护电路,该脚电压正常时在0.9V~5V之间,当①脚电压低于0.7V或高于5.2V时,保护电路启动,NB905停止工作。市电整流滤波后产生的脉动Vac电压经RB901~RB904与RB905分压后,送到NB905的①脚。当市电电压过高或过低,达到保护设计阈值时,NB905保护电路启动,开关电源停止工作。市电整流滤波后产生的脉动 Vac电压还经RB924~RB927与RB928分压后送到VB928的b极,市电电压正常时VB928导通,VB929截止,对VCC稳压电路VB918不产生影响;当市电电压过低时,VB928截止,VB929导通,将vCC稳压电路VB918的b极电压拉低,VB918截止,停止输出vcC电压,副电源和PFC电路、主电源因供电过低停止工作。
(7)输出过压保护电路
当开关电源输出的+5.3Vsb电压达到6.2V时,击穿稳压管VDB961,迫使VB957导通,光耦NB953导通,其内部光敏三极管导通,从③脚输出高电平经RB922、RB923向NB905的①脚和③脚注入高电平,NB905据此进入保护状态,开关电源停止工作。
(8)光耦开路保护
NB905的②脚为稳压FB控制输入端,具有光耦开路保护功能OLP。当外接稳压光耦NB951开路,②脚电压上升到4.6V时,芯片进入保护状态,并自锁在5.3V高电平。当该脚电压低于2.4V时,芯片自动进入绿色节能状态;当工作频率降到23kHz,负载增加,致使该脚电压上升到3V时,芯片自动转到正常模式,工作频率为65kHz。
4.主电源电路
该电源板中主电源电路如图4所示。
(1)FFR1700L简介
FFR1700L 是集成了MOSFET管和LIC半桥谐振控制功能的芯片,通过对频率的控制达到稳定输出电压的作用,可以方便地调节软启动。该芯片内含振荡器、计数器、延迟移相、高低端驱动和高低端MOSFET开关管等,设有OVP/OCP/OTP等保护功能,其引脚功能见表1。
(2)启动供电过程
二次开机后,PFC电压加到NW920的①脚,同时NF903从②脚输出RDY高电平,经VDF915使vw903、vw902导通,输出的vcC1电压,向NW920的⑦脚提供LvcC供电,主电源启动工作。NW920振荡电路产生的振荡脉冲信号经集成块内部相关电路处理后,形成相位完全相反的两组激励脉冲信号,推动内部半桥式推挽输出电路上臂和下臂MOSFET开关管,进入开关工作状态,变化电流流过开关变压器TW902的初级绕组,在TW902中产生感应电压。TW902次级绕组④//②-⑤//⑥-③//④脚输出的感应脉冲电压经VDW951、VDW952整流、CW951、CW952、LW951、CW953等滤波后,产生+24V电压,为背光灯板等负载电路供电;TW902次级绕组⑧-⑨-①脚输出的感应脉冲电压经VDW953整流、CW956、cw957 LW952.CW958等滤波后,产生+12.2V电压,经连接器输出,为主板等负载电路供电。
(3)稳压控制电路
主开关电源的稳压电路由光电耦合器NW951、取样误差放大电路NW952(TL431)组成,对TW902次级输出的+24V、12.2V电压进行取样,加到误差放大器NW952的①脚,经NW952内部比较放大后,产生误差电压,通过光电耦合器NW951调整FFR1700L的③脚内部振荡器的振荡频率,进行稳压控制。
(4)过流保护电路
NW920的④脚为电流检测输入端,RW907为内部开关管的S极电流检测电阻,NW920的④脚通过RW906与RW907的AGND端相连接。RW907两端的电压降反映了主电源电路电流的大小,当NW920的④脚电压超过保护设定值时,nW920就会停止工作。
5.开/关机与保护电路
该电源板开关机控制电路如图5所示,并设有以模拟可控硅为核心的主电源过压、过流保护电路。
(1)开/关机控制电路
开机时,主板送来PS- ON高电平,vw979导通,光耦NW955导通,将PNP三极管vw901的b极电压拉低而导通,副电源输出的vcc电压经vw901输出vCC1供电,为PFC和主电源驱动电路供电,PFC电路和主电源启动工作,输出+24V和+12.2V电压,进入开机状态。待机时PS-ON变为低电平,Vw979截止,光耦NW955截止,VW901截止,切断vcC1供电,PFC电路和主电源停止工作,进入待机状态。
(2)模拟可控硅保护电路
模拟可控硅由VW972、VW973为核心组成,过压保护电路由13V稳压管VDW961和27V稳压管VDW962,隔离二极管VDW963组成。当主电源输出的12.2V电压升高到13V时,击穿稳压管VDW961,经VDW963向模拟可控硅电路vw973的b极注入高电平,模拟可控硅保护电路启动;当主电源输出的24V电压升高到27V时,击穿稳压管VDW962,经VDW963向模拟可控硅电路Vw973的b极送入高电平触发电压,模拟可控硅保护电路启动。VW973的b极得到高电平时,模拟可控硅电路导通,将开关机控制电路光耦NW955的①脚电压拉低,NW955截止,VW901截止,切断VCC1供电,PFC电路和主电源停止工作,进入待机保护状态。过流保护电路由取样电阻RW969 (见图5所示),运算放大器NW956A (LM358) 为核心组成,RW969串联在12.2V输出电路中,当12.2V负载电路发生短路故障,造成电流过大时,在RW969两端产生的电压降增大,迫使运算放大器NW956A的①脚电压翻转,输出高电平,经VDW987将15V稳压管VDW968击穿,向模拟可控硅电路VW973的b极送入高电平触发电压,模拟可控硅保护电路启动。
二、维修实例
例1:三无,指示灯不亮。分析检修:测量市电输入电路的保险丝F901未断,测量开关电源无电压输出,判断该开关电源电路发生故障。对开关电源进行检测,测量驱动电路NB905的⑧脚无启动电压,对⑧脚外部的启动电路RB906、RB907进行检测,发现RB906烧断,更换RB906后,故障排除。
例2:三无,指示灯不亮。分析检修:测量市电输入电路的保险丝F901未断,测量电源无5.3Vsb电压输出。测量C9O3//CF904两端300V电压和NB905的⑧脚启动电压正常,测量驱动电路NB905的①脚电压为2.3V,⑥脚电压仅为4V,测量电源板负载和TB901次级整流滤波电路无短路故障,外接18V电源为NB905供电,开关电源仍不能启动,怀疑NB905内部不良。试更换NB905后,故障排除。维修实践表明,带有高压恒流源启动电路的IC容易损坏,故障原因可能是内部电路抗高压冲击能力差所致。
例3:5.3Vsb电压正常,无24V和12.2V输出。分析检修:判断故障在PFC电路或主电源电路。采用脱板维修:把开机控制脚PS -ON与5.3V端用导线短接强行开机后,主电源仍无输出,此时测量5.3V电压在2.5~3.3V波动。判断一是副电源带负载能力降低,二是副电源开机后的vCC负载电路故障。测量5.3V滤波电容和负载电路未见异常,检查vCC供电和负载电路,发现PFC校正电路NF903的⑧脚对地电阻很低,仅为10Ω,断开⑧脚检查外部电路,发现CF923漏电击穿,更换CF923后,故障排除。
例4:指示灯亮,不开机。分析检修:开机检测到24V输出偏高为27.5V,可以确定是24V电压偏高导致保护电路启动,造成不开机故障。检查主电源稳压电路,测光耦NW951的①、②脚之间的压降为1.12V,偏高,但是测误差放大器NW952(TL431 )的基准电压2.5V正常,可以确定稳压环路无故障。检测PFC电路输出电压PFC,发现该电压为430V明显偏高,可以确定故障在PFC电路,测PFC取样①脚电压为2.5V,挨个测PFC的①脚外围的取样电阻,发现RF901的阻值变大,将其代换后PFC电压降为380V,故障排除。



