康佳LED液晶彩电采用的KPS+L140E06C2-02型电源板,编号先后为34007562、34007620 ,器件编号35015321,是将开关电源和LED背光灯驱动电路合二为一的电源板,其中开关电源集成电路采用FAN7530+FSGM300+FSFR1700+LM324组合方案,输出+5.1VSB/4A、+110V/0.7A、+12V14.5A电压;背光灯驱动电路采用BALANCE6P,对6路LED背光灯串进行均流和调光控制。KPS+L140EO6C2-01 二合一板与该板基本相同,二者应用于康佳LED42MS92D、LED42MS11DC、LED4211DCMZ3.LED42IS97N.LED42MS05DC、LED42C320ON等LED背光超薄等液晶彩色电视机中。
一、电路原理
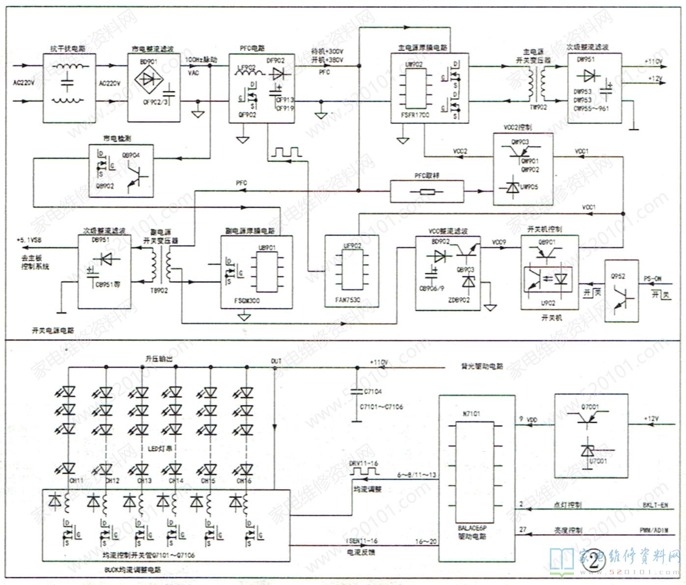
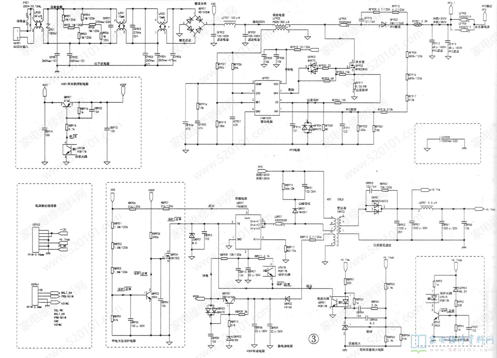
康佳KPS+L140E06C2-02电源+背光灯二合-板实物图解见图1所示,电源板电路组成框图见图2所示,电路图如图3所示。
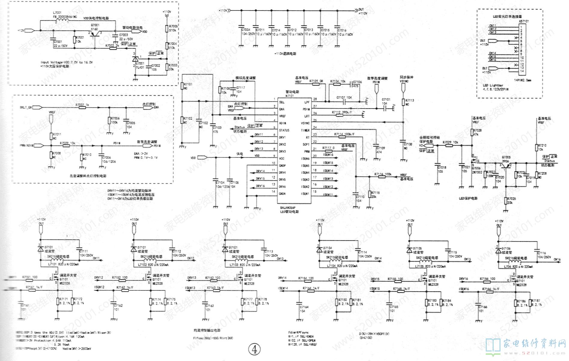
康佳KPS+L140E06C2 02电源+背光灯二合一板的背光灯板发生故障时,一是背光灯板不工作,所有的LED灯串均不点亮,引发有伴音无光栅的故障;二是个别灯串或电流控制电路发生故障或老化,引发显示屏局部不亮或亮度偏暗的故障。由于6个BUCK均流控制电路的电路相同,维修时可采取测量相同电路、相同部位电压、电阻的方法,将相同部位的测量结果对比分析,找到电压或电阻异常的故障电路,再对该电路元件进行检测,找到故障元件。
维修提示1:显示屏局部发暗。(1 )测量LED灯串回路电压;(2)测量均流控制电路。根据不亮LED灯串判断出故障通道后,检测相关联的Buck电路上的开关管 G极波形是否正常 ,逐一检测续流二极管 、开关管 及电感,如果正常却没有输出或输出异常,应为N7101上对应的均流通道异常,则更换N7101。
维修提示2:显示屏黑屏。(1)检 查背光灯工作条件;(2)检查输出电路;(3 )检测稳压电路;(4 )检查驱动电路。上述电路正常,检查N7101外部电路元件是否异常,如异常,更换损坏器件;如正常,更换N7101芯片维修实例4:开机有伴音,无光栅。遇到显示屏背光灯全部不亮情况,主要检查背光灯板的供电电路、点灯控制和亮度调整电路。测量+110V电压正常,测量稳压电路无VDD电压输出,检查Q7001、U7001组成的VDD供电电路,有+12V 输入,无VDD电压输出。测量误差放大器U7001的③脚为高电平,①脚电压低于正常值检查①脚降压分压电路,发现降压电阻R7005阻值变大,由正常时的510k增大到2MΩ左右,且不稳定,更换R7005后,通电试机故障排除。
康佳KPS+L140E06C2-02电源+背光灯二合-板的背光灯驱动电路如图4所示。
康佳KPS+L140E06C2-02电源+背光灯二合一板的主电源电路图见图5。
二、故障维修
康佳KPS+L140E06C2-02电源+背光灯二合一板的开关电源电路发生故障,主要引发开机三无、自动关机等故障,可通过观察待机指示灯是否点亮,测量关键的电压,解除保护的方法进行维修。
1、待机指示灯不亮:(1)查保险丝是否熔断;(2查副电源300V供电;(3 )查副电源启动、保护电路。
2、待机指示灯亮:(1)检查VCC1供电PFC电路;(2)检查VCC2供电电路;(3)检查UW902及其外部电路。
3、自动关机:(1)根据故障现象,判断是否保护;(2测量关键点电压,判断哪路保护;(3)解除保护,观察故障现象。
维修实例1:开机三无,指示灯不亮。测量副电源无5.1VSB输出,判断故障在副电源电路中。测量电源板保险丝未断,测量大滤波电容CF913、CF919两端有300V供电,判断副电源未启动。测量副电源厚膜电路UB901的⑤脚启动电压,仅为12V,远低于正常值,检查⑤脚外部的启动电路RB906、RB907,发现RB906阻值变大,更换RB906后,故障排除。
维修实例2:开机三无,指示灯亮。先测副电源输出的待机5.1VSB电压正常。拆板脱机维修,模拟开机短接5.1VSB和PSON,12V输出端接12V摩托车灯泡做假负载,测量主电源仍无+110V、+12V输出。通电测CF913.CF919两端电压为380V,说明PFC电路已正常工作。测主电源初级UW902的工作条件:⑦脚无vCC2供电。检查⑦脚外部的VCC2控制电路,发现QW903截止,测量QW903的b极控制电路,发现RB902阻值变大,更换RB902后,电源板启动正常,主电源各电路正常,故障修复。
维修实例3:开机三无,指示灯不亮。通电先测副电源无待机5.1VSB电压输出,测量UB901的⑥~⑧脚300V供电正常,测量其⑤脚有约200V的启动电压,判断副电源未工作。检查UB901的各脚电压,发现③脚低于正常值,检查其外电路,发现③脚不但与稳压控制电路光耦相连接,还与QB904的D极相连接。测量QB904的G极电压为高电平1.2V,判断市电过低保护电路启动。测量市电电压为225V,在正常范围内,试将QB904的G极对地短路,通电试机,电源板正常启动,判断市电过低保护电路元件变质引起误保护。检查该保护电路发现分压取样电阻RB902阻值变为无穷大,更换RB902后,开机故障排除。




