用电阻代换过压保护管修复长虹LT42510FHD液晶不开机故障

2023-02-15 18:44:18  阅读 1104 次 评论 0 条
摘要:

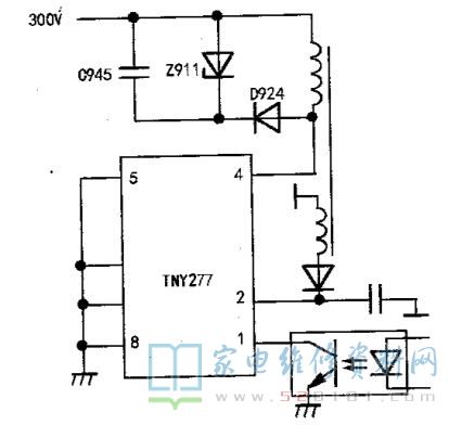
一台长虹LT42510FHD型液晶彩电,开机后待机灯一闪一闪,不开机。拔去电源板(型号715T2828-3-FQ)所有输出连线,通电测副电源5V输出在空载时也只有4V,故障应在电源板待机电源。待机电源芯片

      一台长虹LT42510FHD型液晶彩电,开机后待机灯一闪一闪,不开机。拔去电源板(型号715T2828-3-FQ)所有输出连线,通电测副电源5V输出在空载时也只有4V,故障应在电源板待机电源。待机电源芯片是TNY277 ,如图1所示,测稳压光耦发光管二端电压仅0.3V,说明稳压检测回路已检测到输出电压(过低),光耦截止,电源初级有问题无法提高输出电压。测300V正常,手摸TNY277有温升。次级空载时芯片有温升,说明初级负载很重引起芯片过流保护。开关变压器和尖峰脉冲吸收回路有问题都会引起过流保护,检查D924完好,拆下Z911,测其正、反向电阻均为300Ω。该元件型号为P6KE160A,是一种过压保护管,正常时阻抗很大,当两端电压达到160V时击穿导通,过压消失后又恢复高阻抗。现在电阻很小显然已经损坏,由于手头无此元件,参照其他电路用47kΩ/1W电阻代替,开机,机器正常,修复成功。

用电阻代换过压保护管修复长虹LT42510FHD液晶不开机故障 第1张

版权声明:本文为转载文章,版权归原作者所有,欢迎分享本文,转载请保留出处!