欣锐HSU25D-1M6型二合一电源板是专为LED液晶电视设计的,其开关电源控制芯片采用5AARYK,LED背光驱动电路控制芯片采用MP4012,输出电压为12.3V/2.5A、56.7V/375mA。该二合一板主要用在长虹LED32C2JDi(ZLM41G-iJ-1机芯,屏型号为M320X13-El-H)彩电中。
此电源为主板提供的电压只有一路12.3V,通过主板上各DC-DC转换成主板所需的各类电压;为背光电路提供的电压为35V,通过升压转换成56.7V,供LED灯串工作。
一、结构和工作原理介绍
该二合一板元器件组装结构如图1、图2所示。

1、市电输入、整流滤波电路

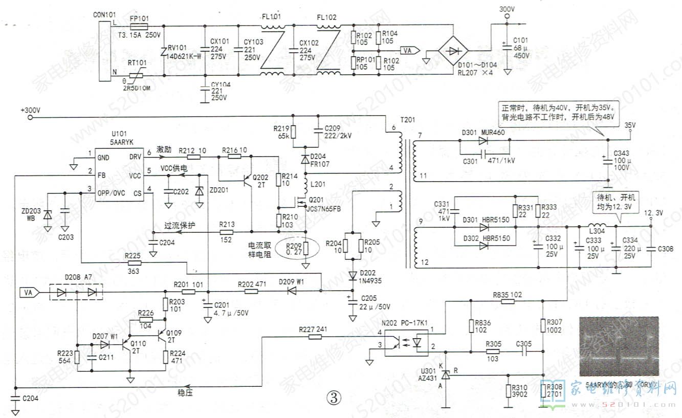
该机的开关电源部分电路如图3所示。市电经保险管FP101、热敏电阻RT101、压敏电阻RV101进入抗干扰电路。CX101、CX102、FL101、FL102、CY104、CY103构成抗干扰电路,以消除电网杂波进入开关电源,同时防止开关电源产生的干扰进入电网。滤除干扰后的市电经D101~D104全波整流、C101滤波后形成300V左右的直流电压送开关电源。
2、开关电源
该电路主要由电源控制芯片5AARYK(U101)、开关管Q201、开关变压器T201、三端误差放大器U301、光电耦合器N202等构成。
(1)5AARYK简介
5AARYK型号全称是NCP1251,它是一种电流控制型离线电源PWM控制器,采用峰值电流控制模式,芯片正常工作频率为65kHz,当电源次级工作在轻载条件下时,芯片工作频率自动降到26kHz或自动进入到跳周期工作模式,芯片内置过压、过流保护功能。5AARYK采用TSOP-6型小尺寸封装,其引脚功能和实测数据见表1。

(2)启动工作过程
300V直流电压一路经T201⑥-④绕组、电感L201送到Q201的D极。同时,AC220V交流电压经R101~R104分压后,形成一个正比于市电交流电压的VA。该电压经D208整流C201滤波后为U101⑤提供启动电压,当启动电压达到启动电平(16V)时,U101开始工作,⑥脚输出开关激励脉冲,使Q201工作于开关状态。T201②-①绕组产生的感应电压经D202整流.c205滤波后得到约15V电压,一路经D209.R202加到U101的⑤脚,取代启动电路为U101供电;另一路经R225限流后加到U101的③脚,用于u101对开关变压器监测,限制开关变压器的输出功率。同时,③脚还作为过压保护脚,当该脚电压超过3V时,U101自动切断驱动输出,停止工作。
T201次级⑨-12绕组产生的感应电压经整流、滤波后,在C334两端形成+12.3V电压,路经连 接器CON201输送往主板,另一路则送LED背光电路,为背光控制芯片MP4012(U201)提供工作电压。T201次级⑦-11绕组产生的感应电压经整流、滤波后,在C343两端形成约+35V电压,送往LED驱动电路,作为升压电路的输入电源。
(3)稳压控制
稳压控制电路由取样电路R307、R308//R310,三端误差放大器U301,光电耦合器N202和U101的②脚内部电路组成。
当电网电压升高或负载变轻时,+12V输出端电压升高,一路经R835为光电耦合器①脚提供的电压升高;另一路经R307、R308//R310分压取样后,加到误差放大器U301的R端电压升高,经U301比较放大后,N202②脚电压下降,其内部的发光二极管发光加强,N202内部光敏管导通增强,将U101的②脚电压拉低,经U101内部电路比较控制后,⑥脚输出的脉冲宽度变窄,Q201导通时间缩短,输出电压下降,达到稳压的目的。若开关电源输出电压下降,则稳压过程与上述相反。
(4)保护电路
1)尖峰脉冲吸收电路,由D204、R219、C209组成,用于防止Q201在截止瞬间被过高的反峰电压击穿。
2)过流保护电路,由R209和U101的④脚内部电路组成.Q201源极电阻R209为电流取样电阻。当负载短路等原因引起Q201源极的电流增大时,R209两端的电压增大,U101的④脚电压升高,当④脚电压升到保护阈值时,U101关闭⑥脚PWM脉冲输出,实现过电流保护。
3)功率限制和过压保护电路,由C203、R225、ZD203及U101的③脚内部电路构成。反馈绕组上感应的脉冲电压经D202、C205整流滤波得到直流电压,通过电阻R225加到U101的③脚,限制T201输出功率。同时,此脚作为过电压保护脚,当该脚电压升到3V时,内部保护电路启动,关闭⑥脚PWM脉冲输出,实现过压保护。
3、LED背光驱动电路
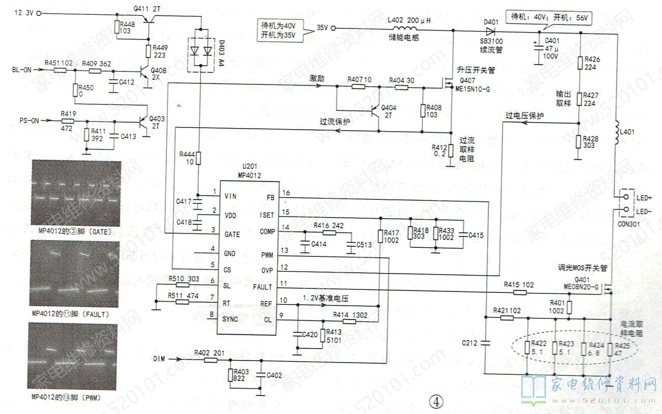
LED背光驱动电路由LED背光控制芯片MP4012、自举升压电路、保护电路等几部分电路组成,相关电路如图4所示。

(1)驱动控制电路
驱动控制电路以MP4012(U201 )为核心构成。MP4012是一块高精度电流控制型LED驱动控制器,内含稳压器、振荡器、逻辑控制电路、驱动输出LED背光灯串电流控制、亮度调整等电路,能为高亮度发光二极管提供8V~90V直流供电,并具有升压电路过流、过压保护和背光灯串开路、短路保护,欠压锁定和热关断功能,其引脚功能和实测数据见表2。
(2)启动过程
二次开机后,主板送来的高电平开机信号PS-ON使Q403截止。主板送来的高电平BL-ON背光开启信号使Q408饱和导通,Q411随之饱和导通,12.3V通过Q411的c-e极及D403降压后得到约11.6V电压,为U201①脚供电。亮度调整DIM脉冲经R402送到U201③脚,背光灯电路启动工作,一是从③脚输出升压开关管激励脉冲,推动升压输出电路工作,为LED灯串正极供电:二是从①脚输出LED灯电流控制电压,对LED背光灯负极电流进行控制。
(3)升压电路
该电路由升压开关管Q407、储能电感L402、续流二极管D401、滤波电容C401构成,将35V直流电压提升到56V左右,为LED灯串供电。
二次开机后,U201启动工作,推动Q407工作于开关状态。Q407导通时,+35V电源电压经L402、Q407的D-S极、R412到地,在L402中储存能量,产生左正右负的感应电压;Q407截止时,L402中产生左负右正的感应电压,36V电压与L402中存储的自感电压叠加,经D401向C401充电,产生LED+输出电压,经连接器CON301输出,点亮LED背光灯。
(4)恒流控制、调光控制电路
该电路由U201的11、13、15、16脚内部电路和开关管Q401组成,采用PWM调光。主板送来的亮度调整DIM脉冲从13脚送入U201。当DIM信号为高电平时,11脚输出高电平驱动信号,Q401导通,56V电压经LED灯串、Q401 R422//R425到地,LED灯串发光。取样电阻R422~R425的压降反映了LED
灯串电流的大小。取样电压反馈到U201的16脚,与灯电流阈值设置端15脚的电压比较,校正11脚驱动输出。当DIM信号为低电平时,11脚输出为低电平,Q401截止,LED灯串电流通路被切断,LED灯串不发光。
改变DIM信号脉冲的占空比就改变了单位时间内LED灯的点亮时间,即实现了对背光亮度的控制。
(5)保护电路
升压开关管过流保护:R412两端的电压反映了流过开关管Q407的D、S极的电流大小,该电压反馈到U201的⑤脚。当流过Q407的电流过大,U201的⑤脚电玉达到保护阈值时,U201内部保护电路启动,停止输出激励脉冲,背光灯电路停止工作。过流检测功能的阈值由⑨脚(cL)电平决定。⑨脚是MOSFET开关管工作电流限制设置端,在10脚基准电压(REF)与⑨脚间接有分压电阻R414、R413,用作开关管电流阈值设定。⑨脚电压不得超过450mV。
过压保护/LED背光灯开路保护:升压输出电路中的c401两端接有R426、R427与R428分压取样电路,对升压输出电压进行取样,反馈到U201的12脚。当56V电压超过78v(12脚电压超过4.95V)时,u201内部保护电路启动,③脚停止输出激励脉冲,同时11脚输出低电平。只有当故障排除后,电路才会再次启动。
LED背光灯串过流保护:U201的16脚为开关管s极电流反馈端。U201 根据16脚的反馈电压,判断LED灯串电流大小,对11脚的调流脉冲进行调整。当LED电流过大,Q401的s极电压过高,送到16脚的电压达到阈值时,内部保护电压启动。15脚为灯电流设定控制端,在10脚(REF)与15脚间接有分压电阻,用于灯电流校正基准电流阈值设定。
二、维修实例
例1:接通电源后,红色指示灯亮,约十秒后指示灯熄灭,不能开机。分析维修:接通电源后,测得开关电源12.3V输出端的电压始终为4.79V,35V电压始终为0V,怀疑升压电路有短路性故障,但检查后未见异常。检查开关电源次级整流滤波电路也正常。判断故障在开关电源初级,测量300V电压正常,U101各脚电压见表3,与正常值比较,发现多个引脚电压不正常,一时很难分析出故障部位,决定先对电解电容C201(4.7uF/50V)和C205(22uF/50V)迸行检查,这两个电容易出现容量减小故障。经查C201已完全无容量,C205正常。更换C201后故障排除。
例2:有伴音,黑屏。分析维修:二次开机后背光灯不亮。测量主板送到电源板的电源开机PS-ON信号为高电平(4.3V),背光开启BL-ON信号为高电平(3.5V),也有背光亮度控制DIM脉冲输入,说明故障在LED背光驱动电路或LED灯条中。检查LED灯条供电接插件CON301没有松脱或接触不良现象。测量升压电路输入电压为47V,输出电压也为47V,说明升压电路没有工作。测量U201③脚(GATE)电压为0V,说明无激励脉冲输出。测量U201①脚(VIN) 和13脚(PWM)电压,发现①脚无供电电压,13脚有约1V的直流电压,于是检查Q403、Q408、Q411等供电电路中的元件,发现R419一端虚焊补焊后故障排除。