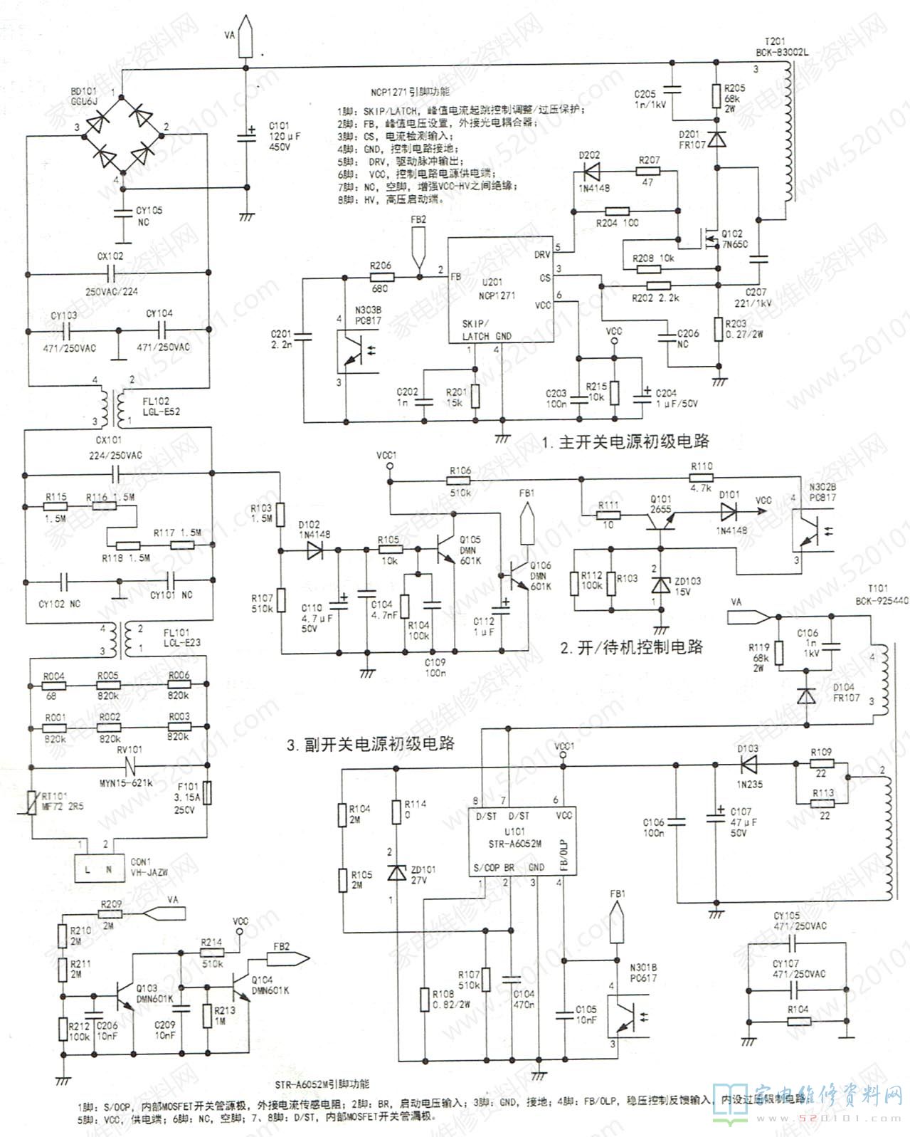
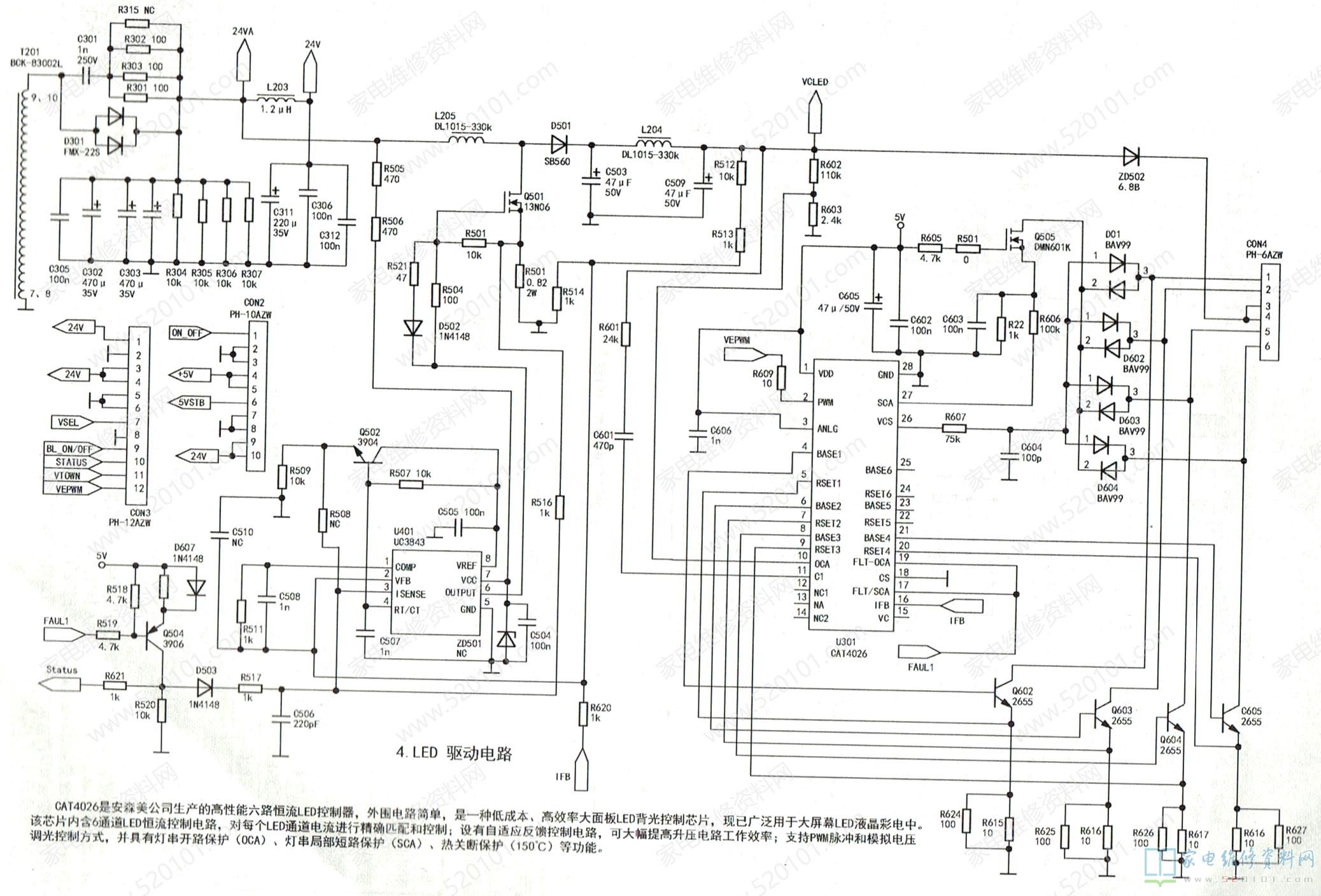
HS070D-3MF01二合一电源板主要用在长虹LED24760X、LED24860等型液晶电视中,其副电源芯片采用STR-A6052M,主电源芯片采用NCP1271,LED背光控制芯片采用CAT4026。STR-A6052M是三肯公司开发的新型开关电源单芯片,采用DIP-8封装,内置一个功率型场效应晶体管和电流型脉宽调制控制电路,具有过电流和过载保护功能,电磁噪声低,输出功率可达20W。NCP1271A/B是安森美半导体公司最新推出的一款国定频率电流模式PWM开关控制器,内置可调跳变电平和外部锁存的软跳过模式备用的PWM控制器,具有低噪声、低功耗的优点。NCP1271A与NCP1271B的内部电路和引脚功能基本相同,区别在于前者内部振荡器的振荡频率为65kHz,后者为100kHz。
版权声明:本文为转载文章,版权归原作者所有,欢迎分享本文,转载请保留出处!


