长虹FSP160- 3PI01型IP板(图纸)是“永胜宏"开发的二合一电源组件,适合型号为LC320WXE-SBB1的LG液晶屏,主要用于32英寸(LS23机芯)液晶彩电,如长虹LT32620、LT32620A、LT32710、LT32710(L11)、LT32629、LT32629(L15)等机型。
该IP板集成电路采用STR-W6252+UC3845B+LX1692IDW组合方案。该IP板输出4组电压:逆变电路和伴音电路供电的24V/1.5A;待机电压5VSB/1A;主5V/4A,为小信号处理电路供电;点灯交流高频电压800~1000V。
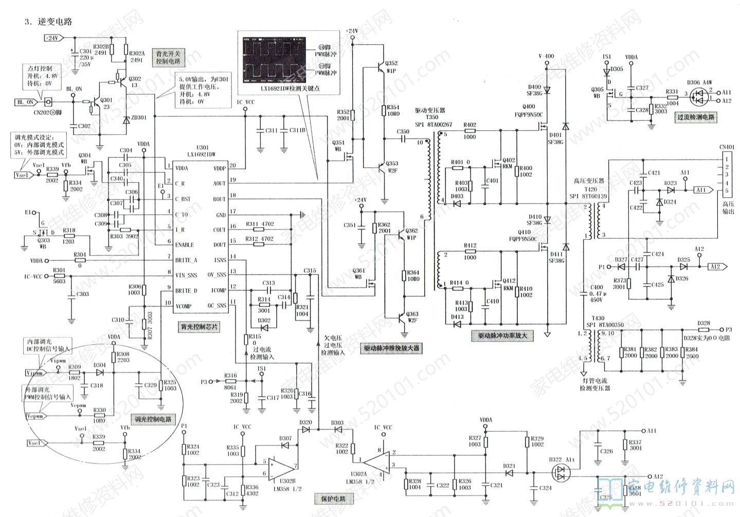
FSP160-3PI01型IP板实测电路如图1~图3所示,主要IC的引脚功能与实测数据见表1~表5。
1、PFC电路与主电源电路
2、副电源电路
3、逆变电路
版权声明:本文为转载文章,版权归原作者所有,欢迎分享本文,转载请保留出处!


