松下TH-P46U20C等离子电视指示灯不亮不开机的维修

2022-12-12 18:39:13  阅读 1968 次 评论 0 条
摘要:

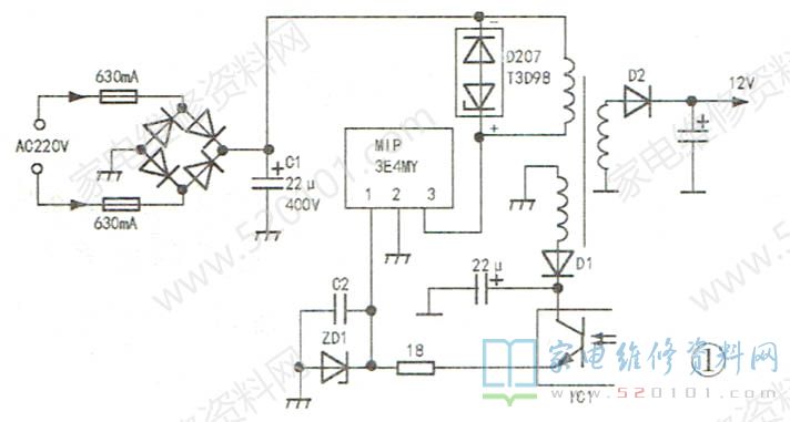
接修一台松下TH-P46U20C等离子彩电,上电后面板指示灯不亮,无法开机。根据故障现象分析,判断副电源电路有问题。该机副电源芯片采用MIP3E4MY组成,如图1所示。测副电源没有12V电压输出,负载也没

      接修一台松下TH-P46U20C等离子彩电,上电后面板指示灯不亮,无法开机。根据故障现象分析,判断副电源电路有问题。该机副电源芯片采用MIP3E4MY组成,如图1所示。测副电源没有12V电压输出,负载也没有短路情况, 630mA保险丝已烧断。测C1两端充放电正常,桥堆正反向电阻也正常,这说明短路点在其他地方。仔细观察后发现电源芯片的散热片下部发黑,经查芯片②、③脚间有打火痕迹,这应是保险丝烧断的原因。

松下TH-P46U20C等离子电视指示灯不亮不开机的维修 第1张

      用细齿锯条将打火部分锯掉,使芯片②、③脚间有一个凹槽,以增加绝缘距离,再涂上704绝缘胶,测得芯片三脚之间没有短路现象,安装好电源芯片并更换保险丝后试机,故障排除。

      值得一提的是,D207(CT3D98)是一只复合二极管,其正反向电阻均为无穷大。用耐压测试仪测得D207正向耐压为160V,反向耐压为800V。在开关管截止期间,当D207+端电压超过460V时,D207导通,使开关管承受的反向电压不超过460V。另外,电源芯片MIP3E4MY可用TOP202直接代换,由于后者在轻载时稳压性能稍差,因此代换后要在12V电压输出端和地之间接一只1kΩ的负载用MF368指针式万用表Rx1k挡测得MIP3E4MY引脚间电阻见表1。

松下TH-P46U20C等离子电视指示灯不亮不开机的维修 第2张

版权声明:本文为转载文章,版权归原作者所有,欢迎分享本文,转载请保留出处!