夏普LCD-32D500A液晶电视开机背光约2秒后熄灭的故障维修

2022-12-05 18:35:56  阅读 1298 次 评论 0 条
摘要:

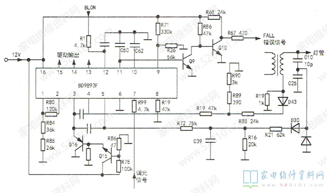
接修一台夏普LCD-32D500A液晶彩电,开机背光约亮2s即灭,约过10s又亮2s又灭,以后就一直不亮了,回到待机状态。本机背光控制芯片是BD9893F,实绘电路如图1所示,上电时监测主板发出的BLON

       接修一台夏普LCD-32D500A液晶彩电,开机背光约亮2s即灭,约过10s又亮2s又灭,以后就一直不亮了,回到待机状态。本机背光控制芯片是BD9893F,实绘电路如图1所示,上电时监测主板发出的BLON信号,起先是0V,等一会升到3V,这时背光亮一下就熄灭了,但BLON端子仍然是3V,约过10s又回到0V,然后马上又升到3V,背光又亮一下然后待机。

夏普LCD-32D500A液晶电视开机背光约2秒后熄灭的故障维修 第1张

       从检测情况看该背光电路和主板之间应该有反馈信号,若背光工作不正常,背光电路向主板发出一个出错信号,主板收到出错信号后延时10s再输出BLON低电平,使背光电路复位,然后再发出一次 BLON高电平信号,尝试再启动背光电路工作,如果还是收到出错信号,主板就进入待机状态。
      检查线路发现背光板和主板的连线中有一根线标注为“FALL",中文是“失败”或“出错”的意思,这应该就是背光电路的反馈线。Q9、Q10(均是带阻三极管)把BD9893的11脚的信号放大后送往主板。11脚的功能是软启动,外接电容C50。背光芯片得到主板发出的BLON信号后,11脚输出一个电流给C50充电,C50上的电压逐渐升高,芯片由此控制输出脉冲的频率和占空比,以实现软启动。在背光点亮时,测该脚电压2.8V,熄灭时为0V。由此可以看出,经Q9、Q10两次反相后,在背光点亮时“FALL"反馈信号是高电平,熄灭时是低电平。
      此类故障大多是保护电路动作了,查资料得知BD9893F的10脚是延时保护端,外接电容C62。当芯片检测到VS或IS电压不正常时,10脚输出电流对C62充电,当C62上的电压大于1.26V时,芯片进入保护状态。尝试将10脚短路到地(即去保护)后开机,背光稳定点亮,但图像有点发红。断开10脚短路线,开机时监测⑤脚VS电压,发现在背光点亮时是1V,马上升到1.2V后背光熄灭,至此可判断本机灯管老化引起VS电压升高,芯片进入保护。尝试在R16两端并联一只82k电阻,开机后背光不熄,⑤脚电压升到1.12V后慢慢回落,最后稳定在1.05V。
      BD9893F的④脚是IS灯管电流检测,正常状态电压是1.06V。该电压偏差过大,芯片也要进入保护状态。因此去保护不能把VS或IS直接短路到地。
      背光灯管老化后灯管刚点亮时的状态是不稳定的,发光亮度偏低且偏红,这时候通过灯管的电流较小,芯片监测到IS信号偏小后会作出反应,提高高压,这样容易引起背光芯片进入保护状态。随着LCD液晶电视使用日久该现象会越来越多,适当降低Vs电压是行之有效的办法。

版权声明:本文为转载文章,版权归原作者所有,欢迎分享本文,转载请保留出处!