夏普LCD-32BK7液晶电视副电源电路分析与维修

2022-11-29 18:14:01  阅读 1072 次 评论 0 条
摘要:

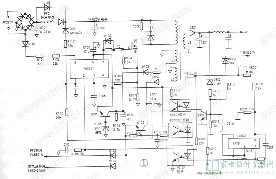
夏普LCD-32BK7液晶电视的副电源如图1所示,220V市电经桥式整流后没有接大容量的滤波电容,所以C101两端是频率为100Hz幅度为300V的脉动直流电压。C101 的容量只有0.22uF,起滤除高频

      夏普LCD-32BK7液晶电视的副电源如图1所示,220V市电经桥式整流后没有接大容量的滤波电容,所以C101两端是频率为100Hz幅度为300V的脉动直流电压。C101 的容量只有0.22uF,起滤除高频干扰的作用。待机时,PFC电路不工作,C109上的电压为300V;PFC电路工作后,C109上的电压为390V。

夏普LCD-32BK7液晶电视副电源电路分析与维修 第1张

      D102直接接交流电源, 整流电压经R101和R102降压后给副电源芯片FA5531的⑧脚提供启动电源,该脚内部是一个高压恒流源,提供一个小电流给芯片⑥脚外接的CI0O电容充电,当C100上的电压达到12V时芯片开始工作,⑤脚输出驱动脉冲到场效应开关管。开关变压器辅助绕组L1的感应电压,经D103整流.C110滤波、Q101稳压后给芯片⑥脚供电。芯片正常工作后,⑧脚启动电路停止工作。开关变压器另一个辅助绕组L2的感应电压经D104整流、C107滤波及Q102控制后给PFC芯片FA5501和主电源芯片STRZ-2156A供电。次级L3绕组感应电压由D301整流、C301滤波后输出6V电压,送给主板。
      电源次级的IC302和PC101光耦组成取样稳压反馈回路,6V输出电压经VR301、R308接IC302控制极(R)。IC302是一只5脚贴片元件,标注为"FA7D" ,实为TL431。当输出电压偏离6V时,IC302控制PC101的导通程度,经光耦反馈到FA5531的②脚,使输出电压保持稳定。FA5531 的主要引脚功能如下:
      ①脚(ZCD)的主要作用是检测开关变压器辅助绕组的电压,即所谓的过零检测,当该绕组电压为oV时,控制电路才输出脉冲使开关管导通,该脚还有过压保护功能,一共检测3个电压:-一个是PFC电压,D101是一个440V的高压稳压管,如果PFC电压超过440V,D101导通,经R117使①脚电压升高,芯片停止工作并锁定。另外两个监测电压是副电源输出的6V和主电源输出的24V电压,当这两个电压中某组过高时,D302或D303导通->Q304导通->pC102导通,⑥脚的vcC电源经R111和PC102使①脚电压升高芯片停止工作并锁定。①脚的保护电压阈值是8V。
      ②脚(FB )是稳压光耦反馈脚,防止取样反馈环节开路或短路引起输出电压失控。当稳压环节开路引起②脚电压大于3.3V时,或短路使②脚电压小于0.4V时,芯片都会停止工作。③脚(IS)为开关管过流保护检测脚,R107是开关管电流取样电阻,取样电压经R108送芯片③脚,当该脚电压大于1V时,芯片停止工作。
      为降低功耗,芯片的工作频率根据负载大小自动变化:待机时负载很小,③脚的电压会变小,开机后负载增加,③脚电压也会增加。芯片通过检测③脚电压变化,自动降低或升高工作频率,最低工作频率是26kHz,最高工作频率是65kHz( FA5530 )或130kHz( FA5531/32)。
      ⑤脚(DRV )是驱动开关管信号输出端。二极管D102的作用是加速开关管截止,当⑤脚为低电平时,开关管G极上的电荷通过D102快速释放,以加速开关管截止,从而减少功耗。
      ⑥脚(vcc)是电源脚,该脚工作电压范围9.85V~28V,若超出该范围,芯片停止工作。

      开机过程:主板发出高电平POW-ON开机信号后,光耦PC103导通,Q102因基极得到高电平而导通,PFC芯片和主电源芯片得电工作。检修实例:一台夏普LCD-32BK7液晶彩电,电视机面板指示灯闪烁,无法开机。查副电源输出的6V电压波动,为确定故障点在电源的初级还是次级,先拔去电源板与主板的连线,测空载6V正常,在6V输出端接一只30Ω电阻作假负载,电压仍波动,测芯片⑧脚,电压在70V~90V间波动。正常工作时,⑧脚电压应大于100V,且稳定,这说明辅助电源没有输出足够的电压供给芯片⑥脚。测芯片⑥脚电压在7V左右波动,但Q101的c极却有13V电压。经查D105已漏电,换上一只20V稳压二极管后通电,副电源输出稳定的6V电压,接好主板试机,故障排除。

      修复后正常工作时测D105两端电压仅为17V,说明这只稳压管只是在辅助绕组电压较高时才起稳压作用,应急时也可以拆掉D105不用。

      另外,6V和24V过压取样D302和D303都是色环稳压管,前者是“紫、绿、绿”,稳压值是7.5V,后者是“橙、黑”,稳压值是30V。

版权声明:本文为转载文章,版权归原作者所有,欢迎分享本文,转载请保留出处!