三星LA46S81B液晶电视逻辑板上电阻开路引起的灰屏故障维修

2022-10-17 18:36:13  阅读 1780 次 评论 0 条
摘要:

接修一台三星LA46S81B型液晶电视,开机后有声音、灰屏(背光亮),控制功能正常,根据故障现象分析,判断电源、小信号处理、背光驱动及背光源基本正常,故障部位可能在逻辑板或屏边板电路中。拆机检查,该机采用三星LT

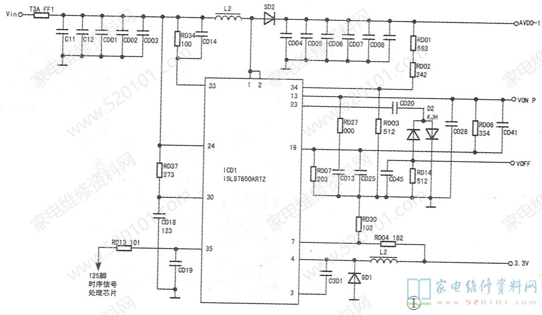
     接修一台三星LA46S81B型液晶电视,开机后有声音、灰屏(背光亮),控制功能正常,根据故障现象分析,判断电源、小信号处理、背光驱动及背光源基本正常,故障部位可能在逻辑板或屏边板电路中。拆机检查,该机采用三星LTA460WT-L15屏,逻辑板型号是4046HDCP2LV0.6,逻辑板上直流变换电路芯片采用ISL97650ARTZ(ICD1)。直观检查逻辑板,没有明显异常的元件。检测VIN12V、AVVD-1、AVDD、vON-P、VON、VOFF及vCOM端对地电阻,无明显短路现象,并且保险FP1正常。开机测量逻辑板电压,供电+12V 正常,3.3V电源正常,其余电压均为0V。拆除逻辑板与屏体的两条连接排线,测量上述电压情况不变,排除液晶屏体损坏引起逻辑板电压异常的可能性。

      接下来检测ICD1及其外围电路,如图1所示。

三星LA46S81B液晶电视逻辑板上电阻开路引起的灰屏故障维修 第1张

     测量ICD1 24脚( Vin1 )、33脚(Vin)有12V电压输入,用示波器测量④脚(LXL )波形正常,但①脚(LX1)、②脚(LX2)及23脚(NOUT)无脉冲波形,怀疑ICD1损坏,但将其换新后故障依旧。再次检测,发现35脚(EN,使能端)电压为0V,而30脚(ENL,使能端电压为3.68V。顺着35脚线路查找,如图2所示,发现该脚外围电阻RD13另一端电压为3.38V,判断RD13已开路,断电检测确已开路。换上一只100Ω的贴片电阻后试机,图像正常,故障排除。

三星LA46S81B液晶电视逻辑板上电阻开路引起的灰屏故障维修 第2张

       提示:1、本例故障的原因是电阻RD13开路引起逻辑板直流转换芯片ICD1不工作。由于直流转换芯片故障率较高,维修人员往往先入为主,认为直流转换芯片ICD1损坏;加之ICD1采用TQFN封装,不便测量引脚电压,容易在没有全面测量其相关引脚电压的情况下误判ICD1损坏。2、正常工作时,该逻辑板上的AVDD电压为15V,VOFF电压为-7.5V,VON-P电压为21.03V。
版权声明:本文为转载文章,版权归原作者所有,欢迎分享本文,转载请保留出处!