液晶电视黑屏是指屏幕上无光栅,这是液晶电视最常见的故障。液晶电视屏上显示图像需要两大电路支撑:一是逻辑TCON板正常工作,二是背光源要提供动力满足背光灯工作发光。这两大条件之一出现故障均将出现黑屏或隐约暗光,我们将此现象通称作“黑屏”。本文就液晶电视黑屏原因及维修方法给大家介绍。
一、逻辑板正常工作条件及故障检修
1.屏供电电压
主板送入逻辑板供电电压,也叫“屏供电电压”。该电压受主板控制系统控制,通常在开机过程中由控制系统输出,此路电压未送入TCON板,TCON板将不会工作,液晶屏组件中TFT晶体管不会工作,部分背光通过液晶层,屏幕上会隐约有非常微弱的光,即暗光现象。如果整机有伴音而无图像,应首先怀疑屏供电,包括TCON板。
主板屏供电电路通常由控制系统输出控制信号控制P沟道耗尽型MOSFET管或由IC内置两只P沟道MOSFET管导通和截止来实现,见图1和图2。
图1电路,在开机过程中,控制系统送出高电平控制信号使QA03饱和,从而使U22栅极G电平拉低,U22的S、G极正偏而导通,U22的S极所接电压通过S.D极给屏TCON板供电。U22在此起开关、隔离和功率放大作用(由于屏工作电流较大,故此部件不能随意替换型号或短接S、D极,否则导致主板损坏)。上屏电压低或无,不只是U22、QA03这样的元件异常,还可能是LVDS PWR-EN控制信号从控制系统输出到达QA03基极的通道有故障,也有可能是CA18这样的滤波电容性能差或周围元件变质引起。

图2是液晶电视主板供逻辑板工作的另一种供电电路。这种电路在液晶电视主板电路中较常见。与图1区别在于,供电开关控制部件由内部集成两只P沟道MOSFET管的IC部件代替。工作原理与图1一样,要求N2的④脚G极电压要低于S极,工作时要求控制G极的NPN管是饱和状态即可,为此要求该电路的控制系统须输出低电平,否则整机将出现黑屏。如果N2的④脚因为电路有故障,使S、G极间不能正向导通将出现黑屏。如一台海信TLM32E29型机(主板编号为RASG7.820.1598),黑屏无字符。开机背光亮,测TCON无12V,测量供电控制电路n2(AO4459)的⑤脚~⑧脚没有输出,①脚~③脚有12V 供电,④脚外部控制三极管V5和V50控制正常,而④脚电压为0V,显然12V经R7给④脚供电出了故障。检查R7开路,更换R7后故障排除。
2.DC-DC转换块或滤波电容

逻辑板上DC-DC转换块或滤波电容变质,导致上屏供电因后续负载过流而损坏,从而导致屏上无光栅。逻辑板接收主板送入的5V或12V供电(因屏型号决定供电大小)。图3给出了三星LTA320AP02液晶屏逻辑板主要供电框图。主板提供的屏IN电压首先经过保险管F1及滤波元件后,接入电源管理IC7的16、20~22脚,屏供电通过分压电阻给IC7的③脚提供启动电压,IC振荡工作,有开关电流经过L11和IC7的④、⑤脚,L11建立能量,通过D2整流电容CD15等滤波,这样在这些电容上建立了IN电压再叠加上L11建立的能量,形成AVDD_1电压给ICD2开关控制形成AVDD电压。此电压送给IC8形成控制液晶分子的控制信号STVP1、STVP2 (使栅极G输出触发控制的指令)及CPV1、CPV2缓冲板移位器所需时钟等。从IC7的11脚输出经耦合的开关脉冲,再经D8、C11形成VSS负压供屏工作。IC7 18脚输出脉冲,经外部LC滤波元件形成VCC_3.3的3.3V电压,经BE1~BE3三磁珠给图像GPU块IC1和缓存器IC324等供电。
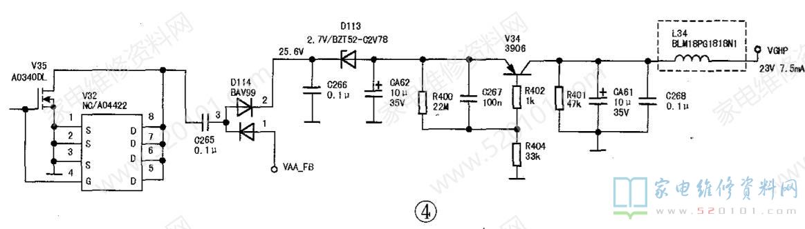
由此可见,主板提供给逻辑板的IN电压因为逻辑板上的电源管理IC或IN通道上滤波元件变质或ICD2这样的开关元件等击穿过流,都会引起保险元件F1开路,出现TCON板不工作;或者电源管理IC7形成的其他电压或3.3V不正常,导致TCON板工作异常,从而出现液晶分子透光控制失效,即使有背光灯亮,屏上仍出现黑屏。如一台海信TLM3233D型液晶电视“开机黑屏但看得见有竖线,声音正常、背光亮”。首先测量逻辑电路的供电vCC-panel有5V,测屏上关键电压VDA有13.5V 正常,测VGL有-5.5V也正常,但测VGH却为oV(正常是23V),由此判断故障在逻辑电路的VGH形成电路,见图4。
测量图中VAA_FB 13.5V、D114 的①脚13.5V、②脚0V,检查D114已开路。将D114更换后VGH恢复正常的23V,电视画面显示正常。
又如海信TLM32V66A型机(主板板号RSAG7.820.4204)灰屏、有伴音。测上屏电压12V正常,测逻辑板N21(TPS65161)屏电源管理模块各脚电压,结果18脚输出开关脉冲经L17及滤波电容形成的3.3V电压只有1.2V,异常。手摸接L17有点烫手,此电压给TCON板时序控制块也是LVDS处理块供电。再测N21的①脚VGL1电压(-5V)、④脚VGH电压(正常时30V)也都不正常。测N21的各脚对地电阻,18脚只有150Ω左右,不正常。试拆掉在路的C231、C237电容,在路阻值上升到15.2kΩ左右,替换C231、C237 ,18脚电压有3.3V,测N21输出其他各路电压已正常,故障排除。此故障说明电源IC某电压形成脚过载,会导致整个IC 工作不正常而引起TCON板不能正常工作。TCON板的检查大多集中在电源管理电路,这部分电路是故障多发地。
3.LVDS信号有故障
液晶电视出现背光点亮,伴音正常,黑屏是因为主板送往逻辑板的LVDS信号有故障。对此类故障,首先测量主板接逻辑板的上屏电压,后检测LVDS信号。LVDS各脚工作电压通常在0.5V~1.2V间变化,普通屏的频率通常在70MHz以上,如LC420WX7-SLA1-731(EN)屏LVDS信号频率在72MHz,场频为60Hz。
一台海信TLM3277型电视开机有伴音、黑屏故障。拆开后发现,出现黑屏时背光仍亮,说明黑屏是主板或逻辑板存在问题;手动主板有时出现图像,由此判定电路存在接触不良故障。当用手拨动主板与逻辑板之间的连线时故障现象明显改变,测主板输出LVDS信号电压正常,但测逻辑板LVDS电压有多路电压不正常,判定是排线接触不良。拔下排线用橡皮擦把触点上的污垢擦干净后通电试机,故障排除。
接TCON的LVDS不正常,还与主板LVDS插座有些引脚电压发生变化、主板主芯片内数字YPbPr信号转LVDS信号的电路有关。此电路通常有3.3V和1.2V供电,故黑屏可测量主板各DC-DC电压块输出电压判定,仍不能判定时可替换主板。
二、背光未亮引起的黑屏原因及分析
1.背光电路保护电路或振荡电路不工作
此类故障表现为有伴音、逻辑板工作,但背光不能正常点亮。这样的故障我们通常叫做背光电路有故障。液晶电视屏上要有图像显示,需要背光源电路给LED灯串或CCFL冷阴灯管提供供电,CCFL灯管或LED灯串发光,光经屏内光学部件到达液晶层,再经逻辑板对IVDS信号分解成驱动屏上TFT管对应位置的液晶分子改变排列方向,光源透过此处液晶分子滤色膜在屏上形成像素点,利人眼分辨有限和眼睛混色原理,屏上形成彩色图像,故液晶电视黑屏要首先观察背光是否亮,判定方法是直观屏组件后部一些漏光孔便知。漏光孔见不到光,证明背光电路有故障。其故障原因可能因为背光电路自身引起,也有可能是主板送来的控制信号不正常,也有可能是电源送入背光电路的电压不正常等原因所致。
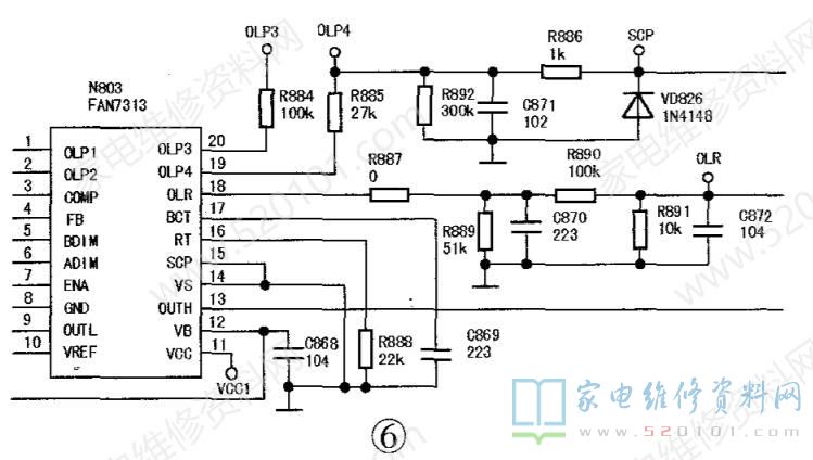
如海信TLM26E58型电视开机显示LOGO画面后便无光,伴音仍正常。测电源送往主板的各路电压正常,测主板去TCON板的信号也正常,由此推断故障在背光电路。测主板送给背光板的背光开关信号及背光调光信号正常,该机使用的是海信自产背光电路与开关电源于一体的电源板。背光振荡控制芯片为飞兆公司的FAN7313,测量IC供电脚正常,后检测IC 18~20脚外接保护电路时,发现19脚过流保护电路的电压在启动瞬间为0.75V(正常应为2.5V左右),说明过流电路起控。通常情况下可断开外接电阻R886判定,如果断开光栅出现,则需检查18、19脚外部电路,否则与IC其他电路有关。后检查发现18脚过压保护电路对地滤波电容C872漏电,将其更换后机器恢复正常,相关电路见图6。

这种因背光电路引起的黑屏故障比例是较高的,平时多积累各种背光振荡控制IC资料便能正确判定。
其次,主板送往背光电路的控制信号如背光启动BLON/OFF或背光亮度控制信号,二者之一不正常也会引起黑屏,此时伴音正常。主板送往背光电路的控制信号电压应超过3V才能满足背光电路工作条件要求。维修时可以模拟两路控制信号的电平值来实现,断开主板接背光电路的两路控制信号通道,再将电源送往主板的5V通过20k电阻分别接入路控制脚便可。
如海信TlM26E29型液晶彩电,冷开机黑屏,背光不亮,但每次开机后电视机可正常收看。冷态测量电源各路输出正常,测主板背光开关信号仅0.5V,不正常。该信号为主芯片输出经三极管反相从c极输出。用一只20k电阻从5VM接到该脚,背光出现,由此判断故障在背光控制电路。检查主板此路控制电路元件,发现V4上拉电阻R12变质,更换R12后故障排除,见图7。

背光控制电路故障有时是因为送入 V4或V6基极的通道电路信号中断引起。由于控制信号从控制脚输出后经过多层板走线,通道中孔不通或漏电控制不正常,都会出现黑屏。主板送往背光电路板的两路控制信号通常接振荡电路或控制LED灯串电流。背光启动BLON是作为振荡IC启动工作的使能信号,或作为振荡IC供电控制信号,见图8。

电源组件送往背光电路的12V电压要送入N901,需主板送入sw背光启动信号(高电平)使V805、V806饱和导通,这样12V通过V806接入N901,故主板sw信号不正常或V805、V806不正常都可能导致N901不能启动振荡,从而出现背光不能点亮黑屏故障,所以逆变电路引起的黑屏故障要检查电源送入的电压及主板过来的两路控制信号,以及逆变电路自身振荡和控制电路等。又如海信TLM37V86K型机,开机屏亮马上就灭,测电源5V、12V正常。此电源板为二合一电源,怀疑背光部分电源损坏。检测逆变器T919、T910、T911,发现T909明显较其他几个小,替换后故障排除。
2.电源工作异常
电源无供电送往逆变电路,或提供给逆变电路的供电低于正常值等原因都会导致逆变电路不工作或时工作时不工作。如遇到电源输出电压异常,则按电源故障进行检修。如一台海信TLM2633N型电视开机背光闪烁一两分钟后保护而黑屏。该情况说明主板控制正常,背光闪烁一两分钟后无输出说明背光源驱动板因某些原因保护关掉输出。因该机使用海信自主研发的二合一电源板,背光驱动N803使用FAN7313,该芯片外围有着非常齐全的保护电路,如18脚过压检测、19脚过流检测。先短路R889(相当于将18脚接地),使过压检测功能失效,此时背光点亮,说明故障在过压检测电路。对灯管供电形成电路检查,发现功率部分390V供电不稳定,在380V~383V波动,怀疑PFC电压不稳定引起。检查PFC电路,发现电容C810已经没有容量。更换C810后PFC电压恢复为稳定的385V。恢复原电路后通电试机,故障排除。
以上说明PFC电压不稳定会引起背光闪烁甚至背光不亮。PFC电压不稳定有时还会导致自动关机故障,故整机工作异常时,除测电源送往主板和逆变电路的各路电压外,还应重点测量电源PFC电压及电源送出各路电压的滤波电容的质量。
三、主板引起液晶电视黑屏原因分析
1.主板系统软件不稳定
整机能接收各种各样的信号源和显示丰富的图标、字符等,都是由系统程序决定。液晶电视还存在同机芯与不同分辨率的屏配合生产出不同系列的产品,主板的程序存储器(即FLASH块)写入了满足不同屏的格式转换软件,以驱动主芯片与DDR组成的格式转换电路用不同的运算程序进行逻辑加、减运算,满足不同分辨率屏的.显示要求或同主板同屏也存在接收不同节目源,变频过程驱动程序的不同,若电视机在使用过程中因为一些原因导致程序丢失,出现某些节目源下黑屏(无图)或黑屏也无字符,也有可能是同机芯不同主板故障引起,或替换的新板上程序块中没有写入原机屏驱动软件,从而出现开机背光亮、黑屏故障。
如一台海信TLM26V68型液晶彩电(主板编号RSAG7.820.1800 VER.B,主芯片为MST721),搜台黑屏死机,但无信号时(蓝屏状态河换台,且台标显示正常,但自动搜节目时无任何反应,将蓝屏关闭后电视就黑屏,无任何反应。首先怀疑高频头有故障,测量5V、33V、I2C总线电压都正常,再测主板其他各路电压3.3V、1.2V正常,替换主芯片12MHz工作晶体,现象仍存在,怀疑软件有问题。找了一个适合该机的软件和升级工具对电视进行软件升级,开机重新自动搜索节目,电视工作正常。
注意:海信MST机芯液晶彩电很容易出现Flash数据丢失。如果此类机器出现异常情况,测量主板电压又正常时,不妨先进行升级尝试。

又如一台长虹LT32876型液晶电视(长虹LS20A机芯),有伴音、黑屏。测电源各路电压正常,测主板送往逆变板的背光启动与背光亮度信号时,发现背光启动控制信号BL_ON/OFF始终为低电平。将5V电压直接短接到电源接主板插座J908④脚的BL _ON/OFF脚,背光启动,说明主板背光启动控制电路有故障。对主板BL.ON/OFF电路(见图8 )进行检查,未发现故障,后怀疑系统软件出错,用U盘进行软件升级后故障排除。又如一台IS20A机芯的长虹LT37900FHD(L08 )型液晶电视,开机后指示灯不停闪烁,不开机。怀疑软件有问题在U盘中放入软件高于被升级机型的软件(该机原版本为LPC20A -MXX -V1.06-WX,后升级为LPC20A- -MX- V1.09-WX ),升级后故障排除。
2.存储器故障引起的黑屏
液晶电视控制系统的存储器通常分三类:一是用户存储器EEPROM,一种是保存整机程序的存储器(以前叫FLASH块,后来发展成EMMC NAND FLASH),一种是加速系统运行的应用存储器DDR(DDR在以前的平板电视上叫SDRAM帧存储器,现在的智能电视上的DDR3存储器)。存储器组成的电路有故障也会导致黑屏,严重时会出现不开机。
有些电视机出现黑屏时,在采用刷新软件后,却出现屏幕显示系统处于“升级过程中”,屏幕无任何变化,如同死机,如遇这样的故障,通常是EMMC工作不正常或损坏,测量EMMC供电及纹波幅度未发现问题,怀疑EMMC失效,试更换写有数据的EMMC(由于EMMC引脚采用BGA,对维修人员来讲最好采用换板维修)。智能电视采用EMMC的较为普遍.EMMC存储器与以往平板使用的NANDFlash有区别,EMMC除有NAND存储器的功能电路外,内部还有控制芯片,见图9。EMMC存储器供电特点:Vcc=2.7V~3.6V,Vcc=1.65V~1.95V或2.TV~3.6V,耗电时90mA,休眠时100uA。整个机器所有程序和字库、语音库都放在其中。

用户存储器EEPROM除保存用户存储信息外,还保存有主板匹配不同分辨率屏的参数。如果存储器损坏,也会引起有伴音、黑屏现象。如一台长虹IT37710 (L11 )型液晶彩电(LS23机芯)便出现黑屏有伴音现象,测试主板去背光电路的控制信号正常,测主板各路工作电压也正常,替换用户存储器U14(24C32)后故障排除。
有的电视机存储器中保存的屏参发生变化;导致的电视故障表现为暗屏、无伴音故障。如一台长虹LT22620A型液晶彩电(LS23机芯,主芯片型号为MST721DU )故障便是暗屏、无伴音。出现此故障时,通常可以在另一同机芯板上取一块写有数据的存储器来替换U14,如果没有此条件,也可试用盲调屏参的方法故障排除。直接进入总线调整状态后反复按遥控器上的“右键”,系统将逐一进行屏参选择,如果选择正确,屏幕上便出现光栅和字符,后再重新进入总线调试状态,选择正确对应的屏型号(本机使用的遥控器,直接进总线调试调动存储器中保存的对应屏型号, 使电视机主芯片正常工作,从而显示图像和声音),这就是盲调总线法。盲调屏参的方法;顺按“静音”键、“菜单”键、“2008”、按遥控“右键”(按一次屏参会逐渐向前选择一次),出现光栅和字符后,遥控关机再开机,再进入总线调整状态选择正确屏参即可。此机经过这样处理后,故障排除。注:长虹LS23机芯彩电出现此故障的几率较高。
3.接收某一种节目源黑屏
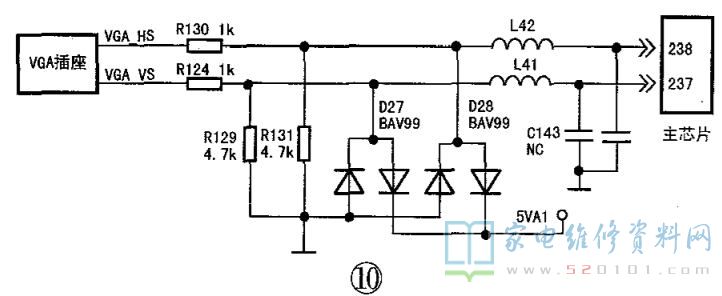
出现此情况,通常是由于主芯片未检测到信号源中的同步信号。因为主芯片与动态帧存储器组成的格式转换电路在进行逻辑运算前,首先是控制系统要识别节目源中行、场同步信号,二者代表了信号的扫描格式及分辨率等信息,系统识别后触发相应程序在主芯片内进行逻辑运算,来捕捉形成一幅满足屏工作的新画面的分辨率,所以如果信号中代表图像同步信号的成分丢失或幅度不够都将影响该节目源的处理,从而在此节目源下出现黑屏。如一台长虹LT52720F型液晶彩电(LM24机芯),接vGA热机约半小时黑屏。通过对VGA插座输出的VS、HS通道进行检查,发现场同步通道中电感L42虚焊。重新补焊后故障排除,相关电路见图10。

4.屏的ID识别脚故障引发黑屏
某些芯片,引脚设计有屏的ID识别地址,系统识别此脚电平来启动图像处理单元电路,输出相应屏种类所需的LVDS信号的帧频和传输率的LVDS信号。如长虹IS20A机芯主芯片(型号为MST6M69L)121脚定义的功能符号是ID_PANEL,即屏的ID识别功能脚。121脚有三种电压状态,从而决定主芯片格式转换后输出信号满足三大类屏分辨率及刷新率显示要求。当整机使用全高清FHD屏时,电路只接R372,121脚电压为3.3V;使用120Hz屏时,电路接入R372和R373,121脚电压为1.5V;使用普通屏时,电路只接R373,四脚电压被置0V。若替换主板导致121脚电平状态与实际使用屏状态不一致,或121脚外接电路出故障,便会发生黑屏现象。故检修这类机芯电视黑屏故障时,应确认主芯片此脚的电平状态。
提示:长虹LS30机芯主芯片MST6M48RXS的207脚为屏识别地址脚,长虹LS26机芯主芯片MST6M15的79脚为屏识别地址脚,见图11。

5.OPC控制相关电路引起的黑屏
具有功率优化控制功能OPC的产品,整机使用的屏是LG屏,且屏型号中带有“SBD1"。这类产品通常背光亮度控制除受主芯片输出背光信号控制外,还受TCON送来的反映画面亮度变化的信号控制,但OPC功能启动受主芯片控制。
例如,长虹LM24机芯液晶彩电的主芯片64脚被定义输出的PWM1信号为DCR EN (OPC 使能信号)。 PWM1经Q1806 接入上屏插座CON32的24脚或CON24的21脚,使TCON板亮度检测电路工作,TCON对主板送来的图像信号分析后,送出反馈信号去背光亮度控制电路,与主芯片输出的背光亮度控制信号共同对背光亮度进行控制,实现整机功率校正。故电视机在使用过程中,因为替换主板后与原机所配屏状态不一致,或存储器中保存屏参发生错误,或电视机升级软件不兼容等原因都可能导致TCON板该送出OPC控制信号却没有送出,或TCON板不具有oPC功能,而主芯片启动了此功能,从而导致背光不能点亮。出现此类似故障时,仍可采取前面介绍的强制打开背光灯的方法,强制将BL ON/OFF、BL-ADJ脚接上3.3V以上电压,屏幕点亮后再进入总线状态,关闭不应该启动的或应启动OPC功能选项,这样来排除黑屏故障。也可进行U盘软件刷新或替换存储器排除故障。
6.背光检测信号异常引起黑屏

带有屏背光状态检测的液晶产品,背光检测信号异常会出现冷开机一切正常,热机后背光闪烁或黑屏故障。如长虹LM24机芯液晶彩电主板插座cON3的①脚送入INVERTER_STATUS 背光电路状态识别信号去主芯片MT8222( U34 )的128脚,见图12。当128脚设计有此路信号时,此路信号需正常工作,否则出现冷开机整机工作一切正常,放一段时间指示灯有规律地闪红灯,图像和声音都正常,关机后再开机又正常,放一会儿又开始闪。这是控制系统判定逆变器电路有故障的提示信号,严重时会出现背光不能点亮。如长虹lT32720型液晶彩电使用有AUO和LG塑料背板屏,当为AUO屏时主芯片不会检查这个信号;如果是LG的屏,则检要检测R262处电压,正常应为低电平,如果是高电平,查看CB221(47k)电阻,且确认R122(见图13)没有使用时,此路电压升高,有可能是逆变电路有故障,也有可能是主板主芯片或软件故障。如果开机进入总线查看屏参型号选错,或在总线调整状态下关闭参数和检查逆变电路无故障,此时对主板进行同机芯同屏软件升级或替换主板以排除故障。

7. TCON板供电过压故障引起黑屏
有的液晶电视TCON板设置有供电过压检测信号,此路信号将送入主板屏供电控制电路。当屏供电超出标准值时,TCON板将送出保护TCON板的关闭信号,从而导致屏供电中断出现灰屏有伴音、 背光亮故障。如长虹LM24机芯液晶彩电上屏供电电路U31的G极,除受主芯片输出的屏供电GPIO4信号控制外,Q45的c极按有TCON板送来的M80_ LVDS_POWER信号控制去控制Q41,见图14。
在整机使用LG或AUO屏时,上屏插座CON24 24脚送来的信号经电阻R377接入Q41基极,见图15。
此路信号的产生是在上屏电压超过屏规定的电压值时,TCON板将输出低电平使Q41截止,从而迫使U31没有输出。不同的屏TCON供电保护信号符号标注是有区别的,如此机芯配三星屏时, TCON送出的屏过压检测信号从cON25的⑥脚(标的符号是PVP-SAMSUNG )送出,经电阻R11接入Q41的c极,即直接控制U31停止输出供电,保护TCON。故出现灰屏这种故障时,可将Q41的c极对地短路判定。如果灰屏故障消失,便检查Q41、Q45相关联的电路来排除故障。正常工作时,Q45 b极应为低电平,Q41 b极应为高电平0.6V。
8.其他原因引起的黑屏故障
通常液晶电视背光电路与外组件相连的主要是主板和电源灯组件,但有的屏背光电源还与逻辑板有连接,逻辑板工作状态将给背光电路进行反馈,以正常启动背光电路板。逻辑板没能正常进入工作状态时,会出现伴音正常黑屏故障。如长虹3D42A7000IC型液晶彩电(LM38ISD机芯),能听到开机音乐,但背光不亮。测背光控制信号( BL-ON )3.36V正常;断开背光升压板到逻辑板的连接线( CN3),背光恢复正常,还是黑屏。由此推断,主板或TCON板没工作。测上屏供电只有2.1V,不正常。后发现主板U21的①脚和③脚有12V 输入,而输出端⑤脚~⑧脚电压为2.1V。通过对U21组成的电路进行检查,最后替换U21故障排除,连接好逻辑板到高压板的连线,图像恢复正常。这里提醒同行,此故障如果判定不准确,常误判为逻辑板损坏。
