美乐LE32M12B液晶电视热机状态下横纹干扰

2022-11-29 00:44:18  阅读 972 次 评论 0 条
摘要:

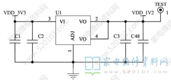
接修一台美乐液晶电视用户反映热机横纹干扰(约30分钟以后),最后灰屏有声没影,拆开后查看发现是一体主板型号为:TP.MS18VG.P77,然后测量主板1.25V,2.5V,3.3V,5V均无问题。吹风机加

      接修一台美乐液晶电视用户反映热机横纹干扰(约30分钟以后),最后灰屏有声没影,拆开后查看发现是一体主板型号为:TP.MS18VG.P77,然后测量主板1.25V,2.5V,3.3V,5V均无问题。吹风机加热后屏幕出现横纹后,马上测量,发现U1,3.3V转1.25V电路输出为2.25V。明显不对,于是查看元件型号,为1117ADJ,换新后,再次测量1.25V,吹风机加热后电压保持。不再出现横纹干扰。观看1小时后,无问题,故障修复。

美乐LE32M12B液晶电视热机状态下横纹干扰 第1张

美乐LE32M12B液晶电视热机状态下横纹干扰 第2张

版权声明:本文为转载文章,版权归原作者所有,欢迎分享本文,转载请保留出处!