6870C-0414A逻辑板故障维修图解

2022-11-28 19:35:39  阅读 1392 次 评论 0 条
摘要:

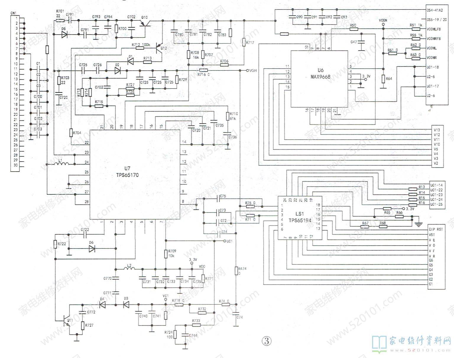
该型逻辑板配用LG LC320EXN-SEA-K31液晶屏,其实物如图1所示,电路组成框图如图2所示,DC-DC变换电路如图3所示。

      该型逻辑板配用LG LC320EXN-SEA-K31液晶屏,其实物如图1所示,电路组成框图如图2所示,DC-DC变换电路如图3所示。

6870C-0414A逻辑板故障维修图解 第1张

6870C-0414A逻辑板故障维修图解 第2张

6870C-0414A逻辑板故障维修图解 第3张

版权声明:本文为转载文章,版权归原作者所有,欢迎分享本文,转载请保留出处!