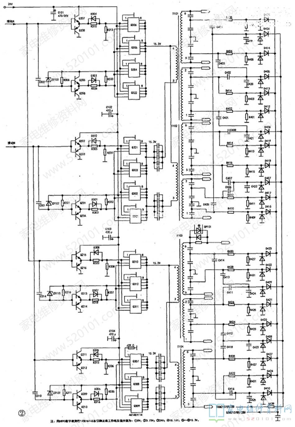
液晶电视SSI-400-14A01高压板电路原理图 2022-11-17 19:02:35 阅读 750 次 评论 0 条 摘要: SSI-400-14A01高压板广泛的应用在国产和合资品牌液晶电视中,例如TCLL40E9FBE、海信TLM40V66PK、三洋LCD-40CA610T、康佳LC40GS60DC等液晶电视。下图是SSI-4 SSI-400-14A01高压板广泛的应用在国产和合资品牌液晶电视中,例如TCL L40E9FBE、海信TLM40V66PK、三洋LCD-40CA610T、康佳LC40GS60DC等液晶电视。下图是SSI-400-14A01,仅供大家维修参考使用。 版权声明:本文为转载文章,版权归原作者所有,欢迎分享本文,转载请保留出处! 点赞 分享: PREVIOUS:采用FAN6755芯片的开关电源维修心得 NEXT:三洋LCD-40CA610T液晶电视背光板电路维修 文章导航