在《家电维修》2015年的第11期
杂志中,刊登了一篇张兵先生在修理采用
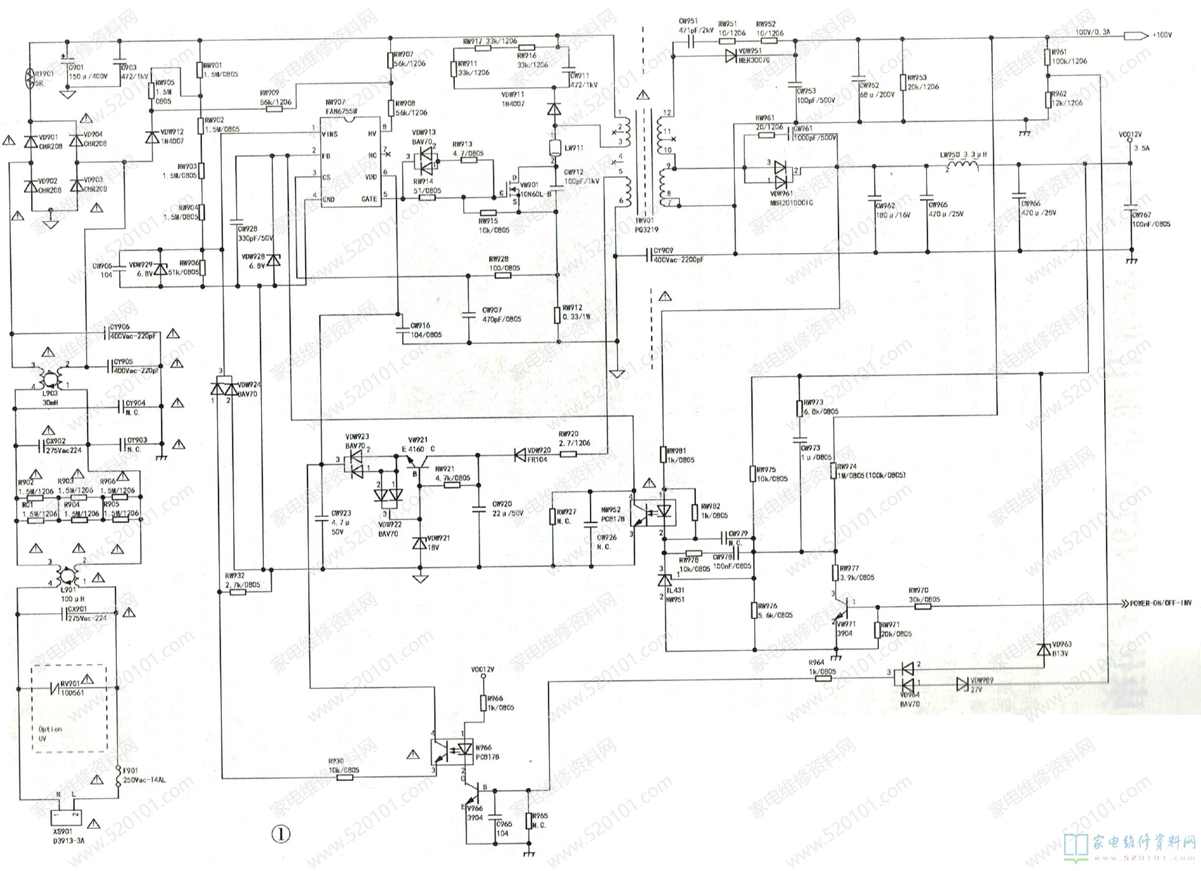
FAN6755芯片电源时遇到困惑的文章,这种情况本人也遇到过,近期维修两台康佳LED液晶电视,电源板都是采用FAN6755芯片,故障现象均为“三无”。
在检查过程中,测量芯片⑥脚vcC电压只有4V,说明芯片没有正常工作;测①脚电压3.77V,说明市电电压检测电路正常;测⑧脚电压200V,说明芯片的高压恒流源启动电路还在工作,但启动电路提供的电流很小不能维持芯片的正常工作,由于芯片不工作所以其他引脚电压都为0V。断电后检查芯片各引脚对地电阻,发现⑤脚对地电阻仅为12Ω,单独测新芯片⑤脚和④脚之间电阻是380Ω,怀疑芯片的⑤脚和④脚击穿,拆下芯片后测线路板⑤脚对地电阻是10kΩ,试更换FAN6755后故障排除。奇怪的是再测量换下的芯片⑤脚和④脚之间的电阻,和好芯片一样也是380Ω, 重新装上去果然工作正常,出现这种令人费解的情况,一种解释是芯片内部有缺陷引起不工作拆芯片时电烙铁的高温使其暂时恢复了正常,而在线测量芯片⑤脚对地电阻仅12Ω,可能是因为300V滤波电容上存有余电,使⑧脚也有一个电压所致,并非芯片⑤脚击穿。
在检查过程中,测量芯片⑥脚vcC电压只有4V,说明芯片没有正常工作;测①脚电压3.77V,说明市电电压检测电路正常;测⑧脚电压200V,说明芯片的高压恒流源启动电路还在工作,但启动电路提供的电流很小不能维持芯片的正常工作,由于芯片不工作所以其他引脚电压都为0V。断电后检查芯片各引脚对地电阻,发现⑤脚对地电阻仅为12Ω,单独测新芯片⑤脚和④脚之间电阻是380Ω,怀疑芯片的⑤脚和④脚击穿,拆下芯片后测线路板⑤脚对地电阻是10kΩ,试更换FAN6755后故障排除。奇怪的是再测量换下的芯片⑤脚和④脚之间的电阻,和好芯片一样也是380Ω, 重新装上去果然工作正常,出现这种令人费解的情况,一种解释是芯片内部有缺陷引起不工作拆芯片时电烙铁的高温使其暂时恢复了正常,而在线测量芯片⑤脚对地电阻仅12Ω,可能是因为300V滤波电容上存有余电,使⑧脚也有一个电压所致,并非芯片⑤脚击穿。
另外,文章中说:如果芯片⑥脚电压在3V~9V之间,要检查vcC供电稳压部分电路,这可能会引起误解。我们先了解一下芯片的启动过程:芯片⑧脚加上300V电压以后,其内部的恒流源开始向⑥脚外接的CW923充电,当充电电压达到16V时,芯片⑤脚输出驱动脉冲,场效应开关管导通,开关变压器副绕组产生的感应电压经整流稳压后,接替启动电源给芯片供电。在此启动过程中,由于某种原因(过流(过压、欠压等)启动不成功,由于芯片⑥脚得不到辅助电源的持续供电,电压下降到4V左右,这个电压是⑧脚的恒流源提供的。由于⑧脚外接有RW907和RW908,恒流源工作时⑧脚电压会比300V低许多(约200v),而芯片正常工作时,恒流源停止工作,⑧脚电压会接近300V。因此,在上电瞬间VW921的c极应有过12V以上的电压,然后回到0V,这说明芯片已经工作过了,这时才需检查稳压调整回路。
版权声明:本文为转载文章,版权归原作者所有,欢迎分享本文,转载请保留出处!
