目前平板电视,信号处理电路均采用大规模数字集成电路来处理信号,数字集成电路的VCC供电;一般都不超过3.3V;现在1.8V、1.2V供电的大规模数字集成电路已经大量的运用在国产平板电视机上。这些集成电路的供电;也是由开关电源输出的24V或者12V经过降压成 1.8V或1.2V对这些集成电路供电,早期电视机的低压VCC供电均采用78××系列降压集成电路,但是对于现在的大规模数字集成电路;供电电流达到几安培甚至数十安培;显然这种供电方式损耗太大。现在的低压供电采用;低压开关电源方式供电。
在海信TLM3277液晶电视机的开关电源中有一块由12V→5V M的降压集成电路NE304 LM2576-5.0,有人认为它是一块类似78XX系列的降压三端稳压器件,其实它是一块优秀的低压DC→DC开关降压稳压器件。
在TLM3277液晶电视机中,数字电路部分的供电有 3.3V 1.8V。 其供电特点是供电电压低、供电电流大。而整机主开关电源对数字供电部分提供的输出电压是12V,而过去传统设计者多习惯采用线性稳压器件(如78xx系列三端稳压器件)作为电压调节和稳压器件来将较高的直流电压转变为数字电路所需的低压工作电压。这种线性稳压电源的线性调整元件等效一个降压电阻,在进行降压工作时,会产生极大大的“损耗”(其损耗值为V压降×I负荷电流),其工作效率极低仅为30%~50%(视输入/输出电压比及负载电流决定),加之工作时产生较高的热量,其工作的稳定性差,且极易损坏。
而开关电源调节器件则以完全导通或关断的方式工作。因此,工作时要么是大电流流过低导通电压的开关管、要么是完全截止无电流流过。因此,开关稳压电源的功耗极低,其平均工作效率可达90%。在相同电压降的条件下,开关电源调节器件与线性稳压器件相比具有少得多的“损耗”。因此,开关稳压电源可大大减少散热片体积,甚至不需要加装散热片,而且还提高了稳定性、降低了成本。
采用开关稳压电源来替代线性稳压电源作为数字电路电源的另一个优点是:由于“损耗”的减少,可以大幅度的提高输入电压,从而改善了在输入电压较大幅度变化或输出负载变换较大时,仍能维持稳定的输出,使动态范围大大提高。
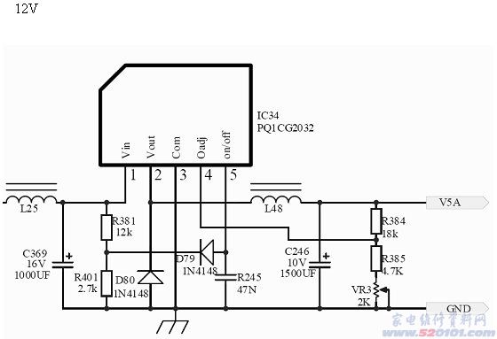
LM2576系列开关稳压集成电路是线性三端稳压器件(如78xx系列端稳压集成电路)的替代品,它具有可靠的工作性能、较高的工作效率和较强的输出电流驱动能力,从而为数字电路的稳定、可靠工作提供了强有力的保证。 目前在海信平板系列电视上逐步应用(例如海信TPW-4211等离子电视中的数字电路5V供电 (V5A)的降压集成电路IC34(PQICG2032)就是一块把A12V电压降为5V的开关稳压集成电路。
LM2576简介
LM2576系列是美国国家半导体公司生产的3A电流输出降压开关型集成稳压电路,它内含固定频率振荡器(52kHz)和基准稳压器(1.23V),并具有完善的保护电路,包括电流限制及热关断电路等,利用该器件只需极少的外围器件便可构成高效稳压电路。LM2576系列包括LM2576(最高输入电压40V)及LM2576HV(最高输入电压60V)二个系列。各系列产品均提供有3.3V(-3.3)、5V(-5.0)、12V(-12)、15V(-15)及可调(-ADJ)等多个电压档次产品。此外,该芯片还提供了工作状态的外部控制引脚。
LM2576系列开关稳压集成电路的主要特性如下;
最大输出电流:3A
最高输入电压:LM2576为40V,LM2576HV为60V
输出电压:3.3V(LM2576-3.3)、5V(LM2576-5.0)、12V(LM2576-12)、15V(LM2576-15)和ADJ(LM2576-ADJ)(可调)等可选
振荡频率:52kHz
转换效率:75%~90%(不同电压输出时的效率不同)
LM2576的内部框图如图1B所示,该框图的引脚定义对应于五脚TO-220封装形式。
LM2576内部包含52kHz振荡器、1.23V基准稳压电路、热关断电路、电流限制电路、放大器、比较器及内部稳压电路等。为了产生不同的输出电压,通常将比较器的负端接基准电压(1.23V),正端接分压电阻网络,这样可根据输出电压的不同选定不同的阻值,其中R1=1kΩ(可调-ADJ时开路),R2分别为1.7kΩ(3.3V)、3.1kΩ(5V)、8.84kΩ(12V)、11.3kΩ(15V)和,电阻R1、R2依据型号不同已在芯片内部做了精确调整,因而无需使用者考虑。将输出电压分压电阻网络的输出同内部基准稳压值1.23V进行比较,若电压有偏差,则可用放大器控制内部振荡器的输出占空比,从而使输出电压保持稳定。
由图1B及LM2576系列开关稳压集成电路的特性可以看出,以LM2576为核心的开关稳压电源完全可以取代三端稳压器件构成的数字电路适用的稳压电源。
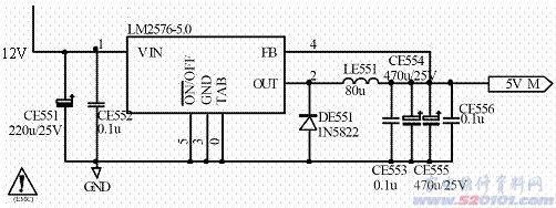
在海信TLM3277液晶电视机中,数字电路部分的低压供电就是由一块LM2576-5.0(NE304)来完成,由12V降压为5V(5V M)再由其它三端稳压器降压为3.3V和1.8V对数字电路供电。
TLM3277液晶电视机中12V→5V(开关电源降压)降压部分的原理图部分如图1A。 图1B为LM2576-5.0内部框图
图1A TLM3277 12V~5V 开关电源变换电路
图1 B LM2576-5.0 内部框图

图2B
图2C
工作原理
图2 是NE304和外围元件组成一串连PWM开关电源,NE304是开关元件,LE551是蓄能电感,DE551是续流二极管,输出的5V M电压由NE304的FB端回送到内部的控制电路进行PWM控制,以保证5V M的稳压。
当开关闭合时12V电源的电流流经K 及 EL551 由于LE551的自感作用,电流逐步上升,并以磁能方式存储,此时自感电势方向是左正右负,流过LE55的电流对CE553/554/555充电,电容两端电压逐步上升,并向负载供电,图2B。当CE335两端电压达到5V时,输出的5V M由NE304的FB回送到NE304内部的PWM控制电路,控制K断开,此时LE551的自感电势是左负右正,这个方向的自感电势正好符合DE551导通条件,向负载继续供电,图2C(在DE551导通期间是LE551存储的能量向负载供电),电路的工作是K和DE551轮流导通工作。
在维修的过程中,对于DE551有较高的要求(易损坏),如有损坏必须采用低功耗、超高速、低导通压降、恢复时间快的肖特基二极管(一般的整流二极管不适用)。
图3是三星等离子电视V2屏 小信号供电降压开关电源电路,应用一块和上面类似的低压降压开关电源集成电路 PQ1CG203Z。图中 L48是蓄能电感,D80是续流二极管。
图3 三星等离子电视V2屏 小信号供电的12变5V降压开关电源
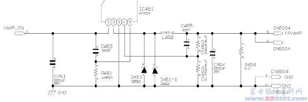
图4和图5是三星等离子V3屏,V4屏的电压降压开关电源电路,工作原理和上述一样。
图4三星等离子电视V3屏 小信号供电的15V降为5V的开关电源稳压电路
图5三星等离子电视V4屏 小信号供电的18V降为12V的开关电源稳压电路(集成电路型号是AP1501)
