TCL MS28L机芯液晶电视,采用LED背光,主芯片采用大规模超级芯片MS6I981BTC(位号U500)。该机芯除具有普通TV收视功能外,还具有3D电视接收功能及网络功能。另外,该机接口也很丰富,主要有1路AV输入/输出接口、1路卡拉OK、1路YPbPr接口、1路VGA接口、1路网络接口、2路HDMI及2路USB2.0接口。该机芯整体电路结构框图如图1所示。
采用该机芯液晶彩电的型号主要有L32E5200BE、L32E4300- 3D、L55F3300-3D等,下面简要介绍该机芯的信号流程、常见故障检修思路、机芯软件升级方法及故障检修实例。
一、信号流程分析
1、电源供电流程
该机芯电源供电流程框图如图2所示。
开关电源板主要送出+56V、+24V主电压和+3.3VSTB待机电压。其中,+56V及+24V电压的第一路送往LED驱动板;+24V的第二路作为v-AUDIO电压,送往主板音频功放电路;+24V的第三路送往复合功率管Q105(AO4822)的漏极;+24V的第四路送往DC/DC变换块U100(TPS54332)输入端,经U100降压后,输出+12V电压。该+12V电压分为三路:第一路作为外接AV音频输出电路工作电源:第二路经Q505开/关控制后作为PANEL_VCC上屏电压,送往逻辑板;第三路送至DC/DC转换块U101(RT8110B)输入端,经U101及Q105降压后,输出5VAIN电压。
5VAIN电压分为七路输出:第一路经 DC/DC变换块U201(AZ1117)变为TU 3V3电压,作为板上高频头处理芯片U202(TDA18273HN)及其他的总线电路工作电源;第二路经DC/DC变换块U104(TPS54319)变为.vCCIV及vcC_vSENSE电压,作为MCU(MSD6I981BTU)的内核电路工作电源;第三路经DC/DC变换块U103(AZ1084)变为vCC1.5V电压,作为DDR存储块U701(H5TQ1G63BFR)及MCU缓存电路工作电源;第四路经DC/DC变换块U107(AZ1117)变为vCC2.5V电压,为MCU内的基准电压等相关电路供电;第五路经DC/DC变换块U105 (AZ1117)变为+3V3电压,为MCU内的PLL和音频部分电路及ADD等相关电路供电:第六路经D200A降压0.7V后作为USB1-5V电压,为USB1插口P303①脚和USB2-5V电压,为USB2插口P304①脚供电。
开关电源送往主板P102①脚的+3.3VSTB待机电压大致分为六路:第一、二路分别为主控芯片U500内嵌CPU的复位、时钟电路供电;第三路为遥控接收、键盘控制及开/待机控制等电路供电;第匹路为LED指示灯电路供电:第五路为3D模式控制及相关附属电路供电;第六路为FLASH
存储器及相关I2C总线电路供电(注:本机芯没有EEPROM存储器,其功能由FLASH存储器兼任)。
2、视频信号流程
该机芯视频信号流程框图如图3所示,板载高频调谐器U202 25、24脚输出的差分VIF+、VIF-复合中频信号经C222、R211及C223、R212耦合至主芯片U500(MSD61981B、TC)的Y3、AA3脚(注:该主控芯片脚号是用1~2位英文字母后面带1~2位阿拉伯数字来表示),经选频电分离出视频中频信号与伴音中频信号。分离得到的中频视频信号先经ADC/PLL处理及预视放处理后,再送往多制式、DVB-C视频解码器及选择开关,最后经3D梳状滤波器滤波、去隔行处理、图像格式缩放处理后,送到LVDS信号编码器。编码得到的LVDS时钟与数据信号由U500的U19、V20--AA16(W16等脚送出,再经插座P501送往逻辑板。驱动显示屏显示图像。

插座P401、P402分别送入HDMI-1、HDMI-2信号,分别经U500的G2、G3、H2.... W11、Y10-等脚送到内部的HDMI信号接收器进行解码,然后送往信号选择开关后续处理与电视视频信号相同。插座P400送来的VGA信号经U500的K3、I2、M3及L4、L5等脚送往U500内部,P307插座送来的YPr/Pb色差分量信号分别经U500的T2.R1.U2等脚送入U500内部,AV视频信号由P301插座经U500的V3脚送入U500内部,上述信号经IC内部相关电路处理及信号开关选择后,后续处理与电视视频信号相同。
插座P800送入的网络信号经U802处理后,从U500的M19、N21、N20、N19脚与U500内部的网络收发器相连。收发器带MAC地址,支持2个串行TS流输入加1并行TS流输入加1个串行TS流输入加一个串行TS流输出。本机芯设置了两个USB插口,插座P303为USB1输入插口,通过U500的A5、B5 脚与外部建立USB1连接。插座P304为USB2输入插口,通过U500 的Y13、W14脚与外部建立USB2连接。U500的wi脚为AV视频输出端,其输出的视频信号经C317耦合至由Q301、Q300构成的复合管放大后,经插口P308对外输出。
本机芯的3D技术采用的是3D蓝牙红外发射和蓝牙眼镜接收技术。当用户打开3D功能时,MCU会通过3D_EN接口给逻辑板发出一个3D使能信号,屏电路进入3D工作状态,并向MCU返回一个同步信号,这时MCU发出启动3D背光驱动模式信号。同时,3D解码板以隔行形式将左右画面进行穿插合成一幅画面,并以LVDS格式输出,工作频率由60Hz变为120Hz,使显示屏为左、右眼显示60Hz帧频的画面。与此同时,3D蓝牙发射器将主板送来的3D同步信号(同步左右镜片轮流打开的快门信号),向观看者佩戴的3D眼镜接收器发送。于是,3D眼镜的左、右镜片交替工作在打开与关闭状态,其开关频率为60Hz,由于人眼视觉残留效应,在人的大脑中就合成出了一幅3D立体图像。
3、音频信号流程
该机芯的音频信号流程如图4所示。U500 的Y3、AA3脚输入的复合中频信号先经内部电路放大,然后再经选频电路将音频信号分离出来送至音频信号选择开关。选中的音频信号经去加重等音效处理及电压放大后,LR音频信号分别从主控芯片U500的W7、AA7端子输出再由Q903、Q902前置放大,最后通过C902、C909送到音频功放块U901(TPA3113D2)的信号输入端③、12脚。功率放大后的L/R路音频信号分别从U901的25、23/20、18脚输出推动扬声器发声。输入的其他各路音频信号(包括P301输入的AV音频、P306输入的YPbPr高品质音频、P403输入的卡拉OK音频信号)送到信号选择开关,选择后的处理与TV音频信号相同。AV L、R路音频输出信号则从U500的W8.Y7 端子输出,分别经Q303、Q302前置放大后从插座P308 ②、③脚输出。

附:该机芯升级方法:
1.通过U盘普通升级法
将待升级软件拷贝到U盘根目录下(注:U盘根目录下不能有其他版本的升级软件),将U盘插入彩电的USB插口后开机,按遥控器在"用户菜单”下依次选择“设置”->“图像设置”->“对比度”->按数字键"1、9、5、0"一第4项(Service Menu)-> "USB Update"-> Mainupgrade"后即进入升级状态。完成升级后彩电会自动重启。若只是升级引导程序Mboot软件,只需在上述"USB Update' 后选择' Mboot upgrade”项即可。
2.通过U盘快速升级法
将升级软件“MS28L UPDATE.bin" 拷贝到U盘根目录下,将U盘插入彩电的USB插口,按住彩电面板"Power"键通电,待显示屏出现“升级中"提示语后再松开"Power"健,历时两三分钟后即可完成升级,然后彩电会自动重启。
3、通过网络升级法
连接宽带网络后,通过拨号或自动获取IP成功,进入用户“菜单设置”-> "软件升级”-> "网络升级”->点"确认”后即可开始自动升级。
二、故障检修实例
例1:一台L32E5200-3D型机,不能二次开机。经查,主板上插座P100 10脚未输出正常的开机高电平。先检查主板插座P102①脚的+3.3VSTB待机电压及U500各组工作电压均正常。检查U500外围晶振电路,如图5所示,没有发现24MHz的振荡波形,对这部分电路进行检查,发现电容C603一脚虚焊,补焊后试机,故障消失。

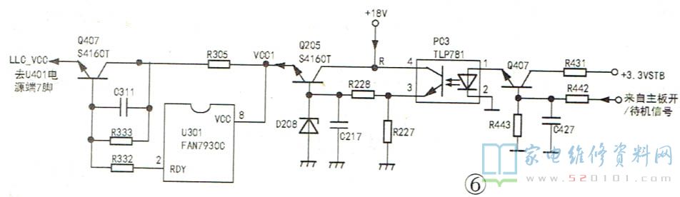
例2:一台L39E4350-3D型机,不能二次开税。经查,主板上的插座P00 10脚末输出正常的开机高电平,但插座PI00①、②、④脚却有+24V电压输出。该机的开/待机控制电路如图6所示,二次开机后Q407导通光电耦合器PC3初级①、②脚内发光二极管发光->次级③、④脚内部光敏三极管内阻大幅减小->控制管0205导通->VCCI(+17V)电压从Q205 e极输出->电源PFC控制块U301(FAN7930C)工作->LLC vcc电压输出控制管2305(S4160T)导通->主电源工作控制块U401(FSFR1700XS)电源端⑦脚有Lc vcc工作电压->U401正式工作->输出+24V、+56V主电压。因此,在主板没有输出高电平开机指令的情况下主电源却有输出,说明电源的控制电路有问题。经查vCC1电压输出控制管Q205(S4160T)c、e极间击穿。换新后试机,故障排除。

该机的故障机理是 由于Q205击穿,使PFC电路未工作,电源送出的24V带不起载引起MCU的开机上电时序出现问题,从而导致本故障。
例3:一台 L42E4300-3D型机,黑屏。输入所有信号源试机,均为黑屏,观察背光LED灯条,发现没有点亮。测量背光驱动电路控制块U601(MP3391)电源端②脚供电电压为0V,正常值为+24V。U601②脚电压是经Q602开/关控制后供给的,如图⑦所示。Q602是否导通受稳压管D603.D604控制。开关电源送至背光驱动板的V+电压大于42V时,D603、D604才导通,这时Q603、Q602也才导通。测量D603负极电压不足+38V,显然故障在由U402、PC2为主构成的电源稳压输出电路中,经查光电耦合器PC2的③、④脚(光敏三极管)漏电,更换PC2后故障排除。
该机的故障机理是:当PC2的③、④脚漏电后,相当于PC2的①、②脚(发光二极管)的发光强度增大,电源控制块U401输出的开关脉冲占空比减少,输出电压降低,背光驱动电路因欠压保护电路动作而停止工作从而出现黑屏。

例4:一台I42E4370-3D 型机,无声。在功放块U901的信号输入端③、12脚输入人体感应信号,扬声器中无声;再用万用表R X 1挡分别碰触U901输出端18、20、23、25脚扬声器中有“咯、咯”声,表明输出电路无问题。再测量U901相关供电端电压,未发现异常,看来故障可能在静音电路或U901本身。
该机芯静音电路见图4,开机时+12V输出电压的一路经D900加至Q900(BT3906)的e极,同时还经R902给电容C901充电:另一路经电阻R900给电容C900充电,由于R900阻值较大,故Q900的e-b结电压大于0.7V,于是Q900导通->Q900c极为高电平经电阻R904加至控制管Q901 (BT3904)b 极-> Q901导通->Q901的c极输出低电平,经电阻R910使U901静音控制端①脚为低电平,以实现开机时静音。开机后,由于电容C900充电完毕,Q900b极电平上升至e-b结呈反偏状态,于是Q900截止->Q900c极为低电平->控制管Q901截止->Q901 c极输出高电平U901①脚为高电平,以解除静音。在关机瞬时,+12V电压消失,但由于电容C901充电后储存有电荷,C900所充电荷通过D900二极管放电,而C901所存储电荷较高,且无法通过D900放电,且有较高正电荷加在Q900的e极,使Q900e-b结正偏,且电压大于0.7V,于是Q900导通->Q901导通->Q901 c极输出低电平->U901①脚为低电平,实现关机时静音。另外,当主控芯片U500的K21(AMP_MUTE)端子输出高电平时,此高电平经R908送至Q901 b极,于是Q901导通->Q901 c极输出低电平->U901①脚为低电平,实现电视机开机后静音对这部分电路进行检测,发现Q901的c极供电电阻R905(4.7k)的一端焊点开裂,补焊后故障排除。
例5:一台 L42F1500-3D型机,开机后屏上显示竖彩条根据维修经验,屏显示竖彩条,多为逻辑板上驱动电路工作异常、上屏线接触不良或液晶屏损坏所致。将上屏线插头拔下观察,没有发现明显的氧化现象,清洗其插针后仍无效。
本机+12V上屏电压是由Q506、Q500、Q505等构或的开关电路控制后,送到LVDS插座的P501的①~④脚,测量P501①~④脚电压,发现不足+8V,上屏电压控制电路见图5,开机后U500的D7(PANEL_ ON)端子输出低电平,Q506导通->Q500因b极高电平而导通->主控管Q505(PMV65XP)因G极低电平而导通->12V通过Q505给P501①~④脚提供+12V电压。顺便说明,为了保证上屏电压控制的可靠性,故采用Q506、Q500两级控制方式。检测发现Q505的s极有+12V电压,但D极电压却不足+8V,手摸Q505温度很高。这只有两种可能:一是逻辑板上有元器件漏电或短路,二是Q505的S、D极饱和压降过大。本着先易后难的原则,更换Q500后试机,故障排除。
例6:一台 L42F1300-3D 型机,伴音正常,无图像,但在黑暗环境下屏呈灰屏。首先查逻辑板上的PANEL vcC电压为0V,进而查得PANEL vCC电压输出端的一只两端贴片元件Z42短路。查资料得知该元件是一只12V/0.5W稳压管,换新后试机,图像出现,但工作20min后该管又击穿,故障重现。为了判定故障是电路有问题,还是稳压管质量有问题,试断开逻辑板上的PANEL vCC电压输出端,开机测试输出电压达+13.4V且不稳定。+12V电压是+24V电压经DC/DC变换而来,如图8所示。经查,反馈电路两只电阻R110、R111阻值正常,但R110、R111的连接点至U100(TPS54332)的电压反馈端⑤脚的电阻却呈不稳的380Ω(正常应为0Ω)。U100的⑤脚是通过一个过孔与R110、R111的连接点的铜箔相连的,判断该过孔有问题。用一段细铜线穿过过孔,并焊好,然后换上新的稳压管后开机,图像出现,故障排除。

编者:本文作者介绍了电压网络及信号处理流程框图上的关键元件,维修人员只要根据故障现象找到关键元件在电路板.上的位置就可实现快速处理故障。作者提供的升级方法,维修人员要准备相应的软件,且需要在电视需有开机动作时方能使用此方法。U盘升级时U盘中不要放其他文件,且升级文件名要按公司指定的文件名才能使系统识别进行软件升级。升级过程中,不能中断电视电源,不然会导致控制系统程序中断无法恢复,出现永久死机故障。